电脑桌面
添加小米粒文库到电脑桌面
安装后可以在桌面快捷访问

民用建筑照明设计标准VIP免费

民用建筑照明设计标准_第1页
1/16
民用建筑照明设计标准_第2页
2/16
民用建筑照明设计标准_第3页
3/16
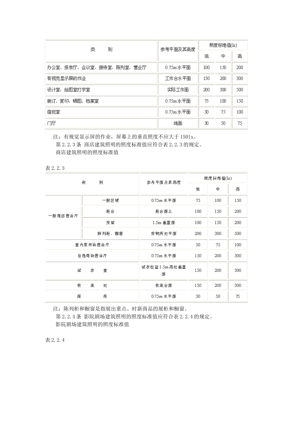
民用建筑照明设计标准GBJ133-90为主编部门:中华人民共和国原城乡建设环境保护部批准部门:中华人民共和国建设部施行日期:1991年3月1日关于发布国家标准《民用建筑照明设计标准》的通知(90)建标字第248号根据国家计委计综[1984]305号文的要求,由中国建筑科学研究院会同有关单位共同制订的《民用建筑照明设计标准》已经有关部门会审。现批准《民用建筑照明设计标准》GBJ133-90为国家标准,自1991年3月1日起施行。本标准由建设部负责管理。具体解释等工作由中国建筑科学研究院负责。出版发行由建设部标准定额研究所负责组织。中华人民共和国建设部1990年5月18日编制说明本标准是根据国家计委[1984]〕计综305号文的要求,由中国建筑科学研究院负责主编,并会同有关设计、科研和高等院校等单位共同编制而成。在本标准的编制过程中,编制组进行了广泛的调查研究,认真总结了我国民用建筑照明设计的实践经验,参考了有关国际标准和国外先进标准,针对主要技术问题开展了科学研究与试验验证工作,并广泛征求了全国有关单位的意见。最后,建设部会同各有关部门审查定稿。鉴于本标准系初次编制,在执行过程中,希望各单位结合工程实践和科学研究,认真总结经验,注意积累资料,如发现需要修改和补充之处,请将意见和有关资料寄交中国建筑科学研究院建筑物理研究所《民用建筑照明设计标准》国标管理组(北京车公庄大街19号,邮政编码100044),以供今后修订时参考。中华人民共和国建设部1990年5月第一章总则第1.0.1条为了使民用建筑照明设计符合建筑功能和保护人们视力健康的要求,做到节约能源、技术先进、经济合理、使用安全和维修方便,特制定本标准。第1.0.2条本标准适用于新建、改建和扩建的公共建筑和住宅的照明设计。第1.0.3条民用建筑照明设计,除应遵守本标准外,尚应符合国家现行有关标准和规范的规定。第二章照度标准第一节一般规定第2.1.1条民用建筑照明照度标准值应按以下系列分级:0.5、1、2、3、5、10、15、20、30、50、75、100、150、200、300、500、750、1000、1500和2000lx。第2.1.2条照度标准值是指工作或生活场所参考平面上的平均照度值。第2.1.3条根据各类建筑的不同活动或作业类别将照度标准值规定高、中、低三个值。设计人员应根据建筑等级、功能要求和使用条件,从中选取适当的标准值,一般情况下应取中间值。第2.1.4条在照明设计时,应根据光源的光通衰减、灯具积尘和房间表面污染引起照度值降低的程度,除以表2.1.4中的维护系数。维护系数表2.1.4第二节照度标准值第2.2.1条图书馆建筑照明的照度标准值应符合表2.2.1的规定。图书馆建筑照明的照度标准值表2.2.1第2.2.2条办公楼建筑照明的照度标准值应符合表2.2.2的规定。办公楼建筑照明的照度标准值表2.2.2注:有视觉显示屏的作业,屏幕上的垂直照度不应大于150lx。第2.2.3条商店建筑照明的照度标准值应符合表2.2.3的规定。商店建筑照明的照度标准值表2.2.3注:陈列柜和橱窗是指展出重点、时新商品的展柜和橱窗。第2.2.4条影院剧场建筑照明的照度标准值应符合表2.2.4的规定。影院剧场建筑照明的照度标准值表2.2.4第2.2.5条旅馆建筑照明的照度标准值应符合表2.2.5的规定。旅馆建筑照明的照度标准值表2.2.5注:①客房无台灯等局部照明时,一般活动区的照度可提高一级;②理发栏的照度值适用于普通招待所和旅馆的理发厅。第2.2.6条住宅建筑照明的照度标准值应符合表2.2.6的规定。住宅建筑照明的照度标准值表2.2.6第2.2.7条铁路旅客站建筑照明的照度标准值应符合表2.2.7的规定。铁路旅客站建筑照明的照度标准值表2.2.7第2.2.8港口旅客站建筑照明的照度标准值应符合表2.2.8的规定。港口旅客站建筑照明的照度标准值表2.2.8第2.2.9条体育建筑照明的照度标准值应符合表2.2.9-1和2.2.9-2的规定。体育运动场地照度标准值表2.2.9-1注:①篮球等项目的室外比赛应比室内比赛照度标准值降低一级;②乒乓球赛区其它部分不应低于台面照度的一半;③跳水区的照明设计应使观众和裁判员视线方向上的照度不低于200lx;④足球和曲棍球的观看距离是指观众席最后一排到场地边线的距离。运动场地彩电转播照明跄照度标准值表2.2.9-2第2....

1、当您付费下载文档后,您只拥有了使用权限,并不意味着购买了版权,文档只能用于自身使用,不得用于其他商业用途(如 [转卖]进行直接盈利或[编辑后售卖]进行间接盈利)。
2、本站所有内容均由合作方或网友上传,本站不对文档的完整性、权威性及其观点立场正确性做任何保证或承诺!文档内容仅供研究参考,付费前请自行鉴别。
3、如文档内容存在违规,或者侵犯商业秘密、侵犯著作权等,请点击“违规举报”。

碎片内容

民用建筑照明设计标准

您可能关注的文档

确认删除?
VIP
微信客服
  • 扫码咨询
会员Q群
  • 会员专属群点击这里加入QQ群
客服邮箱
回到顶部