电脑桌面
添加小米粒文库到电脑桌面
安装后可以在桌面快捷访问

乐山市城市规划管理技术规定(2012)VIP免费

乐山市城市规划管理技术规定(2012)_第1页
1/32
乐山市城市规划管理技术规定(2012)_第2页
2/32
乐山市城市规划管理技术规定(2012)_第3页
3/32
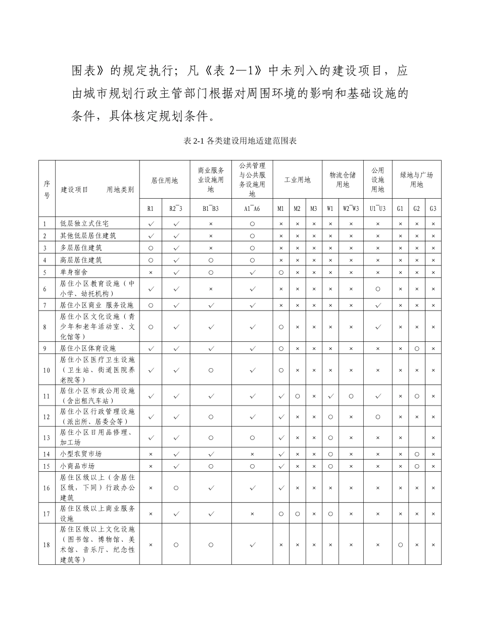
乐山市城市规划管理技术规定(2012)第一章总则第二章建设用地分类管理第三章建筑容量控制第四章建筑间距第五章建筑退界第六章建筑物高度控制第七章建筑外观及环境规划管理第八章停车泊位第九章临时建筑管理第十章建设项目规划设计管理第十一章建设基地绿化第十二章附则附录一名词解释附录二计算规则第一章总则第一条为加强我市城市规划建设管理,保证城市规划有效实施,根据《中华人民共和国城乡规划法》、《四川省城乡规划条例》以及相关技术规范,结合我市实际,制定本规定。第二条本规定适用于我市城市规划区内各项规划建设管理活动。规划区内自建房以及集体土地上村镇、农房建设另行规定,规划区以外的其他区、市、县可参照执行。第三条各项建设工程的建设,须按经批准的详细规划执行;编制和维护详细规划,须按国家相关设计规范并结合本规定执行。尚未编制详细规划的区域原则上不得批建项目,确需报建的建设项目须由城市规划行政主管部门组织专题论证,报市规委会审议同意,再报市人民政府按有关规定审查批准后方可实施。第二章建设用地分类管理第四条建设用地按其主要用途和功能分区的基本原则,依据《城市用地分类与规划建设用地标准》(GB50137-2011)进行管理。第五条编制详细规划应遵循土地使用兼容性的原则,各类建设用地适建范围按本规定表2—1《各类建设用地适建范围表》的规定执行;凡《表2—1》中未列入的建设项目,应由城市规划行政主管部门根据对周围环境的影响和基础设施的条件,具体核定规划条件。表2-1各类建设用地适建范围表序号建设项目用地类别居住用地商业服务业设施用地公共管理与公共服务设施用地工业用地物流仓储用地公用设施用地绿地与广场用地R1R2~3B1~B3A1~A6M1M2M3W1W2~W3U1~U3G1G2G31低层独立式住宅√√×○×××××××××2其他低层居住建筑√√×○×××××××××3多层居住建筑○√×○×××××××××4高层居住建筑○√○○×××××××××5单身宿舍×√○√○××××××××6居住小区教育设施(中小学、幼托机构)√√×√×××××○×××7居住小区商业服务设施○√√√×××××√×××8居住小区文化设施(青少年和老年活动室、文化馆等)○√√√○××××√×××9居住小区体育设施√√√√○××××××○×10居住小区医疗卫生设施(卫生站、街道医院养老院等)√√○√○××××××××11居住小区市政公用设施(含出租汽车站)√√√√√○×√○√×○×12居住小区行政管理设施(派出所、居委会等)√√○√√××○×○×××13居住小区日用品修理、加工场√√○○√××○××××14小型农贸市场×√√×√××○×××○×15小商品市场×√○○√××○×××○×16居住区级以上(含居住区级,下同)行政办公建筑×○√√√××××××××17居住区级以上商业服务设施×√√×○○×○×××××18居住区级以上文化设施(图书馆、博物馆、美术馆、音乐厅、纪念性建筑等)×○○√××××××○××19居住区级以上娱乐设施(影剧院、游乐场、俱乐部、舞厅、夜总会)××√×○××○×××××20居住区级以上体育设施×○×√√×××××○××21居住区级以上医疗卫生设施×○×√○××××××××22特殊医院(精神病院、传染病院)—需单独选址×××○×××××××××23办公建筑、商办综合楼×○√○○××○×××××24一般旅馆×○√○√××○×××××25旅游宾馆×○√○○××××××××26商住综合楼×√√○○××××××××27高等院校、中等专业学校×××√√××××××××28职业学校、技工学校、成人学校业余学校×○○√√○×○×××××29科研设计机构×○○√√○×××××××30对环境基本无干扰、污染工厂×○×○√○×√×○×××31对环境有轻度干扰、污染工厂××××○√×○×○×××32对环境有严重干扰、污染工厂××××××√××××××33普通储运仓库××××√○×√×○×××34危险品仓库××××××××√××××35农、副、水产品批发市场××××√○×√×××××36社会停车场、库×○√○√√○√×√×××37加油站×○○○√√×√×√×××...

1、当您付费下载文档后,您只拥有了使用权限,并不意味着购买了版权,文档只能用于自身使用,不得用于其他商业用途(如 [转卖]进行直接盈利或[编辑后售卖]进行间接盈利)。
2、本站所有内容均由合作方或网友上传,本站不对文档的完整性、权威性及其观点立场正确性做任何保证或承诺!文档内容仅供研究参考,付费前请自行鉴别。
3、如文档内容存在违规,或者侵犯商业秘密、侵犯著作权等,请点击“违规举报”。

碎片内容

乐山市城市规划管理技术规定(2012)

您可能关注的文档

书海行舟+ 关注
实名认证
内容提供者

热爱教学事业,对互联网知识分享很感兴趣

确认删除?
VIP
微信客服
  • 扫码咨询
会员Q群
  • 会员专属群点击这里加入QQ群
客服邮箱
回到顶部