电脑桌面
添加小米粒文库到电脑桌面
安装后可以在桌面快捷访问

塑料收缩率的取值原则VIP免费

塑料收缩率的取值原则_第1页
1/4
塑料收缩率的取值原则_第2页
2/4
塑料收缩率的取值原则_第3页
3/4
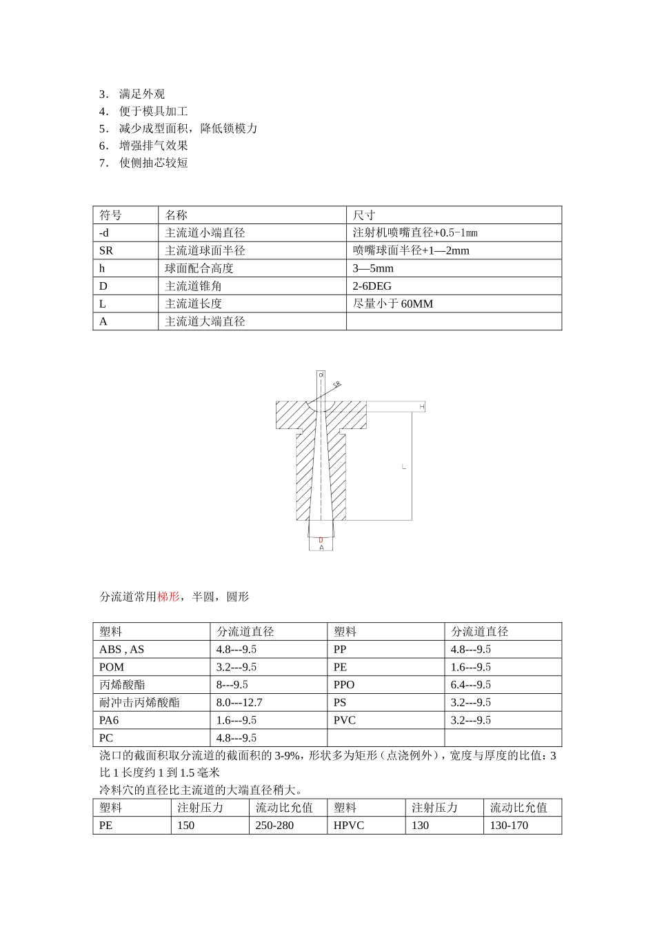
塑料收缩率的取值原则1.对收缩率范围较小的塑料,可按收缩率的范围取中间值。2.对收缩范围较大的塑料品种,应根据塑件的形状,特别是壁厚来确定塑料的收缩率,壁厚大的取大值壁厚小的取小值3.塑件的各部份尺寸的收缩率是不同的,特别是对收缩范围大的塑料,壁厚(径向)方向的尺寸与高度方向尺寸的收缩率应取不同的值4.对收缩量很大的塑料,可按材料的供应部门提供的收缩率图表来确定收缩率,也可根据类似塑料及相应的成型工艺条件来进行估算,对精度要求较高的塑件应留有修模余量。螺纹与齿轮的设计1.塑件的螺纹直径不宜过小,外螺纹的公称直径不应小于4;内螺纹公称直径不小于2;螺纹的螺距不小于0.7MM,2.螺孔的始端有0.2-0.8的台阶孔,末端不小于0.2MM,螺纹的始端和末端的形式要有过渡,不能直接断开。建议至少留1MM(随着螺纹直径加大而加长。3.轮缘最小宽度t1为齿高t的3倍;轮毂外径D1最小应为轴孔径的1.5到3倍;轮毂宽度和轴径约等为宜。4.注意齿轮的收缩控制,由于收缩原因,一般只适合相同材料的齿轮啮合工作。金属嵌件直径周围塑料层最小厚度顶部塑料层最小厚度小于等于41.50.84到821.58到123212到1642.516到2553.05.嵌件应有倒角以利于塑料成型6.常用塑料可选用的型腔压力塑料型腔平均压力/MPa塑料型腔平均压力/MPaLDPE10-15AS30HDPE20ABS30中压PE35PMMA30PP15醋酸纤维素30PS15-207.单分型面磨具又称两板式磨具,双分型面又称三板式磨具,三板式磨具不常用于大型塑件或是流动性较差的塑料成型。注射模具的设计步骤1.设计前的准备工作(塑件说明书,技术要求,成型工艺,生产数量,交货期及价格)2.制定成型工艺卡(产品的概况,使用原料概况,注塑机的参数,注射压力和行程简图,成型条件。)3.结构设计(型腔数目,分型面,型腔布置方案,浇注系统,脱模方式,调温系统结构,凹模和型芯的固定方式,排气形式,设计内容说明确定型腔数目最大注射量,锁模力,产品精度要求,经济性分型面选择分型容易,不影响外观型腔布置方案平衡,注意冷却,顶出的协调浇注系统原料,尺寸,脱模塑件结构调温系统凹模和型芯的固定排气分型面,顶出机构,大型和高速成型模具尤为模具主要尺寸成型零件工作尺寸,型腔侧壁厚度,型腔底板,型心垫板,动模板的厚度,拚块式型腔的型腔板厚度及注射模的闭合高度选用模架结构草图校核模具与射机的尺寸最大注射量,注射压力,锁模力,模具安装部分尺寸,开模行程,顶出机构结构设计审查征得同意绘制装配图零件装配关系,装配尺寸,活动零件的极限尺寸,定位圈尺寸,外形尺寸等,序号,模具使用要求,上下面的平行度,防氧化处理,模具编号,刻字,油封及保管等要求,试模及检验要求绘制模具零件图先内后外,先复杂后简单,先成型零件后结构零件复核设计图样模具参数和射机匹配有合模导向机构分型面合理型腔和浇注系统合理成型零部件合理吗(加工性)支撑零部件合理吗是否有排气机构顶出机构和侧面抽芯机构合理,安全模具的标准化程度图纸完整,标注得当试模和修模安装和拆卸分型面的选择:1.塑件外形的最大轮廓处,能顺利脱模2.保证塑件精度要求3.满足外观4.便于模具加工5.减少成型面积,降低锁模力6.增强排气效果7.使侧抽芯较短符号名称尺寸-d主流道小端直径注射机喷嘴直径+0.5-1mmSR主流道球面半径喷嘴球面半径+1—2mmh球面配合高度3—5mmD主流道锥角2-6DEGL主流道长度尽量小于60MMA主流道大端直径分流道常用梯形,半圆,圆形塑料分流道直径塑料分流道直径ABS,AS4.8---9.5PP4.8---9.5POM3.2---9.5PE1.6---9.5丙烯酸酯8---9.5PPO6.4---9.5耐冲击丙烯酸酯8.0---12.7PS3.2---9.5PA61.6---9.5PVC3.2---9.5PC4.8---9.5浇口的截面积取分流道的截面积的3-9%,形状多为矩形(点浇例外),宽度与厚度的比值:3比1长度约1到1.5毫米冷料穴的直径比主流道的大端直径稍大。塑料注射压力流动比允值塑料注射压力流动比允值PE150250-280HPVC130130-170PE60100-140HPVC90100-140PP120280HPVC7070-110PP70200-240UPVC90200-280PS90280-300UPVC70100-240PA90200-360PC130120-180POM100110-210PC9090-130K=最长距离流动时,各段流道及各段型...

1、当您付费下载文档后,您只拥有了使用权限,并不意味着购买了版权,文档只能用于自身使用,不得用于其他商业用途(如 [转卖]进行直接盈利或[编辑后售卖]进行间接盈利)。
2、本站所有内容均由合作方或网友上传,本站不对文档的完整性、权威性及其观点立场正确性做任何保证或承诺!文档内容仅供研究参考,付费前请自行鉴别。
3、如文档内容存在违规,或者侵犯商业秘密、侵犯著作权等,请点击“违规举报”。

碎片内容

塑料收缩率的取值原则

您可能关注的文档

确认删除?
VIP
微信客服
  • 扫码咨询
会员Q群
  • 会员专属群点击这里加入QQ群
客服邮箱
回到顶部