电脑桌面
添加小米粒文库到电脑桌面
安装后可以在桌面快捷访问

制药企业洁净区房间压差控制VIP免费

制药企业洁净区房间压差控制_第1页
1/7
制药企业洁净区房间压差控制_第2页
2/7
制药企业洁净区房间压差控制_第3页
3/7
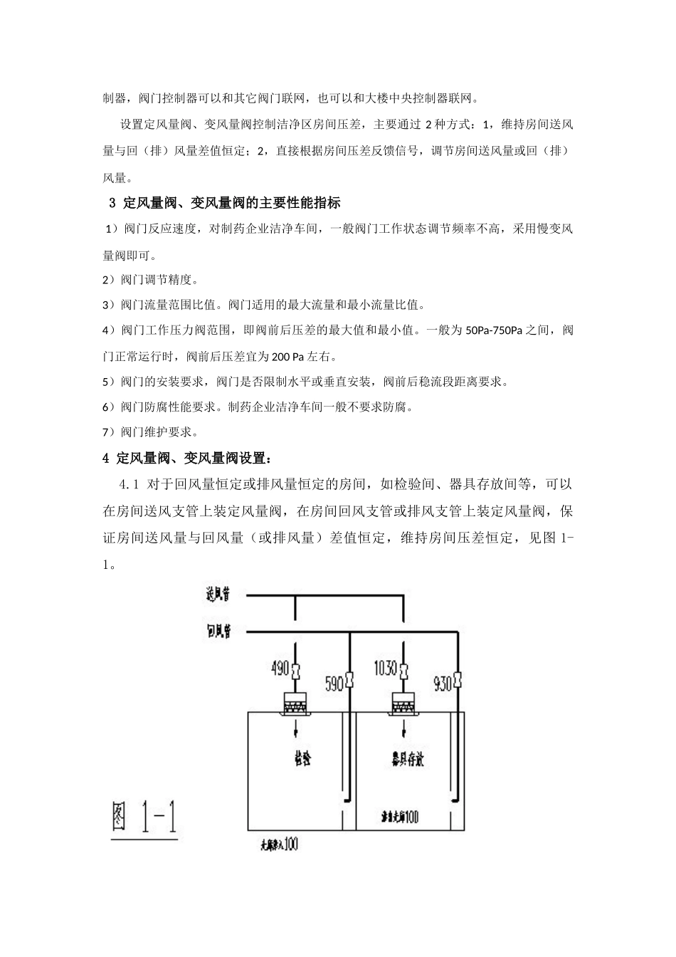
制药企业洁净区房间压差控制中国医药集团武汉医药设计院陶新伟郑洪涛摘要:采用定风量阀、变风量阀控制洁净区房间压差恒定,对于有工艺设备除尘、排风的房间,当工艺设备不运行时,可以关闭除尘、排风系统,对房间进行回风,节省能耗。关键词:定风量阀;变风量阀;压差控制12010年修订版GMP与洁净区房间压差控制相关的条文GMP第四十八条,洁净区与非洁净区不同级别洁净区之间的压差应当不低于10Pa。必要时,相同洁净度级别的不同功能区域(操作间)之间也应当保持适当的压差梯度。GMP附录1:《无菌药品》第三十二条在任何运行状态下,洁净区通过适当的送风应当能够确保对周围低级别区域的正压,维持良好的气流方向,保证有效的净化能力。应当特别保护已清洁的与产品直接接触的包装材料和器具及产品直接暴露的操作区域。当使用或生产某些致病性,剧毒、放射性或活病毒、活细菌的物料与产品时,空气净化系统的送风和压差应当适当调整,防止有害物质外溢。2定风量阀、变风量阀简介设置定风量阀、变风量阀,自动控制洁净区房间压差,增加空调系统回风利用率。控制洁净房间压差就能控制洁净区房间之间的气流渗透方向,是控制洁净区房间污染和交叉污染的重要措施。定风量阀、变风量阀按阀体类型分为蝶阀和文丘里阀,定风量阀一般为自力式阀,不需要反馈信号,只需设定运行风量即可。变风量阀需要有反馈信号,执行机构和控制器,反馈信号可以为风量反馈信号,如DDC控制应器根据系统要求,指定阀体运行风量,也可以是房间压差信号,DDC控制器根据房间压差信号变化情况,控制阀体运行风量。变风量阀执行机构动力可以为电力,24V交流电(AC);也可以为压缩空气,在制药企业洁净车间,一般采用电力,接220V单相电源,阀体执行机构自带变压器。变风量阀一般自带DDC控制器,阀门控制器可以和其它阀门联网,也可以和大楼中央控制器联网。设置定风量阀、变风量阀控制洁净区房间压差,主要通过2种方式:1,维持房间送风量与回(排)风量差值恒定;2,直接根据房间压差反馈信号,调节房间送风量或回(排)风量。3定风量阀、变风量阀的主要性能指标1)阀门反应速度,对制药企业洁净车间,一般阀门工作状态调节频率不高,采用慢变风量阀即可。2)阀门调节精度。3)阀门流量范围比值。阀门适用的最大流量和最小流量比值。4)阀门工作压力阀范围,即阀前后压差的最大值和最小值。一般为50Pa-750Pa之间,阀门正常运行时,阀前后压差宜为200Pa左右。5)阀门的安装要求,阀门是否限制水平或垂直安装,阀前后稳流段距离要求。6)阀门防腐性能要求。制药企业洁净车间一般不要求防腐。7)阀门维护要求。4定风量阀、变风量阀设置:4.1对于回风量恒定或排风量恒定的房间,如检验间、器具存放间等,可以在房间送风支管上装定风量阀,在房间回风支管或排风支管上装定风量阀,保证房间送风量与回风量(或排风量)差值恒定,维持房间压差恒定,见图1-1。4.2对于有工艺设备局部排风罩的房间,如器具清洗间、各剂型车间都有,水针车间、大输液车间浓配、稀配间等,可以在房间送风支管上安装定风量阀,控制房间送风量恒定。在房间工艺设备排风罩排风支管上安装电动密闭阀,在室内设阀门开关按钮,随工艺设备运行状态开、关。在房间回风支管上安装变风量阀,控制房间压差恒定,不排风时,加大房间回风量。如图1-24.3对于有工艺设备自带排风系统的房间,如针剂车间胶塞清洗间、铝盖灭菌间、洗瓶灭菌间等,可以在房间送风支管上装定风量阀,工艺设备排风支管上安装电动密闭阀,与工艺设备连锁,随工艺设备运行状态开关。在房间回风支管上安装变风量阀,控制房间压差恒定,不排风时,加大房间回风。如图1-3。4.4对于有局部除尘排风的房间,如压片间、胶囊填充间,压片机、胶囊填充机为封闭型。若在工艺设备不运行时,房间是否可以回风,根据生产品种和工艺设备运行情况,以不会引起产品交叉污染为准。可以在房间送风支管上装定风量阀,在除尘排风支管上装电动密闭阀,电动密闭阀与除尘机连锁,在室内设启停按钮。不需除尘时,关闭除尘机和电动密闭阀。在房间排风支管上装变风量阀,控制房间压差恒定。如图1-4。4.5对于需房...

1、当您付费下载文档后,您只拥有了使用权限,并不意味着购买了版权,文档只能用于自身使用,不得用于其他商业用途(如 [转卖]进行直接盈利或[编辑后售卖]进行间接盈利)。
2、本站所有内容均由合作方或网友上传,本站不对文档的完整性、权威性及其观点立场正确性做任何保证或承诺!文档内容仅供研究参考,付费前请自行鉴别。
3、如文档内容存在违规,或者侵犯商业秘密、侵犯著作权等,请点击“违规举报”。

碎片内容

制药企业洁净区房间压差控制

书海行舟+ 关注
实名认证
内容提供者

热爱教学事业,对互联网知识分享很感兴趣

确认删除?
VIP
微信客服
  • 扫码咨询
会员Q群
  • 会员专属群点击这里加入QQ群
客服邮箱
回到顶部