电脑桌面
添加小米粒文库到电脑桌面
安装后可以在桌面快捷访问

千分尺、游标卡尺考试卷VIP免费

千分尺、游标卡尺考试卷_第1页
1/1
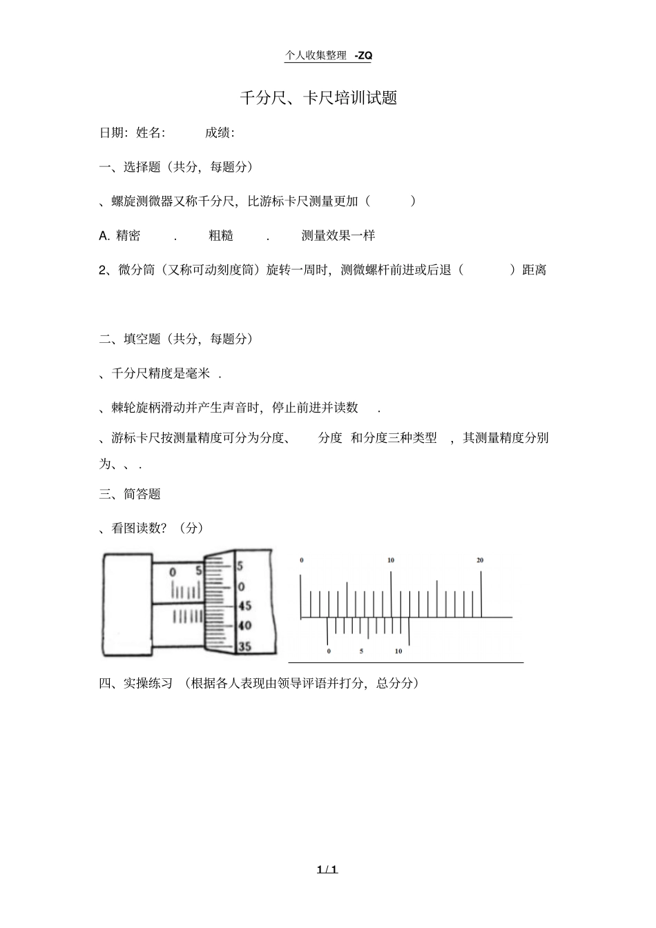
个人收集整理-ZQ1/1千分尺、卡尺培训试题日期:姓名:成绩:一、选择题(共分,每题分)、螺旋测微器又称千分尺,比游标卡尺测量更加()A.精密.粗糙.测量效果一样2、微分筒(又称可动刻度筒)旋转一周时,测微螺杆前进或后退()距离二、填空题(共分,每题分)、千分尺精度是毫米.、棘轮旋柄滑动并产生声音时,停止前进并读数.、游标卡尺按测量精度可分为分度、分度和分度三种类型,其测量精度分别为、、.三、简答题、看图读数?(分)四、实操练习(根据各人表现由领导评语并打分,总分分)

1、当您付费下载文档后,您只拥有了使用权限,并不意味着购买了版权,文档只能用于自身使用,不得用于其他商业用途(如 [转卖]进行直接盈利或[编辑后售卖]进行间接盈利)。
2、本站所有内容均由合作方或网友上传,本站不对文档的完整性、权威性及其观点立场正确性做任何保证或承诺!文档内容仅供研究参考,付费前请自行鉴别。
3、如文档内容存在违规,或者侵犯商业秘密、侵犯著作权等,请点击“违规举报”。

碎片内容

千分尺、游标卡尺考试卷

确认删除?
VIP
微信客服
  • 扫码咨询
会员Q群
  • 会员专属群点击这里加入QQ群
客服邮箱
回到顶部