电脑桌面
添加小米粒文库到电脑桌面
安装后可以在桌面快捷访问

排水闸稳定及结构计算VIP免费

排水闸稳定及结构计算_第1页
1/28
排水闸稳定及结构计算_第2页
2/28
排水闸稳定及结构计算_第3页
3/28
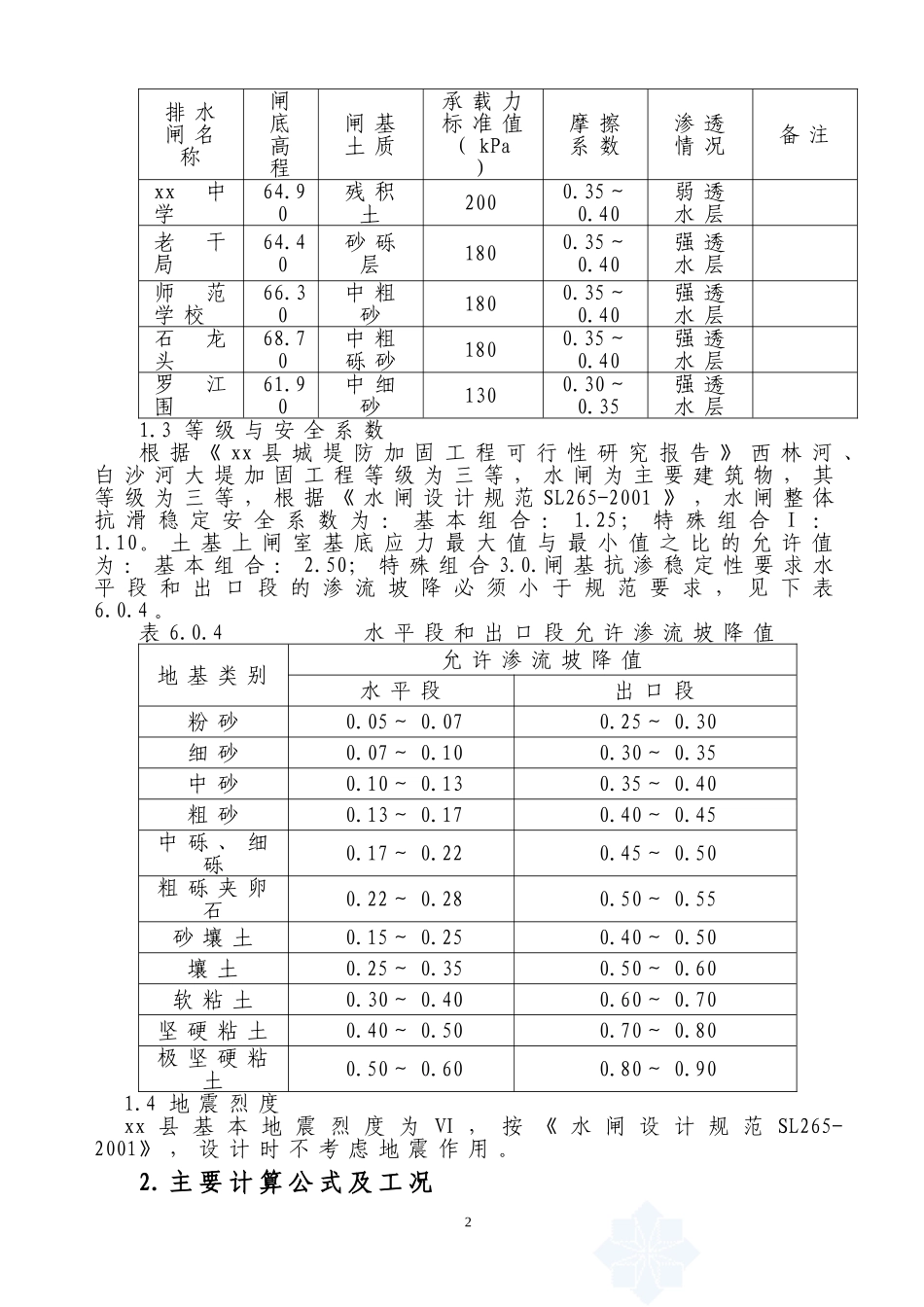
排水闸稳定及结构计算1.各排水闸概况1.1水文资料根据xx县城堤防总体规划,县城河堤共有5个排水闸,西林河有两个排水闸:xx中学排水闸和老干局排水闸,白沙河有三个排水闸:师范排水闸、石龙头排水闸、及罗江围排水闸。河堤上的排水闸主要作用是:平时能正常排泄内积水,洪水到来时关闸挡水,不让洪水涌入。根据水文资料,排水闸排涝标准按十年一遇(P=10%)洪水,24小时暴雨产生的洪水总量,24小时排干计算。根据《xx县城区防洪工程洪水计算书》可知各排水闸的水位资料,详见排水闸洪水成果表1.1-1。表1.1-1各排水闸洪水成果表编号河流名称支流名称排水闸名称桩号地面控制水位(m)外江洪水位(m)内江洪水成果(P=10%)Q设(m3/s)P=2%P=20%1西林河樟洞水xx中学西左2+567.5668.6069.0767.98972江水、龙洞水老干局西左3+548.5368.1068.4467.50873白沙河邬村水师范学校白右5+949.9270.8072.4570.26224热水锅水石龙头白右8+203.8473.4074.1672.82435盘龙水、王宾水罗江围白左1+191.0066.9068.4466.6543.41.2地质资料根据《xx县城区防洪工程地质勘探可行性研究报告》,可知各排水闸地基主要物理指标表1.2-1。表1.2-1各排水闸地基土质主要物理指标表1排水闸名称闸底高程闸基土质承载力标准值(kPa)摩擦系数渗透情况备注xx中学64.90残积土2000.35~0.40弱透水层老干局64.40砂砾层1800.35~0.40强透水层师范学校66.30中粗砂1800.35~0.40强透水层石龙头68.70中粗砾砂1800.35~0.40强透水层罗江围61.90中细砂1300.30~0.35强透水层1.3等级与安全系数根据《xx县城堤防加固工程可行性研究报告》西林河、白沙河大堤加固工程等级为三等,水闸为主要建筑物,其等级为三等,根据《水闸设计规范SL265-2001》,水闸整体抗滑稳定安全系数为:基本组合:1.25;特殊组合Ⅰ:1.10。土基上闸室基底应力最大值与最小值之比的允许值为:基本组合:2.50;特殊组合3.0.闸基抗渗稳定性要求水平段和出口段的渗流坡降必须小于规范要求,见下表6.0.4。表6.0.4水平段和出口段允许渗流坡降值地基类别允许渗流坡降值水平段出口段粉砂0.05~0.070.25~0.30细砂0.07~0.100.30~0.35中砂0.10~0.130.35~0.40粗砂0.13~0.170.40~0.45中砾、细砾0.17~0.220.45~0.50粗砾夹卵石0.22~0.280.50~0.55砂壤土0.15~0.250.40~0.50壤土0.25~0.350.50~0.60软粘土0.30~0.400.60~0.70坚硬粘土0.40~0.500.70~0.80极坚硬粘土0.50~0.600.80~0.901.4地震烈度xx县基本地震烈度为Ⅵ,按《水闸设计规范SL265-2001》,设计时不考虑地震作用。2.主要计算公式及工况22.1闸孔净宽B0计算公式根据《水闸设计规范SL265-2001》,水闸的闸孔净宽B0可按公式(A.0.1-1)~(A.0.1-6)计算:(A.0.1-1)单孔闸(A.0.1-2)多孔闸,闸墩墩头为圆弧形时(A.0.1-3)(A.0.1-4)(A.0.1-5)(A.0.1-6)式中——闸孔总宽度(m);Q——过闸流量(m3/s);——计入行近流速水头的堰上水深(m),在此忽略不计;g——重力加速度,可采用9.81(m/s2);m——堰流流量系数,可采用0.385;——堰流侧收系数,对于单孔闸可按公式(A.0.1-2)计算求得或由表A.0.1-1查得;对于多孔闸可按公式(A.0.1-3)计算求得;b0——闸孔净宽(m);bs——上游河道一半水深处的宽度(m);N——闸孔数;——中闸孔侧收系数,可按公式(A.0.1-4)计算求得或由表A.0.1-1查得,但表中bs为b0+dz;dz——中闸墩厚度(m);——边闸孔侧收系数,可按公式(A.0.1-5)计算求得或由表A.0.1-1查得,但表中bs为;bb——边闸墩顺水流向边缘线至上游河道水边线之间的距离(m);——堰流淹没系数,可按公式(A.0.1-6)计算求得或由表A.0.1-2查得;3hs——由堰顶算起的下游水深(m)。2.2整体稳定及应力计算公式2.2.1整体稳定及应力计算公式根据《水闸设计规范SL265-2001》,利用闸室基底应力和闸室抗滑稳定安全系数计算公式可分别计算各工况下排水闸的整体稳定及基底应力。闸室基底应力(7.3.4-1)抗滑稳定安全系数(7.3.6-1)式中——闸室基底应力的最大值或最小值(kPa);——作用在闸室上的全部竖向荷载(包括闸室基础底面上的扬压力在内,kN);——作用在闸室上的全部竖...

1、当您付费下载文档后,您只拥有了使用权限,并不意味着购买了版权,文档只能用于自身使用,不得用于其他商业用途(如 [转卖]进行直接盈利或[编辑后售卖]进行间接盈利)。
2、本站所有内容均由合作方或网友上传,本站不对文档的完整性、权威性及其观点立场正确性做任何保证或承诺!文档内容仅供研究参考,付费前请自行鉴别。
3、如文档内容存在违规,或者侵犯商业秘密、侵犯著作权等,请点击“违规举报”。

碎片内容

排水闸稳定及结构计算

起跑线书城+ 关注
实名认证
内容提供者

热爱教学事业,对互联网知识分享很感兴趣

确认删除?
VIP
微信客服
  • 扫码咨询
会员Q群
  • 会员专属群点击这里加入QQ群
客服邮箱
回到顶部