电脑桌面
添加小米粒文库到电脑桌面
安装后可以在桌面快捷访问

2012年中考物理总复习《电功率》复习专题(一)VIP免费

2012年中考物理总复习《电功率》复习专题(一)_第1页
1/7
2012年中考物理总复习《电功率》复习专题(一)_第2页
2/7
2012年中考物理总复习《电功率》复习专题(一)_第3页
3/7
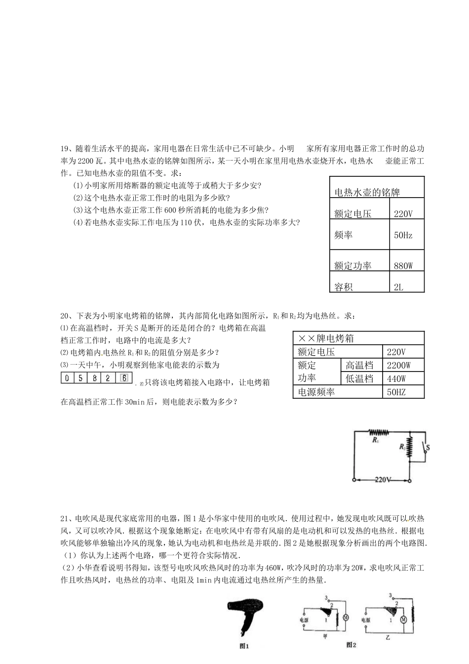
2012年中考物理总复习《电功率》复习专题(一)制卷人:龚福林使用时间:2012年4月28日一、填空题1、在进行英语听力测试时,各考场的有线扬声器是同时开播,也是同时停播的.它们的连接方式是______联,原因是它们_________(选填“能”或“不能”)独立工作。教室里电风扇正常工作时电压为_______V。人体的安全电压为______V.2、如图所示为手机的电池,****mAh看不清了,但发现了4.07Wh字样(如图甲)。此电池在充满电时贮存的电能为J。电极处略有凹陷(如图乙),可以在一定程度上防止与硬币、钥匙等金属物体接触引起从而损坏电池。3、一台“220V120W”的新型液晶电视机,正常工作2h消耗的电能为。不看电视时及时切断电源,减少待机时间可以达到的目的。4、我国照明电路的电压为________V;教室内各日光灯之间的连接方式是______联(选填“串”或“并”);小明家有一个标有“5W”字样的电蚊香加热器,正常工作1h消耗的电能为__________J。5、小王家电能表上标有“220V10A”字样,他家原有电器的总功率是1500W。最近新买了一个额定功率为1100W的电热水器,电热水器的额定电流是A;电热水器正常工作时的电阻是Ω;正常工作时1分钟将会产生J热量。二、选择题6、假设导体没有电阻,当用电器通电时,下列说法正确的是A.白炽灯仍然能发光B.电动机仍然能转动C.电饭锅仍然能煮饭D.电熨斗仍然能熨衣服7、假设导体没有电阻,当用电器通电时,下列说法正确的是A.白炽灯仍然能发光B.电动机仍然能转动C.电饭锅仍然能煮饭D.电熨斗仍然能熨衣服8、如图4所示的甲、乙两电阻的电流与电压的关系图像,以图像的几种分析中,正确的是()A.甲的电阻大于乙的电阻B.通过甲的电流跟加在它两端的电压成反比C.当甲、乙并联时,甲的电功率较大D.当甲、乙串联时,甲的电功率较大9、饮水机、电饭煲等家用电器都具有保温和加热功能。同学们设计了模拟电路,如图9所示。当S1闭合,S2断开时,为保温状态;当S1、S2都闭合时为加热状态。其中不符合上述要求的是10、下列物体中,不可能应用超导材料的是A.输电导线B.发电机线圈C.电炉丝D.磁悬浮列车11、下列说法中正确的是A.控制电灯的开关与该电灯是并联的B.能够使试电笔氖管发光的是零线C.使用电冰箱时必须使用两孔插座D.电饭锅是利用电流的热效应工作的12、如果加在某定值电阻两端的电压从6V升高到10V,通过该电阻的电流变化了0.1A,则该电阻的电功率变化了A1.6WB.4.0WC.0.4WD.3.4W13、小明对新型LED灯带很好奇,取一段剖开后发现,灯带中的LED灯是串联后通过电源适配器接入照明电路的.他取下其中一只LED灯接在电池两端没有亮,对调电池正负极后亮了,用手试摸,点亮的灯几乎不发热.以下推断符合上述实验事实的是A.单只LED灯工作电压是220VB.LED灯主要是将电能转化为内能C.电源适配器是将交流电转变为直流电D.灯带中一只LED灯断路后其他灯还亮14、电子式电能表表盘上标有“3200imp/(kw.h)”字样(imp表示闪烁次数)。将某用电器单独接在该电能表上正常工作30min,电能表指示灯闪烁了320次,该用电器在上述时间内消耗的电能为kw.h,该用电器的额定功率是W。15、关于“8V4W”的灯L1和“4V2W”的灯L2,下列说法中错误的是()A.L1的电阻大于L2的电阻B.两灯均正常工作时,L1较亮C.两灯串联在12V电源两端时都能正常发光D.两灯并联时,两端最大可加8V电压16、有两个电路元件A和B,流过元件的电流与其两端电压的关系如图(甲)所示。把它们串联在电路中,如图(乙)所示。闭合开关S,这时电流表的示数为0.2A,则电源电压和元件B的电功率分别是A.2.0V0.8WB.4.5V0.5WC.2.5V1.0WD.4.5V1.0W三、计算题17、下表是某型号电热水壶铭牌,壶中装有1.8L温度为20℃的水,求:(1)将水烧开,水吸收的热量是多少?(一个标准大气压下)(2)若在电热水壶工作时,标有“3000r/kW·h”的电能表在1min内转了50转,电热水壶的实际电功率是多少?(3)不计热损失,在此时实际功率下烧开一壶水大约需要多少时间?18、小明利用标有“6V6W”的灯泡L1和“6V3W”的灯泡L2进行实验。(1)当L1正常发光时通过的电流多少A?(2)如图甲所示:OA和OB分别为通...

1、当您付费下载文档后,您只拥有了使用权限,并不意味着购买了版权,文档只能用于自身使用,不得用于其他商业用途(如 [转卖]进行直接盈利或[编辑后售卖]进行间接盈利)。
2、本站所有内容均由合作方或网友上传,本站不对文档的完整性、权威性及其观点立场正确性做任何保证或承诺!文档内容仅供研究参考,付费前请自行鉴别。
3、如文档内容存在违规,或者侵犯商业秘密、侵犯著作权等,请点击“违规举报”。

碎片内容

2012年中考物理总复习《电功率》复习专题(一)

您可能关注的文档

精品文档+ 关注
实名认证
内容提供者

中小学学习资料大全

相关文档

确认删除?
VIP
微信客服
  • 扫码咨询
会员Q群
  • 会员专属群点击这里加入QQ群
客服邮箱
回到顶部