电脑桌面
添加小米粒文库到电脑桌面
安装后可以在桌面快捷访问

高中化学 第三章 第一节 金属的化学性质(第3课时)学案 新人教版必修1-新人教版高一必修1化学学案VIP免费

高中化学 第三章 第一节 金属的化学性质(第3课时)学案 新人教版必修1-新人教版高一必修1化学学案_第1页
1/4
高中化学 第三章 第一节 金属的化学性质(第3课时)学案 新人教版必修1-新人教版高一必修1化学学案_第2页
2/4
高中化学 第三章 第一节 金属的化学性质(第3课时)学案 新人教版必修1-新人教版高一必修1化学学案_第3页
3/4
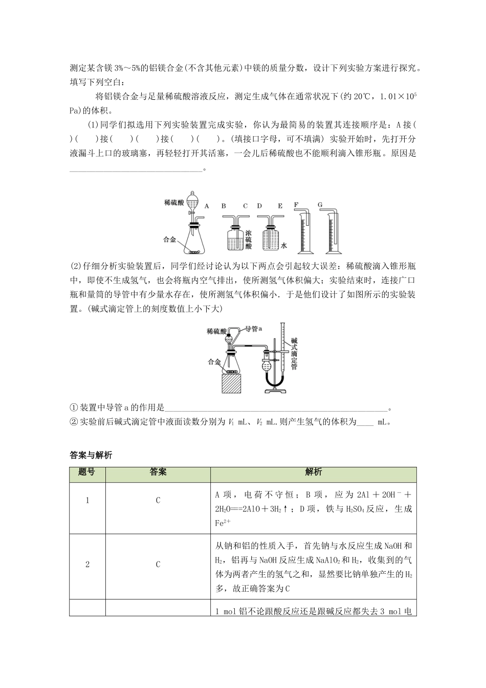
金属的化学性质(第3课时)【学习目标】1.了解铝与碱溶液的反应原理。2.掌握物质的量应用于化学方程式计算方法。【学习过程】1.铝与氢氧化钠溶液的反应:实验操作实验现象向盛有2-3ml盐酸溶液的试管A中放入一小块铝片,待观察到明显现象后将点燃的木条放在A试管口铝片放入盐酸溶液中有气泡产生,将点燃的木条放在试管口,可观察到蓝色火焰向盛有2-3mlNaOH溶液的试管中B放入一小块铝片,待观察到明显现象后将点燃的木条放在B试管口铝片放入NaOH溶液中有气泡产生,将点燃的木条放在试管口,可观察到蓝色火焰(1)2Al+6HCl===2AlCl3+3H2↑(2)2Al+2NaOH+2H2O===2NaAlO2+3H2↑温馨提示:铝跟氢氧化钠溶液的反应是分步进行的:①2Al+6H2O===2Al(OH)3+3H2↑;②Al(OH)3+NaOH===NaAlO2+2H2O;总反应为2Al+2NaOH+2H2O===2NaAlO2+3H2↑,反应中Al是还原剂,H2O是氧化剂。(3)等量的铝分别与足量的盐酸和氢氧化钠溶液反应,消耗HCl和NaOH的物质的量之比为3∶1、产生H2的体积比为1∶1;足量的铝分别与等物质的量浓度、等体积的盐酸和氢氧化钠溶液反应,产生H2的体积比为1∶3。(4)因为酸、碱、盐均能腐蚀铝制品,所以铝制容器不宜蒸煮或长时间盛放酸性、碱性或咸的食物。2.物质的量在化学方程式计算中的应用:(1)化学方程式是表示物质间发生化学反应的式子,它必须遵循质量守恒定律,即在反应前后质量守恒、原子种类和数目守恒。在化学方程式中,可反映出物质的质量关系、粒子数目关系、物质的量关系等。例如:2Na+2H2O===2NaOH+H2↑质量之比46g36g80g2g计量数之比2221扩大NA倍2NA2NA2NANA物质的量之比2mol2mol2mol1mol结论:化学方程式中各物质的化学计量数之比等于粒子数目之比,等于物质的量之比,在同一条件下也等于气体体积之比。(2)根据化学方程式进行计算的基本步骤:①设:设所求物质的物质的量为n(B)。②写:写出相关的化学方程式。③标:在有关物质的化学式下面标出已知量和未知量。④列:列出所求物质的数学表达式。⑤解:根据比例式求解。⑥答:简明地写出答案。(3)根据化学方程式计算需注意的问题:①书写格式规范化:在计算过程中应注意表达格式的规范化:各物理量、物质的名称、公式等尽量用符号表示,且数据的运算要公式化并带单位。②单位运用对应化:一般来说,在一个题目中如果都用统一的单位,不会出现错误,但如果题目所给的两个量单位不一致,若换算成同一个单位,有时显得很繁琐,这时只要做到两个量的单位“上下一致,左右相当”即可。【当堂检测】1.下列反应的离子方程式书写正确的是()A.钠和冷水反应:Na+2H2O===Na++2OH-+H2↑B.金属铝溶于氢氧化钠溶液:Al+2OH-===AlO+H2↑C.金属铝溶于盐酸中:2Al+6H+===2Al3++3H2↑D.铁跟稀硫酸反应:Fe+2H+===Fe3++H2↑2.用铝箔包裹0.1mol金属钠,用针扎出一些小孔,放入水中,完全反应后用排水集气法收集产生的气体,则收集到的气体为(标准状况)()A.O2和H2的混合气体B.1.12LH2C.大于1.12LH2D.小于1.12LH23.铝分别与足量的稀盐酸和氢氧化钠溶液反应,当两个反应放出的气体在相同状况下体积相等时,反应中消耗的HCl和NaOH的物质的量之比为()A.1∶1B.2∶1C.3∶1D.1∶34.在500mLNaOH溶液中加入足量铝粉,反应完全后共收集到标准状况下的气体33.6L,该NaOH溶液的浓度为()A.1mol/LB.2mol/LC.1.5mol/LD.3mol/L5.铝镁合金已成为飞机制造、化工生产等行业的重要材料。某研究性学习小组的同学,为测定某含镁3%~5%的铝镁合金(不含其他元素)中镁的质量分数,设计下列实验方案进行探究。填写下列空白:将铝镁合金与足量稀硫酸溶液反应,测定生成气体在通常状况下(约20℃,1.01×105Pa)的体积。(1)同学们拟选用下列实验装置完成实验,你认为最简易的装置其连接顺序是:A接()()接()()接()()。(填接口字母,可不填满)实验开始时,先打开分液漏斗上口的玻璃塞,再轻轻打开其活塞,一会儿后稀硫酸也不能顺利滴入锥形瓶。原因是_______________________________。(2)仔细分析实验装置后,同学们经讨论认为以下两点会引起较大误差:稀硫酸滴入锥形瓶中,即使不生成氢气,也会将瓶内空气...

1、当您付费下载文档后,您只拥有了使用权限,并不意味着购买了版权,文档只能用于自身使用,不得用于其他商业用途(如 [转卖]进行直接盈利或[编辑后售卖]进行间接盈利)。
2、本站所有内容均由合作方或网友上传,本站不对文档的完整性、权威性及其观点立场正确性做任何保证或承诺!文档内容仅供研究参考,付费前请自行鉴别。
3、如文档内容存在违规,或者侵犯商业秘密、侵犯著作权等,请点击“违规举报”。

碎片内容

高中化学 第三章 第一节 金属的化学性质(第3课时)学案 新人教版必修1-新人教版高一必修1化学学案

您可能关注的文档

;绿洲书城+ 关注
实名认证
内容提供者

从事历史教学,热爱教育,高度负责。

确认删除?
VIP
微信客服
  • 扫码咨询
会员Q群
  • 会员专属群点击这里加入QQ群
客服邮箱
回到顶部