电脑桌面
添加小米粒文库到电脑桌面
安装后可以在桌面快捷访问

地下连续墙技术交底VIP免费

地下连续墙技术交底_第1页
1/20
地下连续墙技术交底_第2页
2/20
地下连续墙技术交底_第3页
3/20
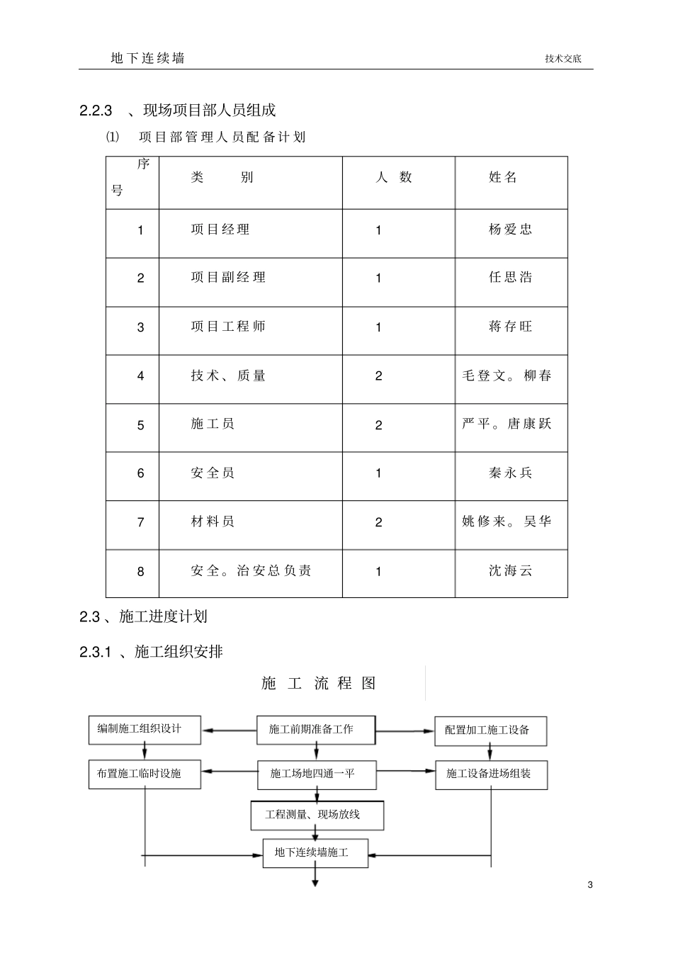
地下连续墙技术交底11、工程概述工程围护结构采用地下连续墙且为两墙合一,连续墙两侧已通过三轴搅拌桩加固,地下连续墙总长约238m,地下墙厚度为0.8m及1m,有效墙深22m、24m及25m,地下墙墙趾最深插入⑥暗绿色粉质粘土层,地下连续墙接头形式采用柔性接头,地下墙混凝土设计强度等级为C30(水下),抗渗等级P8;钢筋采用HPB235、HRB335钢。本工程场地小、工期紧,临近恒丰路下地铁,施工难度大。2、施工总体部署2.1、工程施工总体目标⑴工期目标:40天。⑵质量目标:一次性通过验收,确保工程质量达到优良。⑶文明目标:达到上海市文明工地标准。2.2、施工组织机构2.2.2、施工管理网络本工程主要施工管理网络如下:⑴项目经理部施工组织网络项目副经理安全员成槽施工班组钢筋笼制作班组钢筋笼吊装班组泥浆施工班组砼浇筑班组墙址注浆班组导墙施工班组项目经理施工员材料员技术员质量员项目工程师地下连续墙技术交底2⑵技术管理网络⑶质量管理网络成槽施工班组钢筋笼制作班组钢筋笼吊装班组泥浆施工班组砼浇筑班组墙址注浆班组导墙施工班组项目经理项目工程师技术员负责人成槽施工班组钢筋笼制作班组钢筋笼吊装班组泥浆施工班组砼浇筑班组墙址注浆班组导墙施工班组项目经理项目工程师专职质量员地下连续墙技术交底32.2.3、现场项目部人员组成⑴项目部管理人员配备计划序号类别人数姓名1项目经理1杨爱忠2项目副经理1任思浩3项目工程师1蒋存旺4技术、质量2毛登文。柳春5施工员2严平。唐康跃6安全员1秦永兵7材料员2姚修来。吴华8安全。治安总负责1沈海云2.3、施工进度计划2.3.1、施工组织安排施工前期准备工作施工场地四通一平工程测量、现场放线配置加工施工设备编制施工组织设计布置施工临时设施施工设备进场组装地下连续墙施工施工流程图地下连续墙技术交底42.3.2、施工进度计划1、本工程地下连续墙共计槽段45幅,有效砼深22m、24m及25m。2、根据现场施工条件及总体施工流程安排,本工程地下连续墙分一条线“隔四跳一”进行施工,先施工地铁侧800mm厚地连墙,再施工其它地连墙。3、计划从4月13日开始,施工40天,加10天进退场,总工期50天。3、施工总平面布置3.1、施工平面布置(见附图)3.2、施工用水:在施工现场内从甲方提供的用水接口由2寸水管分二路接出,一路接至泥浆工厂和钢筋加工厂。一路沿基坑周边在适当位置设置水龙头,以保证施工用水。在施工现场进出大门口两侧各设一个水龙头,为施工保洁清扫专用。3.3、施工用电:由总包提供的变电站分四路接出,分别供给泥浆工厂、钢筋成型棚、对焊区及临时施工用电。为确保生产、生活用电互不影响,另分一路作为照明用电考虑。为满足施工总包需提供400KVA施工用电。3.4、施工道路:考虑到今后工程施工需要,沿地下连续墙外侧铺筑10米宽砼施工道路。道路结构层为200mm厚C20钢筋砼面层,作为地下连续墙成槽施工、钢筋笼吊放、砼浇灌、土方外运等场内通道。在大门出入口处设置三级沉定池及冲洗平台。3.5、泥浆系统:根据地下连续墙的单幅砼方量,同时满足一条作业线的施工能力,泥浆系统利用现场现有的半埋式泥浆池及部分泥浆箱组成。工程施工结束地下连续墙技术交底53.6、排水系统:施工场地排水系统在现场设置排水沟、集水井,出入口设置冲洗平台。3.7、钢筋笼制作、成型:在现场布置一个钢筋笼制作平台,钢筋笼制作平台和钢筋成型场地利用现有硬化场地,确保施工现场的整洁、干净。3.8、临时堆场:槽段土临时堆场采用集土坑,其位置须考虑设置在靠近施工便道边缘处。钢筋堆场、钢筋制作成型棚设置在钢筋笼制作平台位置旁边。4、施工工艺4.1、地下连续墙施工工艺流程图(附图)4.2、工程测量导墙施工结束后,即在导墙顶面上画出分幅线,用红漆标明单元槽段的编号;同时测出每幅墙顶标高,标注在施工图上,以备有据可查。经常观察导墙的间距、整体位移、沉降,并作好记录,成槽前做好复测工作。4.4、泥浆系统4.4.1、技术参数:泥浆级配:新配制泥浆按理论配合比控制在比重1.01~1.1左右,粘度19~25秒。对于地基处理范围的地下连续墙施工,适当提高泥浆比重、粘度来增加槽壁稳定性及护壁要求。根据成槽施工中的实际情况,对泥浆配合...

1、当您付费下载文档后,您只拥有了使用权限,并不意味着购买了版权,文档只能用于自身使用,不得用于其他商业用途(如 [转卖]进行直接盈利或[编辑后售卖]进行间接盈利)。
2、本站所有内容均由合作方或网友上传,本站不对文档的完整性、权威性及其观点立场正确性做任何保证或承诺!文档内容仅供研究参考,付费前请自行鉴别。
3、如文档内容存在违规,或者侵犯商业秘密、侵犯著作权等,请点击“违规举报”。

碎片内容

地下连续墙技术交底

您可能关注的文档

确认删除?
VIP
微信客服
  • 扫码咨询
会员Q群
  • 会员专属群点击这里加入QQ群
客服邮箱
回到顶部