电脑桌面
添加小米粒文库到电脑桌面
安装后可以在桌面快捷访问

烟气轮机说明书教材VIP免费

烟气轮机说明书教材_第1页
1/9
烟气轮机说明书教材_第2页
2/9
烟气轮机说明书教材_第3页
3/9
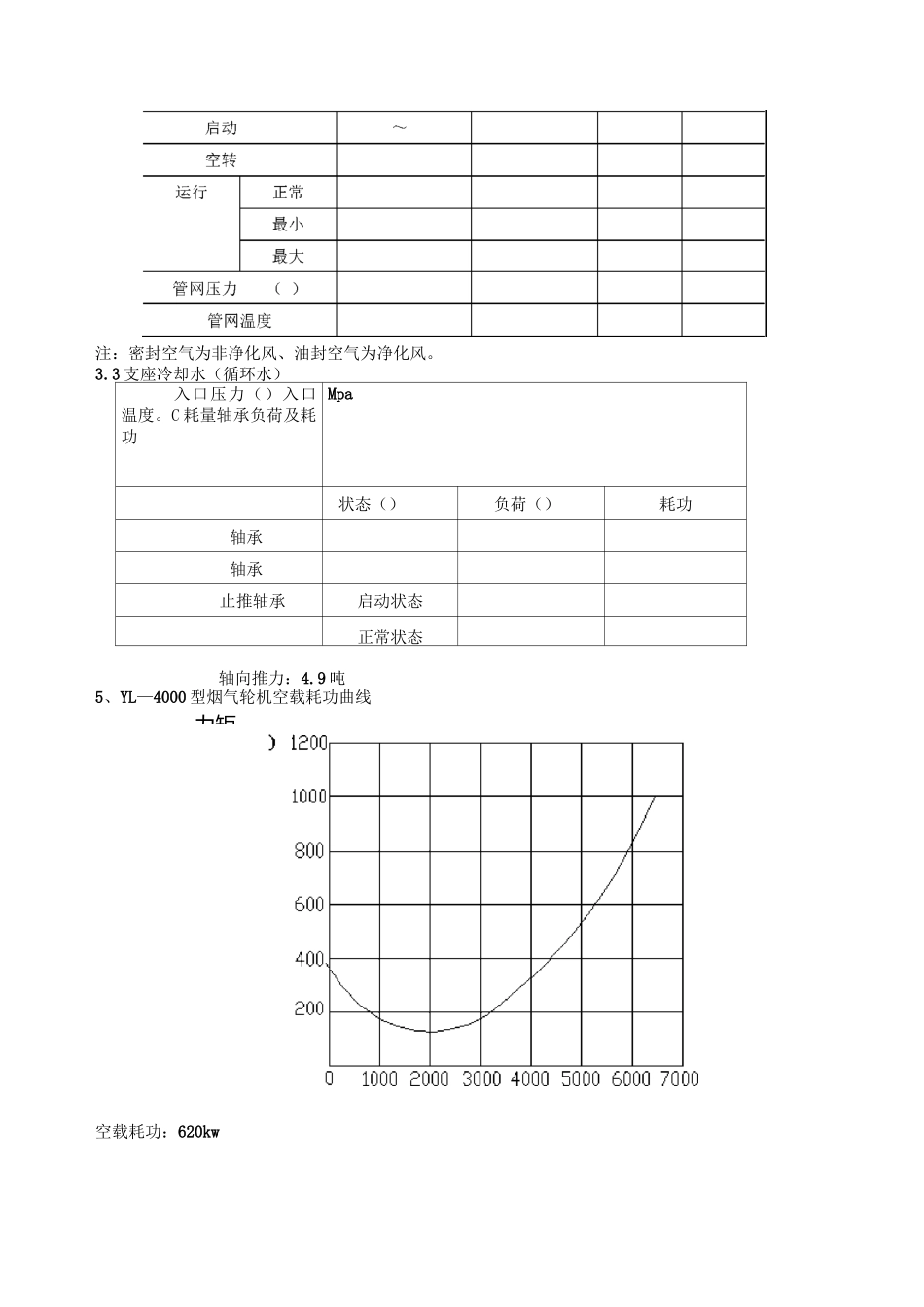
DDDD1、烟气轮机简介烟气轮机是炼油厂催化裂化装置专用透平,再生烟气中的热能和压力能通过它膨胀作功,转变为机械能。烟气轮机输出的功率用来驱动主风或电机,从而达到回收能量的目的。催化裂化再生烟气中含有一定数量的催化剂固体颗粒。根据气—固两相流动的特点,烟气轮机在设计上,除考虑热膨胀和高温强度以外。特别注意了防止和减轻催化剂固体颗粒对通流部分的冲蚀和磨损。单级烟气轮机为单级透平,采用轴向进气悬臂转子结构。YL-4000M型烟气轮机是兰州石油化工公司为宁波科元塑胶有限公司制造的一台单级烟气轮机,其大致结构如下图。2、设计参数入口压力:0.19Mpa(A)入口温度:670°C额定功率:4050kw平均分子量:29.21出口温度:578C烟气流量:1676NM3/min出口压力:Mpa(A)绝热效率:79%额定转速:6336r/min3、消耗指标3.1润滑油(VG46)进油温度:40〜C过虑精度:|J进油压()〜Mpa(轴承A),0.08〜(轴承)耗油量:轴承轴承和止推轴承蒸汽、空气轮盘冷却蒸汽密封蒸汽密封空气油封空气暧机力矩注:密封空气为非净化风、油封空气为净化风。3.3支座冷却水(循环水)入口压力()入口温度。C耗量轴承负荷及耗功Mpa状态()负荷()耗功轴承轴承止推轴承启动状态正常状态轴向推力:4.9吨5、YL—4000型烟气轮机空载耗功曲线空载耗功:620kw启动力矩:1000N.m额定转速:6336rpm静磨擦阻力矩:380N.m6、其它数据6.1烟机轴端冷态找正数据热态垂直方向水平方向注:安装时,环境温度按°C计算。烟机总重量:最大安装件(底座)重量:最大检修重量:烟机对基础振动最大允许值:基础顶面振动速度W(单位mm)冷态630轮盘温度场DDDDDDDDD、转子组件转子组件由轮盘,动叶片和主轴等组成。轮盘与主轴之间以止口定位。热装后用拉杆螺栓联接,在考虑到轮盘和拉杆在工作时的热膨胀等因素,拉杆应有足够的预紧力,并采用套筒传扭。轮盘为实心结构,彩高温合金材料模锻并加工而成,轮缘开枞树形叶根槽,用以装入带枞树形叶根的动叶片,动叶片由高温合金精铸或模锻成型,叶身部分喷涂“长城一号”耐磨涂层。、进气机壳它主要由进气锥组件、静叶片组件组成,进气机壳为不锈钢焊接件,进气锥体为不锈钢铸件并焊接在进气机壳内,静叶片组件由静叶片、固定镶套和端面梳齿密封环(或蜂窝密封环)组成一个组合件,用螺栓紧固在进气锥端部,在进气壳体上设有可调式挠性辅助支撑。、过渡机壳过渡机壳是一衬环。带有防冲蚀台阶结构。为减缓催化剂固体颗粒对通流边界的冲蚀和磨损,衬环内壁喷涂耐麿涂层。、排气机壳由不锈钢焊接的排气机壳为整体形。它由进出口法兰扩压器及壳体组成整个机壳用进口端法兰上的两个支耳有机体上的两个支耳支承在底座上,在支耳与底座间设有调整垫片,在进口端法兰的两个支耳和底座的支承面之间设置横向导键;在排气机壳的前端和后端设置纵向导键,以保证烟机在热态时壳体膨胀走向合理。车轴^承箱^及车轴^承轴承箱系水平剖分结构,由箱体和箱盖组成,均为铸钢件。其上装有轴承和油封及测转速、测轴振动探头、并接有轴承润滑油进出口管线。轴承部件由两组径向轴承和一组止推轴承组成。固定在轴承箱内。径向轴承为四油叶滑动轴承或可倾瓦轴承,主止推轴承为八块的金氏伯里节油轴承或米契尔轴承。在装配时,转子相对于机壳的对中与定位通过轴承箱底面下的调整垫片来调节,用螺栓和定位销固定在底座上。、轴封气路系统、轴密封气路系统轴密封采用蒸汽和空气两段迷宫密封,蒸汽密封用蒸汽由系统蒸汽(°C)管网引出,通过节流孔板和压差控制阀组,注入气封体内的蒸汽密封段,空气密封采用非净化空气,由系统非净化空气(常温)管网引出,通过无截止阀注入气超过封体内的空气密封段。通过烟气与密封蒸汽的压差控制,实现轮盘与气封体之间的空腔蒸汽压力大于动叶后的烟气压力,使密封蒸汽进入烟气流道,通过手动控制密封空气管线上的截止阀,实现密封空气压力大于密封蒸汽压力,以防止蒸汽从轴端泄漏,密封空气一部分流入抽气空腔,和少量蒸汽一起,由抽气口抽出机外,另一部分经迷宫密封泄入大气。、轴承密封气路系统轴承箱盖和轴承体的前端,设有轴承密封气路系统。该系统采用净...

1、当您付费下载文档后,您只拥有了使用权限,并不意味着购买了版权,文档只能用于自身使用,不得用于其他商业用途(如 [转卖]进行直接盈利或[编辑后售卖]进行间接盈利)。
2、本站所有内容均由合作方或网友上传,本站不对文档的完整性、权威性及其观点立场正确性做任何保证或承诺!文档内容仅供研究参考,付费前请自行鉴别。
3、如文档内容存在违规,或者侵犯商业秘密、侵犯著作权等,请点击“违规举报”。

碎片内容

烟气轮机说明书教材

确认删除?
VIP
微信客服
  • 扫码咨询
会员Q群
  • 会员专属群点击这里加入QQ群
客服邮箱
回到顶部