电脑桌面
添加小米粒文库到电脑桌面
安装后可以在桌面快捷访问

除尘工艺比较VIP免费

除尘工艺比较_第1页
1/6
除尘工艺比较_第2页
2/6
除尘工艺比较_第3页
3/6
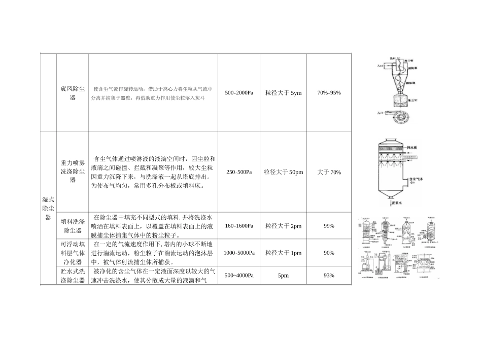
类型名称原理压损适用范围除尘效率图例机械除尘器重力除尘器含尘气体通过管道的扩大部分(重力沉降室),流速大大降低,较大尘粒在重力作用下沉降下来。50〜150Pa粒径大于40pm40%〜50%驛9网』*if・•惯性力除尘器含尘气体冲击在挡板或滤层上,气流急转,粒径即在惯性力作用下与气流分离。有碰撞型和回转型两种。200〜lOOOPa粒径大于20pm50%〜70%F4M1―.—Ari'fn1mn»Acr3.(Ml疋■■j(y菲□已輛P*CT呛■屉旋风除尘器使含尘气流作旋转运动,借助于离心力将尘粒从气流中分离并捕集于器壁,再借助重力作用使尘粒落入灰斗500〜2000Pa粒径大于5ym70%〜95%湿式除尘器重力喷雾洗涤除尘器含尘气体通过喷淋液的液滴空间时,因尘粒和液滴之间碰撞、拦截和凝聚等作用,较大尘粒因重力沉降下来,与洗涤液一起从塔底排出。为使布气均匀,常用多孔分布板或填料床。250〜500Pa粒径大于50pm大于70%填料洗涤除尘器在除尘器中填充不同型式的填料,并将洗涤水喷洒在填料表面上,以覆盖在填料表面上的液膜捕尘体捕集气体中的粉尘粒子。160〜1600Pa粒径大于2pm99%可浮动填料层气体净化器在一定的气流速度作用下,塔内的小球不断地进行湍流运动,粉尘粒子在湍流运动的泡沐层中,被气体射流捕尘体所捕获。1000〜5000Pa粒径大于1pm90%贮水式洗涤除尘器被净化的含尘气体在一定液面深度以较大的气速冲击洗涤水,使其分散成大量的液滴和气500~4000Pa5pm93%含尘气体中的粉尘粒子被这些分散的液滴和气泡所捕获,并共同沉降于捕尘室的底部。湿式离心除尘器将干式旋风除尘器的离心力原理应用于具有喷淋或在气壁上形成液膜的湿式除尘器中,即构成了湿式离心除尘器。300〜1500Pa40〜200pm85%〜100%文丘里洗涤除尘器文丘里管包括收缩段、喉管和扩散段。含尘气体进入收缩段后,流速增大,进入喉管时达到最大值。洗涤液从收缩段或喉管加入,气液两相间相对流速很大,液滴在高速气流下雾化,气体湿度达到饱和,尘粒被水湿润。尘粒与液滴或尘粒之间发生激烈碰撞和凝聚。在扩散段,气液速度减小,压力回升,以尘粒为凝结核的凝聚作用加快,凝聚成直径较大的含尘液滴,进而在除雾器内被捕集1000〜9000Pa0.1〜100pm80%〜99%喷射式洗涤除尘器洗涤水从带有螺旋叶片的喷雾高速地以旋转状态喷出,吸引周围的含尘气体,含尘气体和洗涤水射流在喉管处加速,并在扩张管中进行液气混合,气体中的粉尘粒子与洗涤水的液滴发生惯性碰撞而被捕集。1000〜9000Pa大于0.2pm80%~99%i•_|尸FPn弓护uHe旋转式洗涤除尘器利用回转的叶片使含尘气体和洗涤水掺混并形成大量水滴、水膜和气泡等捕集气体粉尘粒子的除尘装置。500~1500Pa大于0.2pm80%~99%过滤除尘器袋式除尘器滤袋采用纺织的滤布或非纺织的毡制成,利用纤维织物的过滤作用对含尘气体进行过滤,当含尘气体进入袋式除尘器后,颗粒大、比重大的粉尘,由于重力的作用沉降下来,落入灰斗,含有较细小粉尘的气体在通过滤料时,粉尘被阻留,使气体得到净化。1500〜2000Pa大于0.4pm滤筒式除尘器含尘气体进入除尘器灰斗后,由于气流断面突然扩大及气流分布板作用,气流中一部分粗大颗粒在动和惯性力作用下沉降在灰斗;粒度细、密度小的尘粒进入滤尘室后,通过布朗扩散和筛滤等组合效应,使粉尘沉积在滤料表面上,净化后的气体进入净气室由排气管经风机排出。小于1500Pa大于0.4pm塑烧板除尘器含尘气体由风道进入箱体的滤板过滤区,当含尘气体由烧结板的外表面通过塑烧板时,粉尘被阻留在烧结板表面的PTFE涂层上,洁净气体则通过烧结板,并由滤板口进入箱体净气室后由出风口排出,附着在烧结板外表面的灰尘将随着脉冲反吹或重力作用洛入下面的灰斗1300~2200Pa大于1pm99%99.6%以上99.999%11.HMM2.虫T3.超*in1Z15申昵%啊旧u.fl.ais乩m7.电港*冲制E.刑・亂■■■>-|C^颗粒层除尘器以硅砂、砾石、矿渣和焦炭等颗粒状颗粒物作为滤料,去除含尘气体中粉尘粒子的一种内滤式装置1700〜2000Pa烟气通过电除尘器主体结构前的烟道时,使其烟尘带正电荷,然后烟气进入设置多层阴极板的电除尘器通道300〜500Pa大于5gm电除尘器95%以上99%电袋复合式除尘器由于在电袋复合式除尘器中,烟气先通过电除尘区后再缓慢进入后...

1、当您付费下载文档后,您只拥有了使用权限,并不意味着购买了版权,文档只能用于自身使用,不得用于其他商业用途(如 [转卖]进行直接盈利或[编辑后售卖]进行间接盈利)。
2、本站所有内容均由合作方或网友上传,本站不对文档的完整性、权威性及其观点立场正确性做任何保证或承诺!文档内容仅供研究参考,付费前请自行鉴别。
3、如文档内容存在违规,或者侵犯商业秘密、侵犯著作权等,请点击“违规举报”。

碎片内容

除尘工艺比较

确认删除?
VIP
微信客服
  • 扫码咨询
会员Q群
  • 会员专属群点击这里加入QQ群
客服邮箱
回到顶部