电脑桌面
添加小米粒文库到电脑桌面
安装后可以在桌面快捷访问

光伏支架受力计算书..VIP免费

光伏支架受力计算书.._第1页
1/23
光伏支架受力计算书.._第2页
2/23
光伏支架受力计算书.._第3页
3/23
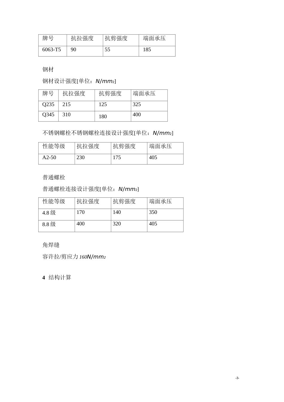
-1-支架结构受力计算书设计:日期:校对:日期:审核:日期:_常州市**实业有限公司1工程概况项目名称:*****30MW光伏并网发电项目常州市**实业有限公司-2-工程地址:新疆建设单位:**集团结构高度:电池板边缘离地不小于500mm-3-牌号抗拉强度抗剪强度端面承压6063-T59055185钢材钢材设计强度[单位:N/mm2]牌号抗拉强度抗剪强度端面承压Q235215125325Q345310180400不锈钢螺栓不锈钢螺栓连接设计强度[单位:N/mm2]性能等级抗拉强度抗剪强度端面承压A2-50230175405普通螺栓普通螺栓连接设计强度[单位:N/mm2]性能等级抗拉强度抗剪强度端面承压4.8级1701403508.8级400320405角焊缝容许拉/剪应力160N/mm24结构计算常州市**实业有限公司-4-SON常州市**实业有限公司-5-4・2支架结构支架安装侧视图4.3基本参数1)电站所在地区参数新疆阿勒泰项目地,所处经纬度:位于北纬43。,东经89°。基本风压0.56kN/m2(风速30m/s),基本雪压1.35kN/m2。2)地面粗糙度分类等级A类:指近海海面和海岛、海岸、湖岸及沙漠地区;B类:指田野、乡村、丛林、丘陵以及房屋比较稀疏的乡镇和城市郊区;C类:指有密集建筑群的城市市区;D类:指有密集建筑群且房屋较高的城市市区;依照上面分类标准,本工程按B类地区考虑。LT常州市**实业有限公司-6-(GB50009-2012)4.4荷载计算1)风荷载标准值计算:表乩氐1阵风系数乐离地面高度地面粗糙度类别ABCD51.651・702*052.40101.601.70Z052.40151.571.662,OS2*40201.551.63L992.40301.53L59L902.4040L51L57L852.2950L491.55L@12.20601.48L54L78Z1470L481.52L752.09801.471.51L732.04901.46L5O1.712,01根据《光伏发电站设计规范》GB50797-20126.8.7-1常州市**实业有限公司-7-表8.11风压高度变化系数卅高度变化系数:卩二1.0;z根据《光伏发电站设计规范》GB50797-20126.8.7-1体型系数:顺风:卩二1.3;逆风:卩=-1.4SS风荷载:w=卩卩卩wkzzS0顺风:=1.7x1.0x1.3x0.56=1.2376kN/m2w1=卩HHwkzzS0逆风:=1.7x1.0x(-1.4)x0.56=-1.3328kN/m22)雪荷载标准值计算:S=HSkr0上式中:S:雪荷载标准值(kN/m2);常州市**实业有限公司-8-k常州市**实业有限公司-9-卩:屋面积雪分布系数;rs:基本雪压(kN/m2);0根据《光伏发电站设计规范》GB50797-20126.8.7-1r雪荷载:S=pSkr0=0.64x1.35=0.864kN/m23)地震荷载计算:<1>设防烈度:8度<2>地震加速度:0.20g水平地震作用计算:F=BaGEhKemaxeq上式中:F:水平地震作用标准值;EhKB:动力放大系数,取2.5;ea:水平地震影响系数最大值,按相应设防烈度取值max-6度:amax=0.04-7度:amax二0.08-8度:a二0.16表屋面积雪分布系数常州市**实业有限公司-10-max_9度:a二0.32maxG:结构等效总重力荷载;eq单块组件的地震荷载为:F=paGEhKemaxeq=2.5x0.16x196=78.4N4)基本组合的荷载分项系数,应按下列规定采用<1>承载力计算时:重力荷载:1.2风荷载:1.4雪荷载:1.4地震荷载:1.3<2>绕度和变形计算时:重力荷载:1.0风荷载:1.0地震荷载:1.0雪荷载:1.05)荷载组合值系数:风荷载:0.6(GB50797-20126.8.7-1)雪荷载:0.7(GB50797-20126.8.7-1)6)荷载效应组合的设计值计算无地震作用效应组合时(GB50797-20126.8.7-2):S二丫屮S+丫屮S+丫屮SGGGKwwwKsssK上式中:S:荷载效应组合的设计值;Y:永久荷载分项系数;GS:永久荷载效应标准值;GKS:风荷载效应标准值;wKS:雪荷载效应标准值;sK常州市**实业有限公司-11-正常使用极限状态(位移变形)计算:顺风时:无地震时:F=(丫屮S+丫屮S+丫屮S)/21GGGKwwwKsssK=(1.0xG+1.0x0.6xwS+1.0x0.7xsS)/2PVkPVkPV=(1.0x196+1.0x0.6x1237.6x1.63+1.0x0.7x864x1.63)/2=1196N有地震时:F'=(丫屮S+丫屮S+丫S)/21GGGKwwwKEhEhK=(1.0xG+1.0x0.6xwS+1.0xF)/2PVkPVEhK=(1.0x196+1.0x0.6x1237.6x1.63+1.0x78.4)/2=742N逆风时:F'=(w'S+Gcos37。)/21kPVPV=((-1332.8)x1.64x0.992+196xcos37。)/2-1006N承载能力极限状态(强度)计算:无地震时:F=(丫屮S+丫屮S+丫屮S)/22GGGKwwwKsssK=(1.2xG+1.4x0.6xwS+1.4x0.7xsS)/2PVkPVkPV=(1.2x196+1.4x0.6x1237.6x1.63+1.4x0.7x864x1.63)/2=1655N有地震时:F'=(丫屮S+丫屮S+丫S)/22GGGKwwwKEhEhK=(1....

1、当您付费下载文档后,您只拥有了使用权限,并不意味着购买了版权,文档只能用于自身使用,不得用于其他商业用途(如 [转卖]进行直接盈利或[编辑后售卖]进行间接盈利)。
2、本站所有内容均由合作方或网友上传,本站不对文档的完整性、权威性及其观点立场正确性做任何保证或承诺!文档内容仅供研究参考,付费前请自行鉴别。
3、如文档内容存在违规,或者侵犯商业秘密、侵犯著作权等,请点击“违规举报”。

碎片内容

光伏支架受力计算书..

wxg+ 关注
实名认证
内容提供者

该用户很懒,什么也没介绍

确认删除?
VIP
微信客服
  • 扫码咨询
会员Q群
  • 会员专属群点击这里加入QQ群
客服邮箱
回到顶部