电脑桌面
添加小米粒文库到电脑桌面
安装后可以在桌面快捷访问

悬挑式脚手架验收表VIP免费

悬挑式脚手架验收表_第1页
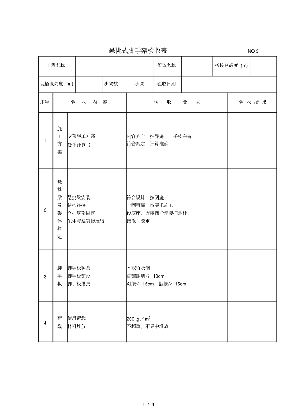
1/4
悬挑式脚手架验收表_第2页
2/4
悬挑式脚手架验收表_第3页
3/4
1/4悬挑式脚手架验收表NO3工程名称架体名称搭设总高度(m)现搭设高度(m)步架数步架验收日期序号验收内容验收要求验收结果1施工方案专项施工方案设计计算书内容齐全,指导施工,手续完备符合规定,计算准确2悬挑梁及架体稳定悬挑梁安装结构连接立杆底部固定架体与建筑物拉结符合设计,按图施工牢固可靠,按要求施工设底座、焊接螺栓连接扫地杆按设计要求3脚手板脚手板种类脚手板铺设脚手板搭接木或竹及钢满铺距墙≤10cm对接≤15cm,搭接≥15cm4荷载使用荷载材料堆放200kg/m2不超重,不集中堆放2/45杆件间距立杆间距大横杆间距按设计按设计3/4序号验收内容验收要求验收结果6架体防护施工层栏杆施工层挡脚板外侧密目网1.2m高,两道水平栏杆18cm高连续铺设架体外侧用2021目立网7层间防护架体底部兜网层间平网施工层平网从挑架层开始设一道不超10m设一道施工操作下方设一道8剪刀撑剪刀撑宽度角度剪刀撑间距剪刀撑高度宽度不应小于4跨,且不小于6m,斜杆与地面之间的倾角45°-60°纵向不大于15m设一组沿脚手架高度连续设置9架体材质挑梁规格、材质架体钢管扣件脚手板符合设计要求规格统一,无裂缝不脆裂,拧紧力矩40~65N·m5cm厚、20cm宽、4m长,两端封头验收签字搭设负责人:安全负责人:项目负责人:验收人员:验收结论技术负责人:年月日4/4注:外脚手架每升高一步都必须按对应的脚手架验收表进行验收,并将验收结果在此表中进行汇总登记。

1、当您付费下载文档后,您只拥有了使用权限,并不意味着购买了版权,文档只能用于自身使用,不得用于其他商业用途(如 [转卖]进行直接盈利或[编辑后售卖]进行间接盈利)。
2、本站所有内容均由合作方或网友上传,本站不对文档的完整性、权威性及其观点立场正确性做任何保证或承诺!文档内容仅供研究参考,付费前请自行鉴别。
3、如文档内容存在违规,或者侵犯商业秘密、侵犯著作权等,请点击“违规举报”。

碎片内容

悬挑式脚手架验收表

确认删除?
VIP
微信客服
  • 扫码咨询
会员Q群
  • 会员专属群点击这里加入QQ群
客服邮箱
回到顶部