电脑桌面
添加小米粒文库到电脑桌面
安装后可以在桌面快捷访问

排水管道灌水试验VIP免费

排水管道灌水试验_第1页
1/14
排水管道灌水试验_第2页
2/14
排水管道灌水试验_第3页
3/14
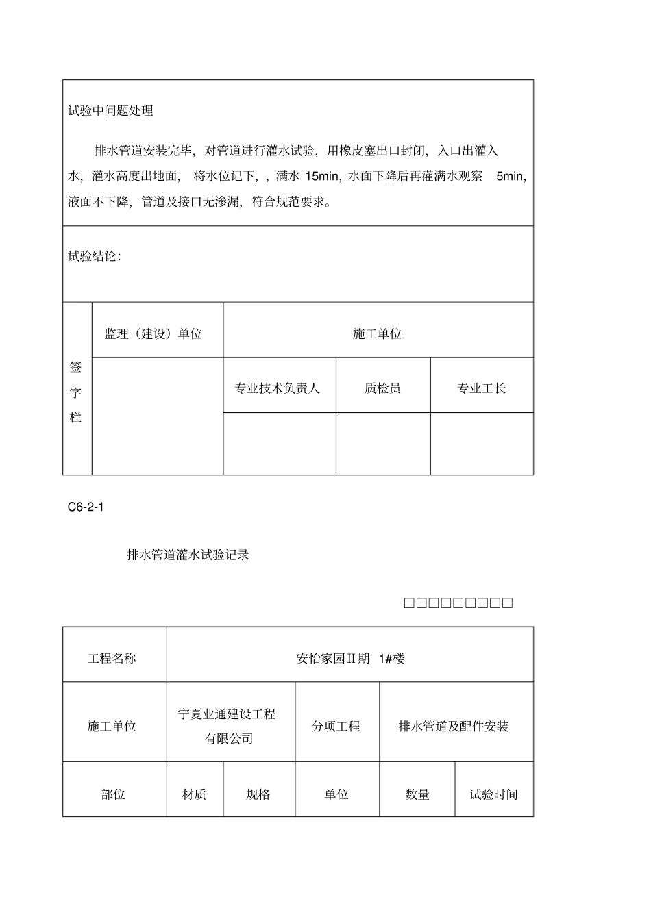
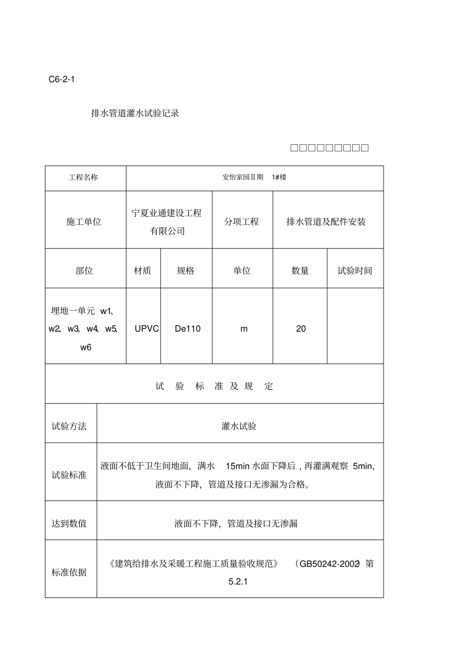
C6-2-1排水管道灌水试验记录□□□□□□□□□工程名称安怡家园Ⅱ期1#楼施工单位宁夏业通建设工程有限公司分项工程排水管道及配件安装部位材质规格单位数量试验时间埋地一单元w1、w2、w3、w4、w5、w6UPVCDe110m20试验标准及规定试验方法灌水试验试验标准液面不低于卫生间地面,满水15min水面下降后,再灌满观察5min,液面不下降,管道及接口无渗漏为合格。达到数值液面不下降,管道及接口无渗漏标准依据《建筑给排水及采暖工程施工质量验收规范》(GB50242-2002)第5.2.1试验中问题处理排水管道安装完毕,对管道进行灌水试验,用橡皮塞出口封闭,入口出灌入水,灌水高度出地面,将水位记下,,满水15min,水面下降后再灌满水观察5min,液面不下降,管道及接口无渗漏,符合规范要求。试验结论:签字栏监理(建设)单位施工单位专业技术负责人质检员专业工长C6-2-1排水管道灌水试验记录□□□□□□□□□工程名称安怡家园Ⅱ期1#楼施工单位宁夏业通建设工程有限公司分项工程排水管道及配件安装部位材质规格单位数量试验时间埋地二单元..W11.W12UPVCDe160m20试验标准及规定试验方法灌水试验试验标准液面不低于卫生间地面,满水15min水面下降后,再灌满观察5min,液面不下降,管道及接口无渗漏为合格。达到数值液面不下降,管道及接口无渗漏标准依据《建筑给排水及采暖工程施工质量验收规范》(GB50242-2002)第5.2.1试验中问题处理排水管道安装完毕,对管道进行灌水试验,用橡皮塞出口封闭,入口出灌入水,灌水高度出地面,将水位记下,,满水15min,水面下降后再灌满水观察5min,液面不下降,管道及接口无渗漏,符合规范要求。试验结论:签字栏监理(建设)单位施工单位专业技术负责人质检员专业工长C6-2-1排水管道灌水试验记录□□□□□□□□□工程名称安怡家园Ⅱ期1#楼施工单位宁夏业通建设工程有限公司分项工程排水管道及配件安装部位材质规格单位数量试验时间埋地三单元..W17.W18UPVCDe110m20试验标准及规定试验方法灌水试验试验标准液面不低于卫生间地面,满水15min水面下降后,再灌满观察5min,液面不下降,管道及接口无渗漏为合格。达到数值液面不下降,管道及接口无渗漏标准依据《建筑给排水及采暖工程施工质量验收规范》(GB50242-2002)第5.2.1试验中问题处理排水管道安装完毕,对管道进行灌水试验,用橡皮塞出口封闭,入口出灌入水,灌水高度出地面,将水位记下,,满水15min,水面下降后再灌满水观察5min,液面不下降,管道及接口无渗漏,符合规范要求。试验结论:签字栏监理(建设)单位施工单位专业技术负责人质检员专业工长C6-2-1排水管道灌水试验记录□□□□□□□□□工程名称安怡家园Ⅱ期1#楼施工单位宁夏业通建设工程分项工程排水管道及配件安装有限公司部位材质规格单位数量试验时间埋地四单元..W23.W24UPVCDe110m20试验标准及规定试验方法灌水试验试验标准液面不低于卫生间地面,满水15min水面下降后,再灌满观察5min,液面不下降,管道及接口无渗漏为合格。达到数值液面不下降,管道及接口无渗漏标准依据《建筑给排水及采暖工程施工质量验收规范》(GB50242-2002)第5.2.1试验中问题处理排水管道安装完毕,对管道进行灌水试验,用橡皮塞出口封闭,入口出灌入水,灌水高度出地面,将水位记下,,满水15min,水面下降后再灌满水观察5min,液面不下降,管道及接口无渗漏,符合规范要求。试验结论:签字栏监理(建设)单位施工单位专业技术负责人质检员专业工长C6-2-1排水管道灌水试验记录□□□□□□□□□工程名称安怡家园Ⅱ期1#楼施工单位宁夏业通建设工程有限公司分项工程排水管道及配件安装部位材质规格单位数量试验时间一单元w1、w2、w3、w4、w5、w6UPVCDe75m20试验标准及规定试验方法灌水试验试验标准液面不低于卫生间地面,满水15min水面下降后,再灌满观察5min,液面不下降,管道及接口无渗漏为合格。达到数值液面不下降,管道及接口无渗漏标准依据《建筑给排水及采暖工程施工质量验收规范》(GB50242-2002)第5.2.1试验中问题处理排水管道安装完毕,对管道进行灌水试验,用橡皮塞出口封闭,入口出灌入水,灌水高度出地面,将水位记下,,满水15min,水面...

1、当您付费下载文档后,您只拥有了使用权限,并不意味着购买了版权,文档只能用于自身使用,不得用于其他商业用途(如 [转卖]进行直接盈利或[编辑后售卖]进行间接盈利)。
2、本站所有内容均由合作方或网友上传,本站不对文档的完整性、权威性及其观点立场正确性做任何保证或承诺!文档内容仅供研究参考,付费前请自行鉴别。
3、如文档内容存在违规,或者侵犯商业秘密、侵犯著作权等,请点击“违规举报”。

碎片内容

排水管道灌水试验

您可能关注的文档

确认删除?
VIP
微信客服
  • 扫码咨询
会员Q群
  • 会员专属群点击这里加入QQ群
客服邮箱
回到顶部