电脑桌面
添加小米粒文库到电脑桌面
安装后可以在桌面快捷访问

超前探孔技术交底VIP专享VIP免费

超前探孔技术交底_第1页
1/8
超前探孔技术交底_第2页
2/8
超前探孔技术交底_第3页
3/8
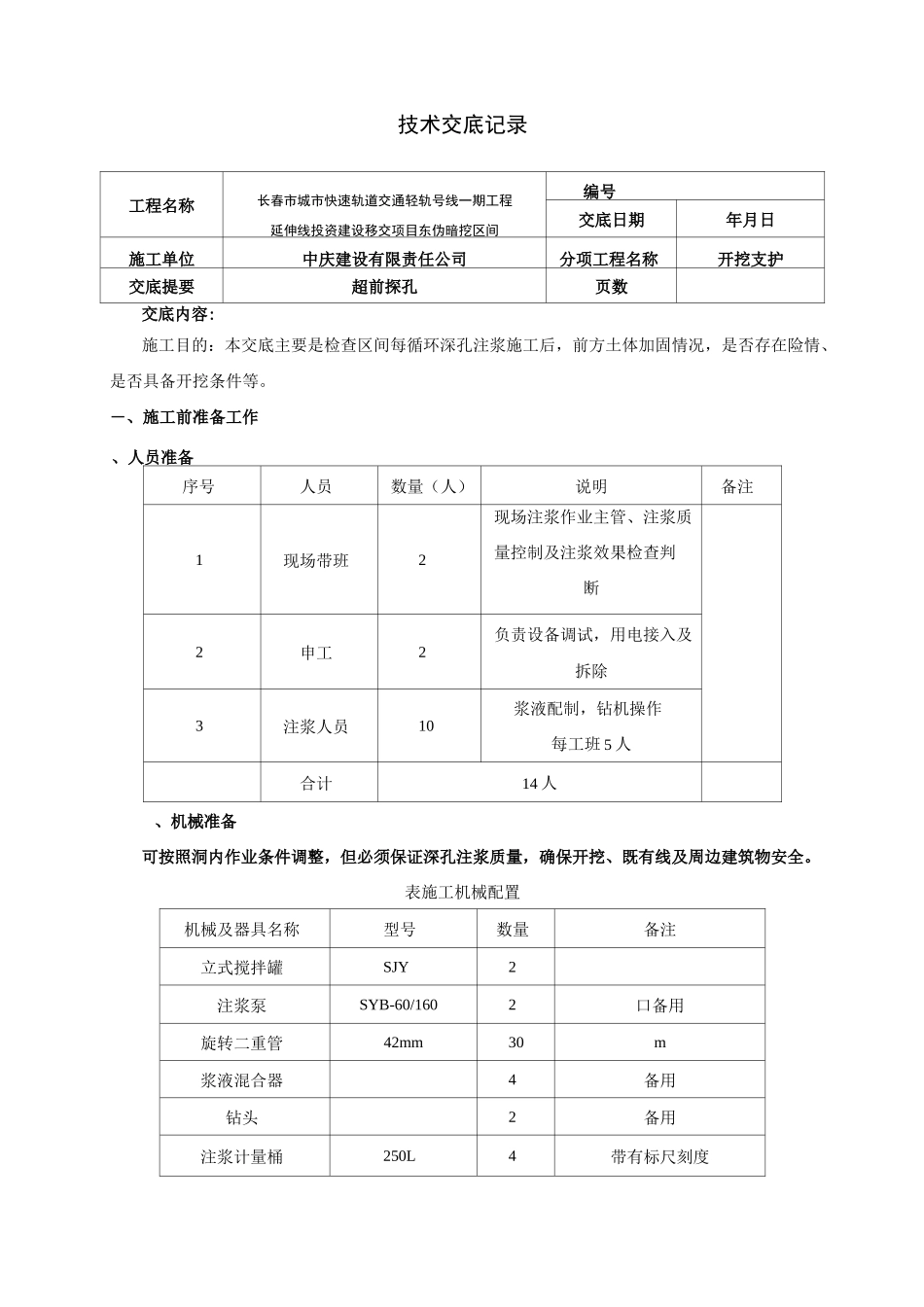
技术交底记录工程名称长春市城市快速轨道交通轻轨号线一期工程延伸线投资建设移交项目东伪暗挖区间编号交底日期年月日施工单位中庆建设有限责任公司分项工程名称开挖支护交底提要超前探孔页数交底内容:施工目的:本交底主要是检查区间每循环深孔注浆施工后,前方土体加固情况,是否存在险情、是否具备开挖条件等。―、施工前准备工作、人员准备序号人员数量(人)说明备注1现场带班2现场注浆作业主管、注浆质量控制及注浆效果检查判断2申工2负责设备调试,用电接入及拆除3注浆人员10浆液配制,钻机操作每工班5人合计14人、机械准备可按照洞内作业条件调整,但必须保证深孔注浆质量,确保开挖、既有线及周边建筑物安全。表施工机械配置机械及器具名称型号数量备注立式搅拌罐SJY2注浆泵SYB-60/1602口备用旋转二重管42mm30m浆液混合器4备用钻头2备用注浆计量桶250L4带有标尺刻度压力表6Mpa3使用前需进行检验标定钻机TXU-1502口备用3、材料准备・水玻璃、磷酸氢二钠、缓凝剂、水泥、水、注浆堵漏灵。二、施工方法每循环注浆后,进行钻孔检查。钻孔有效长度:比注浆长度长不小于3m。如本次注浆长度12m,探孔长度至少15m。1、准备工作(1)钻机就位之前,先进行测量放线工作,测量出每个孔的具体位置,并用红油漆标出。(2)搭设脚手架、严格按照相关技术规程进行。(3)熟悉技术交底所交的相关内容。2、钻孔的布置及工序(1)钻孔布置如下图2所示。图深孔注浆施作方法工序示意图(3)深孔注浆工序示意图东-伪区间双连拱结构下穿长春百货仓库区域,区域上方为老旧建筑群,且结构性能较差,建议双连拱区间全部采用全断面注浆工法,加固隧道全断面土体,防止地下水侵入导洞内部,增大开挖难度。选用全断面注浆可以保证开挖安全性,并且能够更好的控制地面沉降量,确保地面建筑物安全。布孔示意图如下图5所示:图5双连拱断面注浆示意图5、注浆材料的选择(1)注浆材料及浆液选择注浆材料选择关系到注浆的成败和工程造价。不同地层条件的渗透系数存在很大差异,根据注浆材料的特性进行针对性的选择,既能达到预期的效果又能节约工程费用。注浆对浆液的要求:①初始粘度低、流动性好、可灌性强、能渗透到细小的裂隙或孔隙;②早期强度高,注浆完成后可立即进行开挖;③可控性强,凝胶时间可以任意调整,准确控制;④稳定性好,有较好的耐久性;⑤结石体具有一定的抗压、抗拉强度,抗渗性和抗冲刷性好;⑥材料配制及操作简单;⑦材料来源广泛,价格便宜;⑧无公害,无污染环境。本工程的难点是控制暗挖区间水量及沉降,由于水泥浆液初凝时间较长,凝固后收缩较大的特点,所以单一的水泥无法满足现场的施工要求,结合本工程工程地质、水文地质条件,综合考虑注浆效果、工期、造价,在粘土及粉质粘土地层选择水泥浆液中加入水玻璃。这种浆液克服了单液水泥浆的凝结时间长且难以控制、动水条件下结石率低等缺点,提高了水泥注浆的效果,扩大了水泥注浆的范围,在地下水流速较大的地层中采用这种混合型浆液可达到快速堵漏的目的。6、主要注浆材料注浆原材料主要为普通水泥、水玻璃、缓凝剂、外加剂等,其他耗材还包括热轧无缝钢管、塑料管等。7、注浆参数主要包括浆液配比、胶凝时间、注浆段长度、注浆压力、孔位布置、注浆量、注浆结束标准等。经过小导管注浆试验,确定在粉质粘土及较密实粉细砂地带采用注浆浆液为水泥〜水玻璃双液浆。指导配合比为水灰比1:1,水泥水玻璃比为1:1,水玻璃浓度35Be‘,掺入2.5%磷酸氢二钠。浆液配置应以指导配比为基础,本指导配比为第一循环注浆试验段配比,后续施工注浆材料、浆液配置应以第一循环采用浆液和指导配合比为基础,在现场进行多次试配,结合注浆效果确定。8、注浆量(1)按照钻孔施工顺序图,钻孔完成后即进行该孔的注浆,全段总注浆量如下:计算依据:注浆量可按以下公式计算:L=VXnXa(1+卩)式中:L=注浆量,单位m3;V=注浆范围土体体积,单位m3;n=地层(粉质粘土和粘土)孔隙率:0.6-0.9;3=浆液充填系数,0.7〜0.9,取0.8;浆液损失率卩:10%〜30%,取20%;设计中,nXa(1+P)统称为填充率,填充率按下表选用。表填充率选用表序号地质条件填充率粉质粘土、...

1、当您付费下载文档后,您只拥有了使用权限,并不意味着购买了版权,文档只能用于自身使用,不得用于其他商业用途(如 [转卖]进行直接盈利或[编辑后售卖]进行间接盈利)。
2、本站所有内容均由合作方或网友上传,本站不对文档的完整性、权威性及其观点立场正确性做任何保证或承诺!文档内容仅供研究参考,付费前请自行鉴别。
3、如文档内容存在违规,或者侵犯商业秘密、侵犯著作权等,请点击“违规举报”。

碎片内容

超前探孔技术交底

确认删除?
VIP
微信客服
  • 扫码咨询
会员Q群
  • 会员专属群点击这里加入QQ群
客服邮箱
回到顶部