电脑桌面
添加小米粒文库到电脑桌面
安装后可以在桌面快捷访问

2013高考班机械基础10月考题VIP免费

2013高考班机械基础10月考题_第1页
1/2
2013高考班机械基础10月考题_第2页
2/2
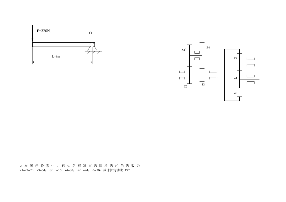
《机械基础》月考试题(总分:85分)姓名得分一、填空(每空3分,共24分)1.顺序阀的出口压力进口压力。2.力对物体的作用效果取决于。3.液压泵按结构分为、和。4.轴上零件的固定包括和。5.缝纫机踏板机构的动力元件是。二、判断(每小题3分,共12分)1.油液流经无分支的不同截面积的管道时,在每一截面的流量是不相等的。()2.作用在活塞上的推力越大,活塞的运动速度越快。()3.滚动轴承比滑动轴承的运转速度高。()4.作用在同一物体上的作用力和反作用力,两力的大小相等,方向相反,沿着同一直线上。()三、选择(每小题3分,共12分)1.电磁换向阀采用的操纵方式是()A.手动B.机动C.电磁动D.液动2.轴承71206的内径为()A.6B.30C.106D.603.V带截面最大的是()A.Y型B.B型C.E型D.C型4.由齿轮减速器、带和链组成的减速系统中,其传动顺序应该是()A.带→链→齿轮减速器B.带→齿轮减速器→链C.链→齿轮减速器→带D.链→带→齿轮减速器四、作图题(每小题8分,共16分)1.AB杆重G,画出AB杆的受力图2.画出AB杆的受力图五、计算题(第1小题5分,第2小题16分,共21分)1.计算下图中F力对O点的矩(5分)ABCWABF2.在图示轮系中,已知各标准直齿圆柱齿轮的齿数为z1=z2=20,z3=64,z3’=16,z4=30,z4’=24,z5=36。试计算传动比i15?F=320NL=3mOZ2Z1Z3Z3'Z4Z4'Z5

1、当您付费下载文档后,您只拥有了使用权限,并不意味着购买了版权,文档只能用于自身使用,不得用于其他商业用途(如 [转卖]进行直接盈利或[编辑后售卖]进行间接盈利)。
2、本站所有内容均由合作方或网友上传,本站不对文档的完整性、权威性及其观点立场正确性做任何保证或承诺!文档内容仅供研究参考,付费前请自行鉴别。
3、如文档内容存在违规,或者侵犯商业秘密、侵犯著作权等,请点击“违规举报”。

碎片内容

2013高考班机械基础10月考题

您可能关注的文档

百万精品文库+ 关注
实名认证
内容提供者

学习课件教案小学中学资料大全

确认删除?
VIP
微信客服
  • 扫码咨询
会员Q群
  • 会员专属群点击这里加入QQ群
客服邮箱
回到顶部