电脑桌面
添加小米粒文库到电脑桌面
安装后可以在桌面快捷访问

高考数学复习点拨 二分法的应用VIP免费

高考数学复习点拨 二分法的应用_第1页
1/3
高考数学复习点拨 二分法的应用_第2页
2/3
高考数学复习点拨 二分法的应用_第3页
3/3
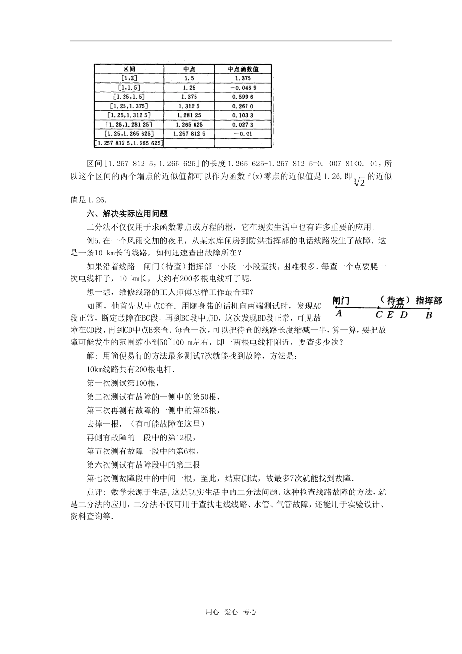
二分法的应用——你了解多少函数与方程的思想贯穿了高中数学的始终,而且函数与方程紧密联系,函数的零点就是相应方程的实数根,研究二分法求方程的近似解问题,首先是通过估算,数形结合借助计算器、计算机等手段来确定一个零点所在的大致区间。本文通过几个具体例子来看看二分法有何应用。一、求方程的近似解例1.证明方程6-3x=2x在区间[1,2]内有唯一一个实数解,并求出这个实数解(精确到0.1).证明:设函数使f(x)=2x+3x-6. f(l)=-1<0,f(2)=4>0,又 f(x)是增函数,所以函数f(x)=2x+3x-6在区间[1,2]有唯一的零点,则方程6-3x=2x在区间[1,2]有唯一一个实数解.设该解为x0,则x0∈[1,2],取x1=1.5,f(1.5)=0.33>0,.F(1)·f(1.5)<0,∴x0∈(1,1.5).取x2=1.25,f(1.15)=0.128>0,f(1)·f(1.25)<0,∴x0∈(1,1.25).取x3=1.125,f(1.125)=-0.44<0,f(1.125)·f(1.25)<0,∴x0∈(1.125,1.25).取x4=1.1875,f(1.1875)=-0.16<0,f(1.1875)·f(1.25)<0,∴.x0∈(1.1875,1,25). |1.25-1.875|=0.0625<0.1,∴可取x0=1.2,则方程的实数解为x0=1.2.点评:用二分法求方程实数解的思想是非常简明的、但是为了提高解的精确度,用二分法求方程实数解的过程又是较长的,有些计算不用计算工具甚至无法实施,所以需要借助科学计算器.二、判断方程解的个数例2.已知函数f(x)在其定义域上是单调函数,证明f(x)至多有一个零点.分析:不妨设f(x)在R上是增函数,为证明f(x)=0至多有一个实根,考虑用反证法证明.证明:假设f(x)=0至少有两个不同的实根x1,x2,且不妨设x10,可取区间[1,2]作为计算的初始区间。用二分法逐次计算,列表如下:用心爱心专心由上表的计算可知,区间[1.375,1.438]的长度小于0.1,所以这个区间的中点x5≈1.4可作为所求函数的一个正实数零点的近似值.函数f(x)=x3+x2-2x-2的图象如图.实际上还可用二分法继续算下去,进而得到这个零点精确度更高的近似值.点评:给定精确度ε,用二分法求函数f(x)零点的近似值应该按课本P105的四个步骤进行.四、确定函数零点的个数例4.二次函数y=ax2+bx+c中,ac<0,则函数零点个数为.分析: c=f(0),∴ac=af(0)<0,∴a与f(0)异号.即0)0(0fa或0)0(0fa.∴函数必有两零点.或 ac<0∴△=b2-4ac>0,∴函数有两个零点.答案:2.点评:用二分法求方程近似解,关键是判断近似解所在的区间(a,b),用二分法选定初始区间时,往往通过分析函数图象的变化趋势,并通过试验确定端点。五、求一些无理数的值二分法不仅仅用于求函数零点或方程的根,它还有很多应用,例如求一些无理数的值,解决实际问题等.例5.求32的近似值.(精确到0.01)分析:若设x=32,则x3-2=0,因此32的近似值就是方程x3-2=0的根的近似值,也就是函数y=x3-2的近似零点.解:设x=32,则x3-2=0,令f(x)=x3-2,则函数f(x)的零点的近似值就是32的近似值,以下用二分法求其零点的近似值.由于f(1)=-1<0,f(2)=6>0,故可以取区间[1,2]为计算的初始区间.用二分法逐步计算,列表如下:用心爱心专心端点(中点)坐标计算中点的函数值取区间f(1)=-2<0f(6)=6>0[1,2]x1=(1+2)/2=1.5f(x1)=0.625>0[1,1.5]X2=(1+1.5)/2=1.25f(x2)=-0.984<0[1.25,1.5]X3=(1.25+1.5)/2=1.375f(x3)=-0.260<0[1.375,1.5]X4=(1.375+1.5)/2=1.438f(x4)=0.165>0[1.375,1.438]X5=(1.375+1.438)/2=1.4065f(x5)=-0.052<0例3题图x1-2-10y区间[1.2578125,1.265625]的长度1.265625-1.2578125=0.00781<0.01,所以这个区间的两个端点的近似值都可以作为函数f(x)零点的近似值是1.26,即32的近似值是1.26.六、解决实际应用问题二分法不仅仅用于求函数零点或方程的根,它在现实生活中也有许多重要的应用.例5.在一个风雨交加的夜里,从某水库闸房到防洪指挥部的电话线路发...

1、当您付费下载文档后,您只拥有了使用权限,并不意味着购买了版权,文档只能用于自身使用,不得用于其他商业用途(如 [转卖]进行直接盈利或[编辑后售卖]进行间接盈利)。
2、本站所有内容均由合作方或网友上传,本站不对文档的完整性、权威性及其观点立场正确性做任何保证或承诺!文档内容仅供研究参考,付费前请自行鉴别。
3、如文档内容存在违规,或者侵犯商业秘密、侵犯著作权等,请点击“违规举报”。

碎片内容

高考数学复习点拨 二分法的应用

您可能关注的文档

慧源书店+ 关注
实名认证
内容提供者

从事历史教学,热爱教育,高度负责。

确认删除?
VIP
微信客服
  • 扫码咨询
会员Q群
  • 会员专属群点击这里加入QQ群
客服邮箱
回到顶部