电脑桌面
添加小米粒文库到电脑桌面
安装后可以在桌面快捷访问

03室内采暖管道安装工程VIP免费

03室内采暖管道安装工程_第1页
1/7
03室内采暖管道安装工程_第2页
2/7
03室内采暖管道安装工程_第3页
3/7
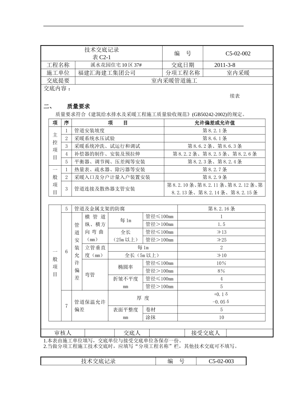
技术交底记录表C2-1编号C5-02-001工程名称溪水花园住宅10区37#交底日期2011-3-8施工单位福建汇海建工集团公司分项工程名称室内采暖交底提要室内采暖管道施工交底内容:一、施工准备(一)作业条件1.干管安装:位于夹层内的干管,应把夹层内杂物清理干净,安装好托吊、卡架。位于楼板下及顶层的干管,应在结构封顶后或结构进入安装层的一层以上后安装。2.立管安装必须在确定准确的地面标高后进行。3.支管安装必须在墙面抹灰后进行。4.埋地敷设支管在清理地面、散热器安装后进行。(二)材料要求1、管材:采暖干立管采用热镀锌钢管,管材不得弯曲、锈蚀,无飞刺、重皮及凹凸不平现象。2、管件:热镀锌配套管件,无偏扣、方扣、乱扣、断丝,不得有砂眼、裂纹和角度不准确现象。3、阀门:干管调节阀为镀铜截止阀和手动,铸造规矩、无毛刺、无裂纹、开关灵活严密,丝扣无损伤,直度和角度正确,强度符合要求,手轮无损伤。安装前应进行强度、严密性试验,主控阀门100%试验,其他阀门抽检10%,若有不合格,则抽查20%,还有不合格,则逐个检验。4、其他材料:型钢、圆钢、管卡子、螺栓、螺母、油、麻、垫、电气焊条等。选用时应符合设计要求。5、在住宅工程中的室内部分中,禁止使用铸铁截止阀。6、各类管材、阀门、调压装置、绝热材料应有产品质量合格证和材质检验报告,热量表应有计量检定证书等。7、水表、计量表、保温材料进场需复试,合格后方可安装。8、埋地敷设采暖管采用NF-PPR,壁厚均匀,无裂纹、扁瘪。内外壁光滑平整,不得有气泡、裂纹、脱皮、分层、冷斑凹陷等;管件与管材颜色一致,无色泽不均及分解变色线;管材轴向不异向弯曲.9、埋地敷设采暖管采用复合硅酸盐保温材料。沿管道填实管道,做法见91SB-1,P121-122页。(三)主要机具砂轮锯、套丝机、台钻、电焊机、煨弯器、NF-PPR管热熔器等。审核人交底人接受交底人1.本表由施工单位填写,交底单位与接受交底单位各保存一份。2.当做分项工程施工技术交底时,应填写“分项工程名称”栏,其他技术交底可不填写。技术交底记录表C2-1编号C5-02-002工程名称溪水花园住宅10区37#交底日期2011-3-8施工单位福建汇海建工集团公司分项工程名称室内采暖交底提要室内采暖管道施工交底内容:续表二、质量要求质量要求符合《建筑给水排水及采暖工程施工质量验收规范》(GB50242-2002)的规定。项序项目允许偏差或允许值主控项目1管道安装坡度第8.2.1条2采暖系统水压试验第8.6.1条3采暖系统冲洗、试运行和调试第8.6.2条、第8.6.3条4补偿器的制作、安装及预拉伸第8.2.2条、第8.2.5条、第8.2.6条5平衡器、调节阀、压差阀等安装第8.2.3条、第8.2.4条一般项目1热量表、疏水器、除污器等安装第8.2.7条2采暖入口及分户计量入户装置安装第8.2.9条3管道连接及散热器支管安装第8.2.10条、第8.2.11条、第8.2.12条、第8.2.13条、第8.2.14条、第8.2.15条一般项目5管道及金属支架的防腐第8.2.16条6管道安装允许偏差横管道纵、横方向弯曲(mm)每1m管径≤100mm1管径>100mm1.5全长(25m以上)管径≤100mm≯13管径>100mm≯25立管垂直度(mm)每1m2全长(5m以上)≯10弯管椭圆率管径≤100mm10%管径>100mm8%折皱不平度mm管径≤100mm4管径>100mm57管道保温允许偏差厚度+0.1δ-0.05δ表面平整度mm卷材5涂抹10审核人交底人接受交底人1.本表由施工单位填写,交底单位与接受交底单位各保存一份。2.当做分项工程施工技术交底时,应填写“分项工程名称”栏,其他技术交底可不填写。技术交底记录编号C5-02-003表C2-1工程名称溪水花园住宅10区37#交底日期2011-3-8施工单位福建汇海建工集团公司分项工程名称室内采暖交底提要室内采暖管道施工交底内容:三、工艺流程安装准备→预制加工→卡架安装→干管安装→立管安装→埋地支管安装→试压→冲洗→防腐→保温→调试四、操作工艺(一)安装准备1、认真熟悉图纸,配合土建施工进度,预留槽洞及安装预埋件。2、按设计图纸画出管路的位置、管径、变径、预留口、坡向、卡架位置等施工草图,包括干管起点、末端和拐弯、节点、预留日、坐标位置等。绘制草图时注意:(1)采暖干立管道采用螺纹连接,埋地敷设采暖nf-ppr管不得...

1、当您付费下载文档后,您只拥有了使用权限,并不意味着购买了版权,文档只能用于自身使用,不得用于其他商业用途(如 [转卖]进行直接盈利或[编辑后售卖]进行间接盈利)。
2、本站所有内容均由合作方或网友上传,本站不对文档的完整性、权威性及其观点立场正确性做任何保证或承诺!文档内容仅供研究参考,付费前请自行鉴别。
3、如文档内容存在违规,或者侵犯商业秘密、侵犯著作权等,请点击“违规举报”。

碎片内容

03室内采暖管道安装工程

您可能关注的文档

确认删除?
VIP
微信客服
  • 扫码咨询
会员Q群
  • 会员专属群点击这里加入QQ群
客服邮箱
回到顶部