电脑桌面
添加小米粒文库到电脑桌面
安装后可以在桌面快捷访问

公路砌筑防护工程施工方案VIP免费

公路砌筑防护工程施工方案_第1页
1/18
公路砌筑防护工程施工方案_第2页
2/18
公路砌筑防护工程施工方案_第3页
3/18
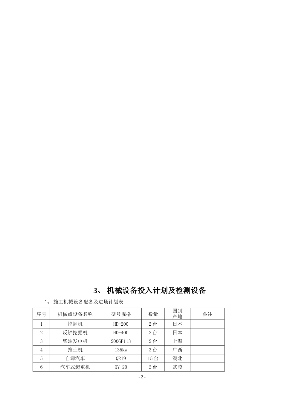
国道G206线梅县机场至兴宁松陂段改造工程施工组织设计1、工程概况及特点一、概述本工程为国道G206梅县机场至兴宁松陂段公路改造工程,第二标段改造起点位于长沙中学附近,经下罗管区、梅南圩镇、梅南桥、梅河高速公路梅南出口等地,终点位于龙岗管区附近,里程桩号为K2175+700~K2185+000,其中K2176+665.654=K2176+660断链长5.654米,K2180+020.349=K2180+000断链长20.349米,长短链累计+26.003米,路线全长9.326公里。设计路基宽度为15米,路基标准断面布置为:2×3.75(行车道)+2×3.0(硬路肩)+2×0.75(土路肩)。本工程的合同工期为20个月。2、组织机构设置一、韶关市公路工程有限公司国道G206线第二合同段组织机构框图(见附表)。按施工合同的要求,本标段成立韶山市公路工程有限公司国道G206线梅县机场至兴宁松陂段改造工程第二合同段项目经理部,全权代表总公司,负责本项目承建的施工任务。对内行使行政管理职能,对外行使法人代表权利和义务。项目部由项目经理、项目副经理、项目总工组成领导班子,实行项目经理负责制,项目部实行独立的行政管理和经济核算制度。二、项目部主要人员及职责:项目部经理:陈路养项目副经理:陈党平项目常务副经理:纪奕群项目总工程师:郑德林工程部:何碧红贾军质检工程师:邓群英李建安安全部:郭天奇陈为臣综合部:刘有竹机电部:谢惠林组织机构框图-1-项目总工程师郑德林综合部刘有竹机电部谢惠林质检部邓李群建英安安全部郭陈天为奇臣路基一队桥涵施工队工程部何贾碧红军项目常务副经理纪奕群计划组测控组施工组实验室质检组总务及财务组合约组路基二队路面施工队综合搅拌站项目副经理陈党平项目部经理陈路养机电设备组安全组环保组材料组3、机械设备投入计划及检测设备一、施工机械设备配备及进场计划表序号机械或设备名称型号规格数量国别产地备注1挖掘机HD-2002台日本2反铲挖掘机HD-4002台日本3柴油发电机200GF1132台上海4推土机135kw3台广西5自卸汽车QR1915台湖北6汽车式起重机QY-202台武陵-2-7钻孔桩机旋转式TPS-4015台广州8电焊机BX1-2002台广州9手扶振动压实机ZY-1.54台广西10振动压路机D61142G16A2台日本11振动压路机YZ10B4台天津12轮胎式压路机YL-201台天津13摊铺机HD2台南通14潜水泵WQG-1510台广州15蛙式打夯机HW20012台广州16平地机GD655A-32台湖北17翻斗车FD2型8台广西18装载机ZL404台厦门19翻斗车FD2型4台广西20砂浆搅拌机C200L8台广州二、主要检测设备表:序号仪器设备名称规格型号单位数量备注1全站仪Leica-TC1500台12激光经纬仪J2-JD型台23电子经纬仪DJ6型台24精密水准仪DS1型台25水准仪DS3型台26光电测距仪DJ-2002台17电热恒温干燥箱101-2台28砂浆试模组159标准击实仪SF75台110光电式液压限测定仪CSX台111灌砂法测试工具套112三米直尺3m把313土壤标准筛FB20.1-10mm套114环刀个4015电子天平MP-200D台116电子天平JZ3003台317计算机联想台118复印机理光4099台119打印机BJC-6500台15、6防护工程的施工方案、施工方法本标段防护工程主要为M7.5级砂浆砌片石挡土墙6830m3,M7.5级护坡1013.85m2。一、挡土墙-3-由控制点直接放出挡土墙的定位线,在复测它的地面高程及断面,经监理工程师签认后,放出基地开挖线。基地开挖用机械分段作业,人工挖基到位,基底的成型宽度大于设计宽度1米以上,以便安排基坑临时排水沟,积水坑位置,保证基底施工时干燥的条件。基底承载力不符合要求时,按监理工程师批准的措施进行处理,浸入或近河路段的挡土墙基础埋置深度,在冲刷线以下至少0.5m,基底为岩石斜坡时,清除表面风化层,做成台阶,台阶高度比不得大于2:1,台阶的长度不得小于0.5m。二、浆砌污工技术要求1、大块的石料砌于下层,并向上逐渐选用小石料。砌体外露面选择较整齐一面。2、砌筑用沉降缝来划分工作段,沉降缝视基底情况和设计要求按10—15米来设置,沉降从基础开始通体开始断开,缝宽20mm,缝内用沥青麻絮沿墙内、外、顶三侧填塞20cm深。砌体砌出地面0.5m,按设计做成泄水孔,泄水孔间距2m,坡度4%,呈梅花型布置,采用孔径10cm毛竹或塑料管设置。在台背设反滤层,用透水性较好的碎石作滤层材料。泄水孔底部用粘土夯实...

1、当您付费下载文档后,您只拥有了使用权限,并不意味着购买了版权,文档只能用于自身使用,不得用于其他商业用途(如 [转卖]进行直接盈利或[编辑后售卖]进行间接盈利)。
2、本站所有内容均由合作方或网友上传,本站不对文档的完整性、权威性及其观点立场正确性做任何保证或承诺!文档内容仅供研究参考,付费前请自行鉴别。
3、如文档内容存在违规,或者侵犯商业秘密、侵犯著作权等,请点击“违规举报”。

碎片内容

公路砌筑防护工程施工方案

您可能关注的文档

确认删除?
VIP
微信客服
  • 扫码咨询
会员Q群
  • 会员专属群点击这里加入QQ群
客服邮箱
回到顶部