电脑桌面
添加小米粒文库到电脑桌面
安装后可以在桌面快捷访问

最新最全焊条重量计算表VIP免费

最新最全焊条重量计算表_第1页
1/8
最新最全焊条重量计算表_第2页
2/8
最新最全焊条重量计算表_第3页
3/8
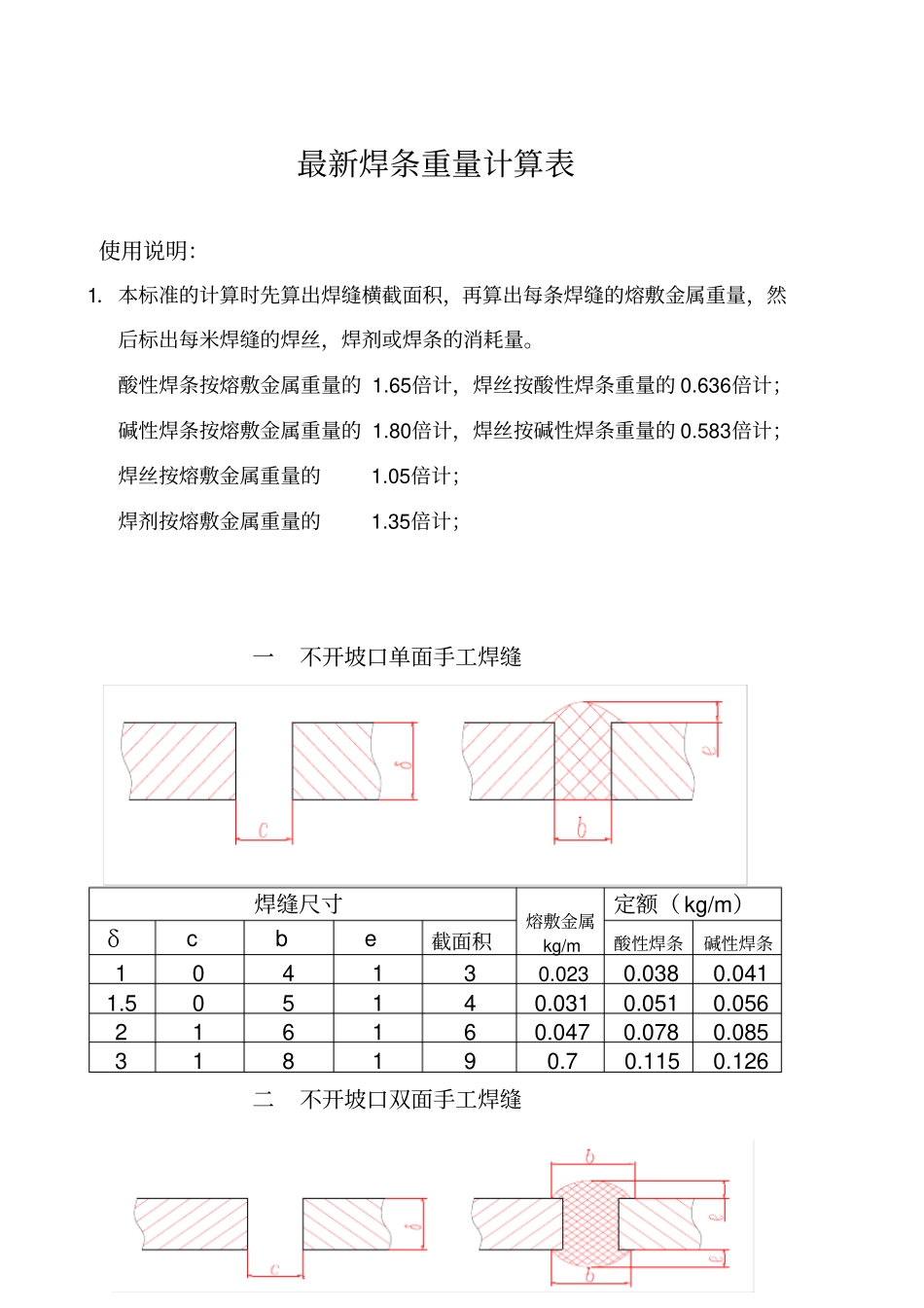
最新焊条重量计算表使用说明:1.本标准的计算时先算出焊缝横截面积,再算出每条焊缝的熔敷金属重量,然后标出每米焊缝的焊丝,焊剂或焊条的消耗量。酸性焊条按熔敷金属重量的1.65倍计,焊丝按酸性焊条重量的0.636倍计;碱性焊条按熔敷金属重量的1.80倍计,焊丝按碱性焊条重量的0.583倍计;焊丝按熔敷金属重量的1.05倍计;焊剂按熔敷金属重量的1.35倍计;一不开坡口单面手工焊缝焊缝尺寸熔敷金属kg/m定额(kg/m)δcbe截面积酸性焊条碱性焊条104130.0230.0380.0411.505140.0310.0510.056216160.0470.0780.085318190.70.1150.126二不开坡口双面手工焊缝焊缝尺寸熔敷金属kg/m定额(kg/m)δcbe截面积酸性焊条碱性焊条3181140.1090.180.19642101210.1640.270.2954.52101220.1720.280.3152121260.2040.340.3762141300.2350.390.4282.5161.5510.4000.660.72102.5181.5570.4480.740.81三V型坡口单面手工焊缝焊缝尺寸熔敷金属kg/m定额(kg/m)δαpcbe截面积酸性焊条碱性焊条370011.58112.60.0980.1620.176470011.58117.60.1370.2260.247570011.510125.30.1970.3250.355670022.510132.80.2560.4230.460870022.5141.559.20.4620.7630.8301065022.5161.585.80.6701.1101.2101265022.5181.51180.9201.5241.6601465023201.51761.3702.2602.470四V型坡口双面手工焊缝焊缝尺寸熔敷金属kg/m定额(kg/m)δαpcbb1e=e1截面积酸性焊条碱性焊条570022108128.30.2210.3650.398670022108135.20.2740.4520.49487002214101.565.20.5100.8410.920106502216101.586.70.6760.1201.220五对称双面X型坡口手工焊缝焊缝尺寸熔敷金属kg/m定额(kg/m)δαpcbe截面积酸性焊条碱性焊条126502312183.80.6651.081.181465023141104.40.831.371.491660023151.5134.51.051.731.892060023161.5185.51.452.392.612260023171.5215.51.682.773.022560023191.5265.52.073.423.722860023211.53212.504.124.503060023221.5359.52.804.625.053260023231.54023.195.165.743660023261.54933.846.356.914065023282610.64.767.858.564660023312810.66.3110.411.355060023342905.67.0611.6512.75六单面U型坡口手工焊缝焊缝尺寸熔敷金属kg/m定额(kg/m)δbe截面积酸性焊条碱性焊条12161.51481.161.922.0914161.51801.412.342.5416201.52191.722.843.10242222823.004.955.40262424293.365.556.0518201.52552.003.303.60202223022.373.924.28222223412.674.404.80282424733.726.156.70302425194.086.757.35七不开坡口丁字接头单面手工焊缝焊缝尺寸熔敷金属kg/m定额(kg/m)δke截面积焊丝酸性焊条碱性焊条22140.03120.03280.05150.056233180.06250.06560.1030.113441120.09360.09830.1550.169551180.140.1470.230.252661.5270.210.2210.3470.378771.5350.2750.2890.4540.495881.5440.3440.3610.5680.62991.5540.4240.4450.700.76310101.5650.510.5360.8430.9211111.5770.6040.6340.9971.08712121.5900.7030.7381.161.2713131.51040.820.8611.351.4814141.51190.930.9771.530.6815151.51351.061.1131.751.9116161.51521.191.251.972.1418181.51891.481.5542.442.6720201.52301.81.892.973.24222222862.232.3423.684.02242423362.642.7724.364.75252523632.832.9724.675.1282824483.53.6755.776.3303025104.04.26.67.2注:双面焊定额加倍.δ1≥δ.八单面V型坡口角度手工焊缝(双面焊)焊缝尺寸熔敷金属kg/m定额(kg/m)δbek截面积酸性焊条碱性焊条481323.20.1810.2990.3265913300.2340.3860.4216111338.70.3020.500.5448141.5572.70.5670.9351.0210171.55100.70.7851.301.4112201.55134.51.051.731.8914231.551741.362.242.4516261.572311.802.973.24203227349.12.724.54.9223427410.33.25.285.76253827515.64.026.657.25284227633.54.938.158.9304627721.35.629.310.1九油缸缸底焊缝焊丝定额dd外d1H焊缝长度(m)焊丝重量(Kg)每米焊丝定额(Kg)aφ63φ83φ6730.2360.1140.4840o20.120.49115o20.10.4140oφ89φ6720.2450.180.7130oφ7120.2520.130.510oφ80φ102φ8420.2930.150.510oφ1070.3010.230.770oφ100φ121φ10420.3540.170.460oφ...

1、当您付费下载文档后,您只拥有了使用权限,并不意味着购买了版权,文档只能用于自身使用,不得用于其他商业用途(如 [转卖]进行直接盈利或[编辑后售卖]进行间接盈利)。
2、本站所有内容均由合作方或网友上传,本站不对文档的完整性、权威性及其观点立场正确性做任何保证或承诺!文档内容仅供研究参考,付费前请自行鉴别。
3、如文档内容存在违规,或者侵犯商业秘密、侵犯著作权等,请点击“违规举报”。

碎片内容

最新最全焊条重量计算表

文库当当响+ 关注
实名认证
内容提供者

该用户很懒,什么也没介绍

确认删除?
VIP
微信客服
  • 扫码咨询
会员Q群
  • 会员专属群点击这里加入QQ群
客服邮箱
回到顶部