电脑桌面
添加小米粒文库到电脑桌面
安装后可以在桌面快捷访问

桩基旁站监理流程VIP免费

桩基旁站监理流程_第1页
1/2
桩基旁站监理流程_第2页
2/2
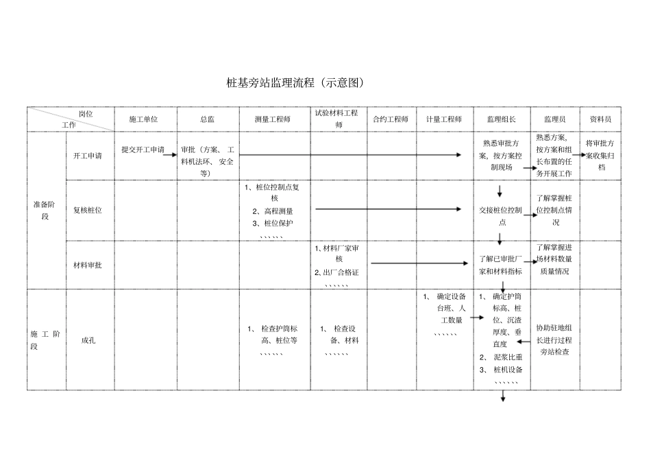
桩基旁站监理流程(示意图)岗位工作施工单位总监测量工程师试验材料工程师合约工程师计量工程师监理组长监理员资料员准备阶段开工申请提交开工申请审批(方案、工料机法环、安全等)熟悉审批方案,按方案控制现场熟悉方案,按方案和组长布置的任务开展工作将审批方案收集归档复核桩位1、桩位控制点复核2、高程测量3、桩位保护、、、、、、交接桩位控制点了解掌握桩位控制点情况材料审批1、材料厂家审核2、出厂合格证、、、、、、了解已审批厂家和材料指标了解掌握进场材料数量质量情况施工阶段成孔1、检查护筒标高、桩位等、、、、、、1、检查设备、材料、、、、、、1、确定设备台班、人工数量、、、、、、1、确定护筒标高、桩位、沉渣厚度、垂直度2、泥浆比重3、桩机设备、、、、、、协助驻地组长进行过程旁站检查清孔1、检查桩底标高、沉渣厚度等1、检查泥浆比重等试验信息、、、、、、1、确定设备台班、人工数量、、、、、、1、确定桩底标高、沉渣厚度等2、泥浆比重、、、、、、协助驻地组长进行过程旁站检查钢筋笼1、钢筋见证取样2、外观检查、、、、、、1、检查吊筋长度、钢筋笼长度等、、、、、、日常检查验收灌注混凝土1、坍落度2、混凝土配比、、、、、、1、验收混凝土坍落度、配合比等2、灌注过程是否正常、、、、、、旁站记录(方量、时间、异常情况等)竣工阶段桩检审批支付申请审核支付申请计量工程量检查验收了解桩检结果资料归档资料整理资料整理资料整理资料整理资料整理所有资料整理归档

1、当您付费下载文档后,您只拥有了使用权限,并不意味着购买了版权,文档只能用于自身使用,不得用于其他商业用途(如 [转卖]进行直接盈利或[编辑后售卖]进行间接盈利)。
2、本站所有内容均由合作方或网友上传,本站不对文档的完整性、权威性及其观点立场正确性做任何保证或承诺!文档内容仅供研究参考,付费前请自行鉴别。
3、如文档内容存在违规,或者侵犯商业秘密、侵犯著作权等,请点击“违规举报”。

碎片内容

桩基旁站监理流程

您可能关注的文档

确认删除?
VIP
微信客服
  • 扫码咨询
会员Q群
  • 会员专属群点击这里加入QQ群
客服邮箱
回到顶部