电脑桌面
添加小米粒文库到电脑桌面
安装后可以在桌面快捷访问

水平仪的分类及使用方法VIP免费

水平仪的分类及使用方法_第1页
1/5
水平仪的分类及使用方法_第2页
2/5
水平仪的分类及使用方法_第3页
3/5
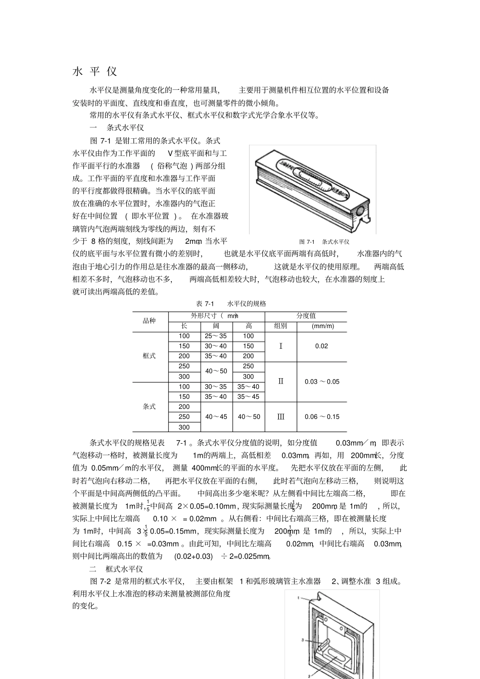
水平仪水平仪是测量角度变化的一种常用量具,主要用于测量机件相互位置的水平位置和设备安装时的平面度、直线度和垂直度,也可测量零件的微小倾角。常用的水平仪有条式水平仪、框式水平仪和数字式光学合象水平仪等。一条式水平仪图7-1是钳工常用的条式水平仪。条式水平仪由作为工作平面的V型底平面和与工作平面平行的水准器(俗称气泡)两部分组成。工作平面的平直度和水准器与工作平面的平行度都做得很精确。当水平仪的底平面放在准确的水平位置时,水准器内的气泡正好在中间位置(即水平位置)。在水准器玻璃管内气泡两端刻线为零线的两边,刻有不少于8格的刻度,刻线间距为2mm。当水平图7-1条式水平仪仪的底平面与水平位置有微小的差别时,也就是水平仪底平面两端有高低时,水准器内的气泡由于地心引力的作用总是往水准器的最高一侧移动,这就是水平仪的使用原理。两端高低相差不多时,气泡移动也不多,两端高低相差较大时,气泡移动也较大,在水准器的刻度上就可读出两端高低的差值。表7-1水平仪的规格条式水平仪的规格见表7-1。条式水平仪分度值的说明,如分度值0.03mm/m,即表示气泡移动一格时,被测量长度为1m的两端上,高低相差0.03mm。再如,用200mm长,分度值为0.05mm/m的水平仪,测量400mm长的平面的水平度。先把水平仪放在平面的左侧,此时若气泡向右移动二格,再把水平仪放在平面的右侧,此时若气泡向左移动三格,则说明这个平面是中间高两侧低的凸平面。中间高出多少毫米呢?从左侧看中间比左端高二格,即在被测量长度为1m时,中间高2×0.05=0.10mm,现实际测量长度为200mm,是1m的,所以,实际上中间比左端高0.10×=0.02mm。从右侧看:中间比右端高三格,即在被测量长度为1m时,中间高3×0.05=0.15mm,现实际测量长度为200mm,是1m的,所以,实际上中间比右端高0.15×=0.03mm。由此可知,中间比左端高0.02mm,中间比右端高0.03mm,则中间比两端高出的数值为(0.02+0.03)÷2=0.025mm。二框式水平仪图7-2是常用的框式水平仪,主要由框架1和弧形玻璃管主水准器2、调整水准3组成。利用水平仪上水准泡的移动来测量被测部位角度的变化。品种外形尺寸(mm)分度值长阔高组别(mm/m)框式10025~35100Ⅰ0.0215030~4015020035~4020025040~50250Ⅱ0.03~0.05300300条式10030~3535~4015035~4035~4520040~4540~50Ⅲ0.06~0.1525030051515151框架的测量面有平面和V形槽,V形槽便于在圆柱面上测量。弧形玻璃管的表面上有刻线,内装乙醚(或酒精),并留有一个水准泡,水准泡总是停留在玻璃管内的最高处。若水平仪倾斜一个角度,气泡就向左或向右移动,根据移动的距离(格数),直接或通过计算即可知道被测工件的直线度,平面度或垂直度误差。水平仪工作原理(图7-3),精度为0.02mm/1000mm的水平仪玻璃管,曲率半径R=103132mm,当平面在1000mm图7-2框式水平仪长度中倾斜0.02mm,则倾斜角为:1-框架2-主水准器3-调整水准水准泡转过的角度应与平面转过的角度相等,则水准泡移动的距离(1格)为:图7-3框式水平仪工作原理水平仪的读数方法有直接读数法和平均读数法两种。1)直接读数法以气泡两端的长刻线作为零线,气泡相对零线移动格数作为读数,这种读数方法最为常用,见图7-4。(a)(b)(c)图7-4直接读数法图7-4a表示水平仪处于水平位置,气泡两端位于长线上,读数为“0”;图7-4b表示水平仪逆时针方向倾斜,气泡向右移动,图示位置读数为“+2”;图7-4c表示水平仪顺时针方向倾斜,气泡向左移动,图示位置读数为“-3”。2)平均读数法由于环境温度变化较大,使气泡变长或缩短,引起读数误差而影响测量的正确性,可采用平均读数法,以消除读数误差。平均读数法读数是分别从两条长刻线起,向气泡移动方向读至气泡端点止,然后取这两个读数的平均值作为这次测量的读数值。图7-5a表示,由于环境温度较高,气泡变长,测量位置使气泡左移。读数时,从左边长刻线起,向左读数“-3”;从右边长刻线起,向左读数“—2”。取这两个读数的平均值,作为这次测量的读数值:00002.0100002.0mmtg"460603602Rammmm26060360"410313225.22)2()3(图7-5平均读数法图7-5b表示,由于环境温度较低,气泡缩短,测量位置...

1、当您付费下载文档后,您只拥有了使用权限,并不意味着购买了版权,文档只能用于自身使用,不得用于其他商业用途(如 [转卖]进行直接盈利或[编辑后售卖]进行间接盈利)。
2、本站所有内容均由合作方或网友上传,本站不对文档的完整性、权威性及其观点立场正确性做任何保证或承诺!文档内容仅供研究参考,付费前请自行鉴别。
3、如文档内容存在违规,或者侵犯商业秘密、侵犯著作权等,请点击“违规举报”。

碎片内容

水平仪的分类及使用方法

您可能关注的文档

确认删除?
VIP
微信客服
  • 扫码咨询
会员Q群
  • 会员专属群点击这里加入QQ群
客服邮箱
回到顶部