电脑桌面
添加小米粒文库到电脑桌面
安装后可以在桌面快捷访问

现浇梁支座安装作业指导书解析VIP免费

现浇梁支座安装作业指导书解析_第1页
1/14
现浇梁支座安装作业指导书解析_第2页
2/14
现浇梁支座安装作业指导书解析_第3页
3/14
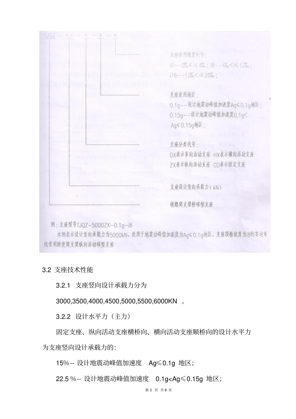
西成铁路客运专线四川段XCZQ-1标第一项目部桥梁工程编号:Q006现浇梁支座安装施工作业指导书单位:编制:审核:批准:2014年4月11日发布2014年4月15日实施第1页共8页现浇梁支座安装作业指导书1.适用范围西成铁路客运专线四川段工程指挥部第一项目部现浇梁球形钢支座安装施工。2.技术准备2.1内业技术准备作业指导书编制后,应在开工前组织技术人员认真学习实施性施工组织设计,阅读、审核施工图纸,澄清有关技术问题,熟悉规范和技术标准。制定施工安全保证措施,提出应急预案。对施工人员进行技术交底,对参加施工人员进行上岗前技术培训,考核合格后持证上岗。2.2外业技术准备施工作业层中所涉及的各种外部技术数据收集。生活房屋、生活、办公设施已经修建,满足主要管理、技术人员进场生活、办公需要。3、技术要求3.1支座代号见下图第2页共8页3.2支座技术性能3.2.1支座竖向设计承载力分为3000,3500,4000,4500,5000,5500,6000KN。3.2.2设计水平力(主力)固定支座、纵向活动支座横桥向、横向活动支座顺桥向的设计水平力为支座竖向设计承载力的:15%--设计地震动峰值加速度Ag≤0.1g地区;22.5%--设计地震动峰值加速度0.1g

1、当您付费下载文档后,您只拥有了使用权限,并不意味着购买了版权,文档只能用于自身使用,不得用于其他商业用途(如 [转卖]进行直接盈利或[编辑后售卖]进行间接盈利)。
2、本站所有内容均由合作方或网友上传,本站不对文档的完整性、权威性及其观点立场正确性做任何保证或承诺!文档内容仅供研究参考,付费前请自行鉴别。
3、如文档内容存在违规,或者侵犯商业秘密、侵犯著作权等,请点击“违规举报”。

碎片内容

现浇梁支座安装作业指导书解析

文库响当当+ 关注
实名认证
内容提供者

该用户很懒,什么也没介绍

确认删除?
微信客服
  • 扫码咨询
会员Q群
  • 会员专属群点击这里加入QQ群