电脑桌面
添加小米粒文库到电脑桌面
安装后可以在桌面快捷访问

节水工程滴灌单元质量评定表VIP免费

节水工程滴灌单元质量评定表_第1页
1/14
节水工程滴灌单元质量评定表_第2页
2/14
节水工程滴灌单元质量评定表_第3页
3/14
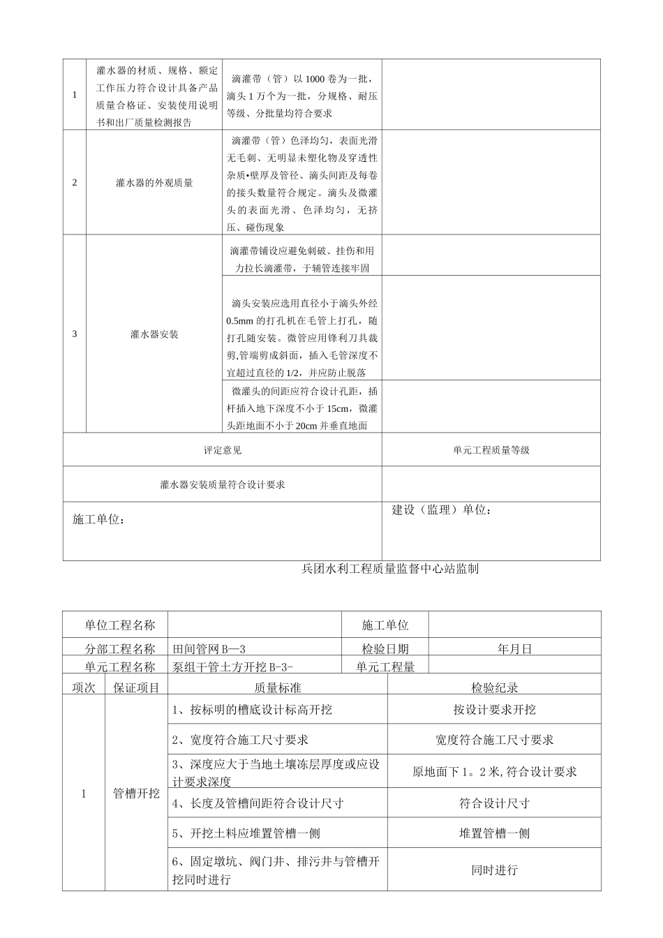
硬聚氯乙婕VC-U给水管道安装单元工程质量评定表节水表13-网管量程工元单期日验检准标量质1永合量说检拥符质用量倂级品使质判等产装厂亀览昭浚出爲庚正和告材格计格书报管规设合明测格均规量种批每分管等T耐为朴咯规00命1个求以5要材查合管检符2血量材质管观光输砂表运无彫兄泳好,规光性纹合面辭裂符表、有厚圈、实许壁胶密允;口不伤求断件碰契后管显合裂及明符撕材无放、管滑堆眼0训量罰。潼M'理管金外项次准标量质录记验检级等量质格合良优格合良优1验宀洱压水曲1O谢漏蛀的/渗ii力?2艮、丁压扌明心作存无作持或工保量计俺M小设5、不很的州H力力小力压压2压□CLd验宀洱性密严作州询工小允□项目沙值诈mc值测实数>格点合—率)需(%)I231程高底管3土232%率格合点格合中其点测检共见意评合,%符率部格全合目目项项证测保实监zt'设建兵团水利工程质量监督中心站监制聚乙烯PE给水管道安装单元工程质量评定表节水表2单位工程名称首部一节水滴灌工程单元工程量分部工程名称田间管网施工单位单元工程名称水泵PE管安装检验日期项次保证项目质量标准检验记录1管材及管件的材质、规格、耐压等级符合设计,具备产品质量合格证、安装使用说明书和出厂检测报告管材以50吨为一批,管件每种规格检查5个,检查管材及管件的材质、规格、耐压等级及质量合格证安装使用说明书和出厂检测报告做好施工记录2管材及管件的外观质量管材的内外表面应清洁、光滑、不允许有气泡、明显的划伤、凹陷、杂质、颜色不均等缺陷。管端应切割平整,并与管轴线垂直3管道连接管道使用的粘结剂必须与管道材质相匹配,热接内插的深度符合要求,并用管箍或铁丝扎紧项次基本项目质量标准检验记录质量等级合格优良合格优良1水压试验压力达到管材允许工作压力1.5倍,保持1小时,压力波动W2%压力达到管材允许工作压力1.5倍,保持1小时,压力波动W1%2严密性实验压力达到设计工作压力1。5倍,保持1小时,少量漏水、无破裂、脫离现象压力达到设计工作压力1.5倍,保持1小时,无漏水、无破裂、脱离现象3闸阀开启灵活开启灵活,不漏水4管线铺设低温铺设,留有余温低温铺设,留有余温,轴线偏差W40cm评定意见单元工程质量等级保证项目符合设计要求,基本项目全部合格,其中项优良施工单位:建设(监理)单位:兵团水利工程质量监督中心站监制灌水器安装单元工程质量评定表节水表3单位工程名称首部节水滴灌工程施工单位分部工程名称灌水器单元工程量单元工程名称水泵灌水器安装检验日期年月日项次保证项目质量标准检验记录1灌水器的材质、规格、额定工作压力符合设计具备产品质量合格证、安装使用说明书和出厂质量检测报告滴灌带(管)以1000卷为一批,滴头1万个为一批,分规格、耐压等级、分批量均符合要求2灌水器的外观质量滴灌带(管)色泽均匀,表面光滑无毛刺、无明显未塑化物及穿透性杂质•壁厚及管径、滴头间距及每卷的接头数量符合规定。滴头及微灌头的表面光滑、色泽均匀,无挤压、碰伤现象3灌水器安装滴灌带铺设应避免刺破、挂伤和用力拉长滴灌带,于辅管连接牢固滴头安装应选用直径小于滴头外经0.5mm的打孔机在毛管上打孔,随打孔随安装。微管应用锋利刀具裁剪,管端剪成斜面,插入毛管深度不宜超过直径的1/2,并应防止脱落微灌头的间距应符合设计孔距,插杆插入地下深度不小于15cm,微灌头距地面不小于20cm并垂直地面评定意见单元工程质量等级灌水器安装质量符合设计要求施工单位:建设(监理)单位:兵团水利工程质量监督中心站监制单位工程名称施工单位分部工程名称田间管网B—3检验日期年月日单元工程名称泵组干管土方开挖B-3-单元工程量项次保证项目质量标准检验纪录1管槽开挖1、按标明的槽底设计标高开挖按设计要求开挖2、宽度符合施工尺寸要求宽度符合施工尺寸要求3、深度应大于当地土壤冻层厚度或应设计要求深度原地面下1。2米,符合设计要求4、长度及管槽间距符合设计尺寸符合设计尺寸5、开挖土料应堆置管槽一侧堆置管槽一侧6、固定墩坑、阀门井、排污井与管槽开挖同时进行同时进行2项次123评定意施工单单元工程质量等级保证项目全部符合要求,允许偏差项目实测合格率为%UPVE管槽开挖单元工程质量评定表管沟槽土方回填...

1、当您付费下载文档后,您只拥有了使用权限,并不意味着购买了版权,文档只能用于自身使用,不得用于其他商业用途(如 [转卖]进行直接盈利或[编辑后售卖]进行间接盈利)。
2、本站所有内容均由合作方或网友上传,本站不对文档的完整性、权威性及其观点立场正确性做任何保证或承诺!文档内容仅供研究参考,付费前请自行鉴别。
3、如文档内容存在违规,或者侵犯商业秘密、侵犯著作权等,请点击“违规举报”。

碎片内容

节水工程滴灌单元质量评定表

wxg+ 关注
实名认证
内容提供者

该用户很懒,什么也没介绍

确认删除?
VIP
微信客服
  • 扫码咨询
会员Q群
  • 会员专属群点击这里加入QQ群
客服邮箱
回到顶部