电脑桌面
添加小米粒文库到电脑桌面
安装后可以在桌面快捷访问

压铆螺母尺寸VIP免费

压铆螺母尺寸_第1页
1/12
压铆螺母尺寸_第2页
2/12
压铆螺母尺寸_第3页
3/12
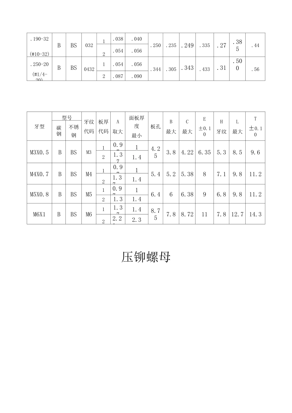
压铆螺母Fill33.2-1ZlINSTALLATIONi4v4打p«Hna#B*wrtnn**IMC«daOitr0»*ttahfW应用于需要封闭罗纹底端的地方。封闭的底端可以限制罗纹穿透并且隔绝外部零件。螺纹规格:#4到1/4"和M3到M6。BS-832-2ZI牙型型号牙纹代码板厚代码A取大面板厚度最小板孔B最大C最大E±0.10H牙纹L最大T±0.10碳钢不锈钢.112-40BBS1.038.040.165.21.335(#4-40)4402.054.056.166.149.250.38.138-32BBS1.038.040.187.23.335(#6-32)6322.054.056.1875.169.275.38.164-321.038.040(#8-32)BBS8322.054.056.213.204.212.315.28.385.44.190-32(#10-32)BBS0321.038.040.250.235.249.335.27.385.442.054.056.250-20BBS04321.054.056.344.305.343.433.31.500.56(#1/4-20)2.087.090牙型型号牙纹代码板厚代码A取大面板厚度最小板孔B最大C最大E±0.10H牙纹L最大T±0.10碳钢不锈钢M3X0.5BBSM310.9714.253.84.226.355.38.59.621.371.4M4X0.7BBSM410.9715.45.25.3887.19.811.221.371.4M5X0.8BBSM510.9716.466.3896.89.811.221.371.4M6X1BBSM611.371.48.757.88.72117.812.714.322.212.3压铆螺母采用标准工具能快速,便捷的安装:具有良好的抗拉和抗扭性能:用于0.8mm以上的板材,螺纹规格:#2到1/2”,M2到M10。S—440—2ZI牙型型号牙纹代码板厚代码A取大面板厚度最小板孔C最大E±0.01T±0.04碳钢不锈钢.086-560.030.030SCLS2561.038.040.166.165.25.07(#2-56)2.054.056.099-480.030.030SCLS3481.038.040.166.165.25.07(#3-48)2.054.056.112-400.030.030SCLS4401.038.040.166.165.25.07(#4-40)2.054.0563.087.091.138-320.030.030SCLS6321.038.040.1875.187.275.07(#6-32)2.054.0563.087.091.164-32SCLS8320.030.030.213.212.315.09!■"NwiHWr&rilomHLei^$-««h_2T|INST*LL*nOCW^bCMfl.500-13(1/2-13).357-16(3/8-16).313-18(5/16-18).250-20(1/4-20).216-24(#12-24).190-32(#10-32)sssssspspspspspspsooc爲o6i6o5iOCo42O1224o322I~L32I~L32i~L32i~LO32I~L32I~Lo32I~L235石o235石oOOC7石oOOC7O54石oOOC7O54O45OOC7O54O3OCOOC7O54O3OCowOOC7O54O3OC2g石52g石5o9i石5o9iO56石5o9iO56OO9iO56oO9iO56ooo9iO56o656gO4i334427725O655499412343276249殆7555O4333医354362723i713O9g7M3.5X0.6|M3X0.5|M2.5X0.45|XrmSssssd口ccccc瀏55o2I~LO2I~LO2I~LO2I~LOo76I~LWO97O76I~LWO97O76I~LWO97O76I~LWO97O76>]AOoc11I~L4I~LOOC11I~L4I~LOOC11I~L4I~LOOC11I~L4I~LOOC11宁近p4P75P25P25P25O岀OCLpl3OCP73P22P22P22>]COC7p35p35p351+PH252I~L5I~L5I~L5I~L51+OT1~LU$1wO|lkQ“■甲DRitim•fflra*»□pu*W»—1F**Ui•«!fitI??|-£W-MS舒7ZIZ6•£!卡I81•£go•£EOIWS13Sg'ixoiwI£•乙is•乙ILWIif-oi9'01£•乙is•乙E9WS13Sgs'IX8Wf'IZ£•[右I80卡n7,L'8gz'8£•乙IS•乙E9WS13SIX9Wf'IZ£•!I乙'Igi•!068£'9f'9f'IZ£'IEgwS13S8'OXSWIZ6'0I1-8'09Z'00f'IZ£'IEIZ6'0IN0I1V71Y1S装入圆形孔内,采用冲压铆接,能使其稳固在铆接的薄板上。具用通孔或盲孔罗纹,用于间隔或叠式机壳,电路板或零件,并提供五罗纹式。螺纹规格:#4至U#10和M3到M5。SOO-M3-12ZI英制牙型型号牙纹代码长度”L”+.002/-.005长度代码为1/32英寸面板厚度最小板孔+.003C-.005HNom碳钢不锈钢.112-40(#4-40)SOOSOOS44046810121416.040.166.165.1876440.040.213.212.250.138-32(#6-32)SOOSOOS632.040.213.212.2508632.050.281.280.315.164-32(#8-32)SOOSOOS832.050.281.280.315.190-32(#10-32)SOOSOOS032.050.281.280.315牙型型号牙纹代码长度”L"+0.05/-0.13长度代码为1/32英寸面板厚度最小板孔+.003C-.005HNom碳钢不锈钢M3X0.5SOOSOOSM314.24.194.753.5M3467815.45.386.35M4X0.7SOOSOOSM416.05.9573.5M4910121.37.27.118M5X0.8SOOSOOSM51.37.27.118M6X1.0SOOSOOSM61.38.758.7210KFt-t2kJJJ1Tgr戸nw«LMg»HHW*MdCMCe»C*J*安装于P.c.板上时能使花齿与棉板紧密连接。提供有螺纹和无螺纹式,用于装配间接或叠式P.C.板。螺纹规格:#4到#6和M3。KFE-632-8ZI英制牙型通孔+0.04型号牙纹代码长度”L”+.002/-.005长度代码为1/32英寸A取大最小板厚板孔+.003C±.003E±.005碳钢不锈钢.112-40(#4-40)KFEKFSE44048121620.060.060.166.184.218.138-32(#6-32)KFEKFSE632.060.060.213.231.275.166KFEKFSE116.060.060.166.184.218PviKuMb*rP4>ign«liBfLPUflINLTIUJLIIM.143KFEKFSE143.060.060.213.231.275FULL.375±.15牙型通孔+0.10型号牙纹代码长度”L”+.OO5/-.O13A取大最小板厚板孔+.003C±.003E±.005碳钢不锈钢M3X0.5KFEKFSEM33461.51.54.24.685.53.6KFEKFSE3.68101214161.51.55.45.8774.2KFEKFSE4.21.51.56.46.819FULL9.5±0.4

1、当您付费下载文档后,您只拥有了使用权限,并不意味着购买了版权,文档只能用于自身使用,不得用于其他商业用途(如 [转卖]进行直接盈利或[编辑后售卖]进行间接盈利)。
2、本站所有内容均由合作方或网友上传,本站不对文档的完整性、权威性及其观点立场正确性做任何保证或承诺!文档内容仅供研究参考,付费前请自行鉴别。
3、如文档内容存在违规,或者侵犯商业秘密、侵犯著作权等,请点击“违规举报”。

碎片内容

压铆螺母尺寸

您可能关注的文档

确认删除?
VIP
微信客服
  • 扫码咨询
会员Q群
  • 会员专属群点击这里加入QQ群
客服邮箱
回到顶部