电脑桌面
添加小米粒文库到电脑桌面
安装后可以在桌面快捷访问

矿井通风与安全课程设计VIP免费

矿井通风与安全课程设计_第1页
1/24
矿井通风与安全课程设计_第2页
2/24
矿井通风与安全课程设计_第3页
3/24
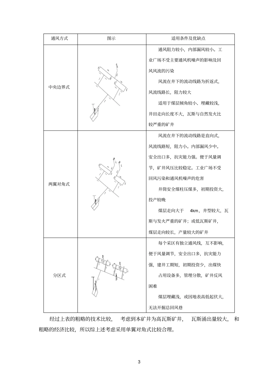
1《矿井通风与安全》课程设计目录1矿井通风系统的确定..................................................21.1概述...............................................................21.2矿井通风系统.......................................................22矿井风量计算及确定..................................................72.1采煤工作面需风量的计算.............................................72.2矿井风量的分配....................................................113矿井通风阻力计算...................................................123.1绘制通风系统图....................................................123.2矿井通风总阻力计算................................................124通风机选型.........................................................154.1自然风压..........................................................154.2选择主要通风机....................................................154.3选择电动机........................................................175概算矿井通风费用及评价.............................................186矿井灾害防治措施...................................................20参考文献.............................................................2221矿井通风系统的确定1.1概述某煤矿井田范围走向长7.42km,倾斜宽0.66—1.47km,井田面积约8.53km2。位于背斜南翼,为一般平缓的单斜构造,地层产状走向近东西向,倾向南,倾角10-25。,一般为16。左右。矿井生产能力为90万t/a。矿井采用中央竖井,煤层分组采区上山布置的开拓方式,单翼对角式通风。矿井通风难易时期的系统示意图见后。井田设三个井筒:主井、副井、风井。地面标高+200m。全矿井划分为两个水平,第一水平标高-150m,第二水平标高-350m,回风水平标高+45~+50m。第一水平东西运输大巷布置在煤层的底板岩石中,距煤层30m,通过水平大巷开拓煤层的全部上山采区。矿井采用走向长壁开采方式。该矿是高瓦斯矿井,瓦斯涌出量较大,为安全起见,用“品”字形布置三条上山。采用综合机械化放顶煤采煤。采煤工作面的平均断面积8.1m2,回采工作面温度一般在21°,回风巷风流中瓦斯(或二氧化碳)的平均绝对涌出量为5.65m3/min,三四班交接时人数最多66人;掘进工作面平均绝对瓦斯涌出量3.75m3/min,掘进工作面同时工作的最多人数18人,一次爆破炸药用量4.3kg。1.2矿井通风系统1.2.1矿井通风方式根据前述矿井的地质概况,开拓方式及开采方法,提出本矿井前25年左右的矿井通风系统方案为:中央边界式、两翼对角式和分区对角式。表1-13通风方式图示适用条件及优缺点中央边界式通风阻力较小,内部漏风较小。工业广场不受主要通风机噪声的影响及回风风流的污染风流在井下的流动线路为折返式,风流线路长,阻力较大适用于煤层倾角较小、埋藏较浅,井田走向长度不大,瓦斯与自然发火比较严重的矿井两翼对角式风流在井下的流动线路是直向式,风流线路短,阻力小。内部漏风少中。安全出口多,抗灾能力强。便于风量调节,矿井风压比较稳定。工业广场不受回风污染和通风机噪声的危害井筒安全煤柱压煤多,初期投资大,投产较晚煤层走向大于4km,井型较大,瓦斯与发火严重的矿井;或低瓦斯矿井,煤层走向较长,产量较大的矿井分区式每个采区有独立通风线,互不影响,便于风量调节,安全出口多,抗灾能力强,建井工期短,初期投资少,出煤快占用设备多,管理分散,矿井反风困难煤层埋藏浅,或因地表高低起伏大,无法开掘总回风巷经过上表的粗略的技术比较,考虑到本矿井为高瓦斯矿井,瓦斯涌出量较大,和粗略的经济比较,所以综上述考虑采用单翼对角式比较合理。41.2.2采区通风方式1、确定采区的通风方式并作技术比较采区应该有足够的供风量,并按需分配到各个采、掘工作面。为此采区通风系统就满足以下要求:⑴一个采区,都必须布置回风巷,实行分区通风。⑵采煤工作面和掘进工作面都应采用独立通风。⑶采煤工作面和掘进工作面的进风和回风...

1、当您付费下载文档后,您只拥有了使用权限,并不意味着购买了版权,文档只能用于自身使用,不得用于其他商业用途(如 [转卖]进行直接盈利或[编辑后售卖]进行间接盈利)。
2、本站所有内容均由合作方或网友上传,本站不对文档的完整性、权威性及其观点立场正确性做任何保证或承诺!文档内容仅供研究参考,付费前请自行鉴别。
3、如文档内容存在违规,或者侵犯商业秘密、侵犯著作权等,请点击“违规举报”。

碎片内容

矿井通风与安全课程设计

您可能关注的文档

确认删除?
VIP
微信客服
  • 扫码咨询
会员Q群
  • 会员专属群点击这里加入QQ群
客服邮箱
回到顶部