电脑桌面
添加小米粒文库到电脑桌面
安装后可以在桌面快捷访问

矿用提升绞车参数VIP免费

矿用提升绞车参数_第1页
1/15
矿用提升绞车参数_第2页
2/15
矿用提升绞车参数_第3页
3/15
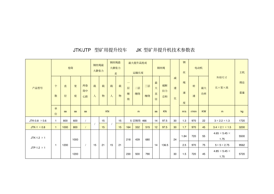
JTK/JTP型矿用提升绞车JK型矿井提升机技术参数表产品型号卷筒钢丝绳最大静张力钢丝绳最大静张力差最大提升高度或运输长度钢丝绳减速比钢丝绳速度电动机外形尺寸长×宽×高主机理论重量个数直径宽度两卷筒中心距载人载物载人载物一层缠绕二层缠绕三层缠绕最大直径破断拉力总和转速最大功率单位㎜㎜㎜KNm㎜KNm/sr/minKWmkgJTK-0.8×0.61800600//15/155层缠绕4661497.5301.3970223×2.2×1.31720JTK-1×0.811000800/15151643325151297.5301.7970453.4×2.1×1.53200JTK-1.2×1JTP-1.2×1112001000/1521152121843968014136.5241.84720554.65×5.45×1.7555002.5970755×5×2.7595621200230500790301.5720454.85×5.45×1.755720JTK-1.2×1.2JTP-1.2×1.22.0970755.2×5×2.7595852JTK-1.2×0.82JTP-1.2×0.82JTK-1.2×12JTP-1.2×1212008008701521152017134453614136.5241.84720405.6×5.45×1.7573002.5970556.1×5×2.751170010001070218439680301.5720405.8×5.45×1.7574102.0970456.5×5×2.7511900JTK-1.6×1.2JTP-1.6×1.2JTK-1.6×1.5JTP-1.6×1.5116001200/3142314225150578620279242.57301156.3×5.97×298503.49801556.4×5.4×2.9135381500290610970301.91730906.6×5.97×2101002.559801306.7×5.4×2.9135002JTK-1.6×0.92JTP-1.6×0.92JTK-1.6×1.22JTP-1.6×1.22160090097031423018236757620279242.5730907×5.97×2114803.49801157.1×5.4×2.91676012001270251505786301.91730757.3×5.97×2119602.55980907.4×5.4×2.917370JK-2×1.5120001500/44614461303641101224396.52059803108.15×6.86×24955JK-2×1.83.77352402.7518003757881234303.39802158.4×6.86×2.75253962.57301552JK-2×12JK-2×1.251.2520001000109044614018239764224396.52059802159.48×6.97×2.7528955125013402375148273.7730155303.39801559.73×6.97×2.75303552.5730110JK-2.5×2JK-2.5×2.3125002000/69836983425886161430621203.858840010.26×9.12×3.05352004.8736475230049810901540302.5558526010.56×9.12×3.05360403.27363202JK-2.5×1.22JK-2.5×1.5225001200129069836522848978730621203.858526011.56×9.12×3.05443354.8736280150015903026381013302.2558515511.86×9.12×3.45454353.2736200JK-3×2.2JK-3×2.5130002200/100135100135472982154036900204.6258840012.4×10.8×2.85525405.79737475303.065852603.86736320JK-3.5×2.5135002500/1361701361705301098172142123011.511.4720190014.18×10.65×73940JK-3.5×2.8206.672013003.952JK-3×1.52JK-3×1.823000150015901001359029067997936900205.7973747514.1×10.8×3.4558750180018903627581200303.8673732014.7×10.8×3.45602502JK-3.5×1.72JK-3.5×2.12350017001790136170115336733115542123011.511.4720151015.9×10.65×3.9577830210021904339311423206.672087516.7×10.65×3.95796302JK-4×2.12400021002190218245125411896139350196211.510.5585151517.5×11.25×4.45110670206.15854902JK-5×2.325000230023902801804559431505622520207.65585158818.5×12.25×5.45174800TKB/JTPB型矿用提升绞车JKB型矿井提升机技术参数表产品型号卷筒钢丝绳最大静张力钢丝绳最大静张力差最大提升高度或运输长度钢丝绳减速比钢丝绳速度电动机外形尺寸长×宽×高主机理论重量个数直径宽度两卷筒中心距载人载物载人载物一层缠绕二层缠绕三层缠绕最大直径破断拉力总和转速最大功率单位㎜㎜㎜KNm㎜KNm/sr/minKWmkgJTKB-0.8×0.61800600//15/155层缠绕4661497.5301.3970223×2.2×1.31720JTKB-1×0.811000800/222212525239616143301.7970453.4×2.1×1.53200JTKB-1.2×1JTPB-1.2×1JTKB-1.2×1.2JTPB-1.2112001000/3015431148820270241.84720554.65×5.45×1.7555002.5970755×5×2.759562×1.21200191389593301.5720454.85×5.45×1.7557202.0970755.2×5×2.7595852JTKB-1.2×0.82JTPB-1.2×0.82JTKB-1.2×121200800870302011924138220270241.84720405.6×5.45×1.7573002.5970556.1×5×2.75117002JTPB-1.2×110001070154...

1、当您付费下载文档后,您只拥有了使用权限,并不意味着购买了版权,文档只能用于自身使用,不得用于其他商业用途(如 [转卖]进行直接盈利或[编辑后售卖]进行间接盈利)。
2、本站所有内容均由合作方或网友上传,本站不对文档的完整性、权威性及其观点立场正确性做任何保证或承诺!文档内容仅供研究参考,付费前请自行鉴别。
3、如文档内容存在违规,或者侵犯商业秘密、侵犯著作权等,请点击“违规举报”。

碎片内容

矿用提升绞车参数

爱的疯狂+ 关注
实名认证
内容提供者

该用户很懒,什么也没介绍

确认删除?
VIP
微信客服
  • 扫码咨询
会员Q群
  • 会员专属群点击这里加入QQ群
客服邮箱
回到顶部