电脑桌面
添加小米粒文库到电脑桌面
安装后可以在桌面快捷访问

磷矿石工业类型VIP免费

磷矿石工业类型_第1页
1/6
磷矿石工业类型_第2页
2/6
磷矿石工业类型_第3页
3/6
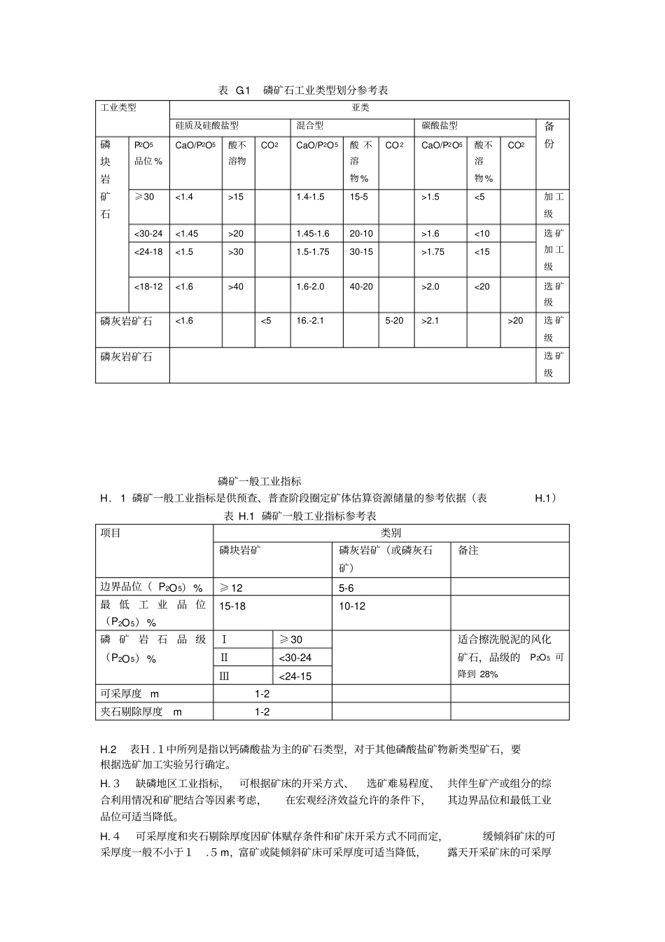
磷矿石工业类型G.1划分磷矿石工业类型的主要目的,是为了尽快取得矿石工业评价的概念,并在此基础上合理布置选矿与加工实验工作。G.2磷矿石的可选性和加工利用,,与含磷矿石及脉石矿物的种类及数量有关,前者是磷矿石工业类型主类划分依据,后者是亚类划分的依据。G.3据矿石中磷酸盐矿物的结构特点,我国磷矿石类型目前可分为两大类:以隐晶质、显微晶质磷灰石为主的磷块岩矿和以显晶质磷灰石为主的磷灰岩和磷灰石矿。除磷块岩富矿和某些中等品位磷矿可不需选矿直接加工利用外,所有类型的中低品位磷矿一般都需经选矿后加工利用才为合理。对磷矿石新类型(如铝磷酸盐矿石)要加强选矿与利用研究,在此基础上划分矿石工业类型。G.4磷矿石主要脉石矿物包括硅质矿物、硅酸盐类矿物。根据其种类、含量以及选矿加工技术特征,将磷矿石划分为硅质及硅酸盐型、碳酸盐型、混合型三个亚类。各亚类脉石矿物中碳酸盐类矿物含量(质量分数)分别为:硅质及硅酸盐型<30%,混合型30%-70%,碳酸盐型70%。G.5磷块岩矿石(主要为碳酸盐型和部分混合型)在风化作用下产生碳酸盐成分的流失,磷矿物的相对富集,以及脉石矿物的成分、矿石结构的变化,形成风化矿。其矿石工业类型趋向于硅质及硅酸盐型,并改变了原矿石的选矿技术加工性质,应划分出风化型亚类。分化型矿石判别指标可采用2P2O5质量分数+A·1≥74%(A·1为酸不溶物质量分数)、CO2质量分数≤5.5%。G.6一般磷灰石矿和磷块岩矿的风化型矿石的选矿易于磷块岩矿,磷块岩中的硅质型矿石选矿易于硅酸盐型矿石和碳酸盐型矿石,很可能是热法磷肥的直接炉料。G.8对含泥量或影响加工的某些杂质(R2O3)显著的提高的矿石,要从同类型中划分出来。G.9对某些含伴生元素较高而需要分采和单独处理的磷块岩矿石,也可以从同类型矿石中分出,冠以该伴生元素的名字(如含稀土碳酸盐型磷块岩)。G.10当矿石中含两种或两种以上而具有不同选矿特性的有用矿产,可按其所含组分进一步划分出亚类,但参与命名者必须达到该矿产所规定的边界品位或综合品位,如磁铁磷灰石矿。G.11划分矿石工业类型要在矿体初步圈定基础上进行,当矿石自然类型变化不大且有规律分布是,也可按矿石自然类型进行划分。G.12磷矿石工业类型划分及参考指标如表G.1表G.1磷矿石工业类型划分参考表工业类型亚类硅质及硅酸盐型混合型碳酸盐型备份磷块岩矿石P2O5品位%CaO/P2O5酸不溶物CO2CaO/P2O5酸不溶物%CO2CaO/P2O5酸不溶物%CO2≥30<1.4>151.4-1.515-5>1.5<5加工级<30-24<1.45>201.45-1.620-10>1.6<10选矿加工级<24-18<1.5>301.5-1.7530-15>1.75<15<18-12<1.6>401.6-2.040-20>2.0<20选矿级磷灰岩矿石<1.6<516.-2.15-20>2.1>20选矿级磷灰岩矿石选矿级磷矿一般工业指标H.1磷矿一般工业指标是供预查、普查阶段圈定矿体估算资源储量的参考依据(表H.1)表H.1磷矿一般工业指标参考表项目类别磷块岩矿磷灰岩矿(或磷灰石矿)备注边界品位(P2O5)%≥125-6最低工业品位(P2O5)%15-1810-12磷矿岩石品级(P2O5)%Ⅰ≥30适合擦洗脱泥的风化矿石,品级的P2O5可降到28%Ⅱ<30-24Ⅲ<24-15可采厚度m1-2夹石剔除厚度m1-2H.2表H.1中所列是指以钙磷酸盐为主的矿石类型,对于其他磷酸盐矿物新类型矿石,要根据选矿加工实验另行确定。H.3缺磷地区工业指标,可根据矿床的开采方式、选矿难易程度、共伴生矿产或组分的综合利用情况和矿肥结合等因素考虑,在宏观经济效益允许的条件下,其边界品位和最低工业品位可适当降低。H.4可采厚度和夹石剔除厚度因矿体赋存条件和矿床开采方式不同而定,缓倾斜矿床的可采厚度一般不小于1.5m,富矿或陡倾斜矿床可采厚度可适当降低,露天开采矿床的可采厚度、夹石剔除厚度可适当增大。磷矿中伴生矿产的综合利用Ⅰ.1磷矿中伴生矿产按其赋存状态可以分为两类。第一类是以独立矿物形式产出的伴生矿产,主要有铁(磁铁矿、钛磁铁矿)、铜、硫(黄铜矿、黄铁矿)、钾(钾长石)等;第二类是赋存在磷酸盐矿物中或脉石矿物间的伴生元素,主要有氟、碘、锶、稀土和铀等。Ⅰ.2第一类伴生矿产主要产于内生磷灰石矿床中,是提高某些地品位磷矿综合开发经济效益的重要条件。它们大多可以...

1、当您付费下载文档后,您只拥有了使用权限,并不意味着购买了版权,文档只能用于自身使用,不得用于其他商业用途(如 [转卖]进行直接盈利或[编辑后售卖]进行间接盈利)。
2、本站所有内容均由合作方或网友上传,本站不对文档的完整性、权威性及其观点立场正确性做任何保证或承诺!文档内容仅供研究参考,付费前请自行鉴别。
3、如文档内容存在违规,或者侵犯商业秘密、侵犯著作权等,请点击“违规举报”。

碎片内容

磷矿石工业类型

您可能关注的文档

爱的疯狂+ 关注
实名认证
内容提供者

该用户很懒,什么也没介绍

确认删除?
VIP
微信客服
  • 扫码咨询
会员Q群
  • 会员专属群点击这里加入QQ群
客服邮箱
回到顶部