电脑桌面
添加小米粒文库到电脑桌面
安装后可以在桌面快捷访问

“全能型”供电所精准培训讲义模板(两种形式)5.22VIP免费

“全能型”供电所精准培训讲义模板(两种形式)5.22_第1页
1/7
“全能型”供电所精准培训讲义模板(两种形式)5.22_第2页
2/7
“全能型”供电所精准培训讲义模板(两种形式)5.22_第3页
3/7
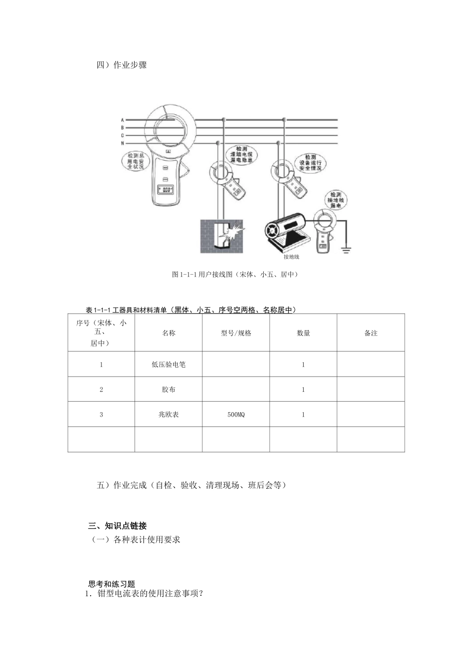
说明:本模板有两种形式,各位专家根据内容需要自由选择。模板一:任务驱动型第一章配电网运维与检修(华文中宋、三号、段前1行、段后1行、居中、加粗)模块一低压零线带电故障处理(楷体GB2312、小四、段后1行、居中)模块目标(微软雅黑、五号、左侧缩进两字符、单倍行距)了解xxx,掌握xxx,会做XXX。(楷体GB2312、五号、首行缩进两字符、左右两侧各缩进两字符、行距固定值8磅)模块内容一、任务描述(黑体、五号、左侧缩进两字符、行距固定值8磅)某村由一台200KVA配电变压器进行供电(TT系统接线方式),低压出线由总配电箱分四路出线至用户端,其中有三路出线分别供3栋居民楼,一路供小区去商户用电,有一天有居民在自家更换插座时,用电笔测量零线时有50伏左右的电压,但是用户用电正常。客户打电话保修,接到故障报修后,供电所抢修人员应如何处理。(宋体、五号、首行缩进两字符、行距固定值18磅)二、任务内容(一)任务接受参与抢修人员接受抢修任务,勘察现场环境,编制抢修流程,制定抢修规范。提交单位专业主管,经过专业主管批准并派发任务后,准备开始工作。(二,作业前准备1.工器具和材料准备(1,工器具:电工常用工具、低压验电笔、钳形电流表、兆欧表。(2,材料:胶布、低压电缆、铜铝接头等。2.工作前的检查(1,工作前对兆欧表和钳形电流表进行检查。(2,根据图纸核对个支路开关位置及控制范围。①……a.(三,安全技术措施四)作业步骤按地线图1-1-1用户接线图(宋体、小五、居中)表1-1-1工器具和材料清单(黑体、小五、序号空两格、名称居中)序号(宋体、小五、居中)名称型号/规格数量备注1低压验电笔12胶布13兆欧表500MQ1五)作业完成(自检、验收、清理现场、班后会等)三、知识点链接(一)各种表计使用要求思考和练习题1.钳型电流表的使用注意事项?2.兆欧表的使用注意事项?模块二低压配电设备验收(楷体GB2312、小四、段前1行、段后1行、居中)模板二:普通叙述型第一章配电网运维与检修(华文中宋、三号、段前1行、段后1行、居中、加粗)模块一低压零线带电故障处理(楷体GB2312、小四、段后1行、居中)模块目标(微软雅黑、五号、左侧缩进两字符、单倍行距)了解xxx,掌握xxx,会做XXX。(楷体GB2312、五号、首行缩进两字符、左右两侧各缩进两字符、行距固定值8磅)模块内容一、XXXX(黑体、五号、左侧缩进两字符、行距固定值8磅)某村由一台200KVA配电变压器进行供电(TT系统接线方式),低压出线由总配电箱分四路出线至用户端,其中有三路出线分别供3栋居民楼。。。。。(宋体、五号、首行缩进两字符、行距固定值18磅)二、XXXX(一)XXXXXXXX(二)XXXX1.XXXX(1)XXXX①XXXXa.表1-1-1工器具和材料清单(黑体、小五、序号空.两格、名称居中)序号(宋体、小五、居中)名称型号/规格数量备注1低压验电笔12胶布13兆欧表500MQ1思考和练习题1.钳型电流表的使用注意事项?2.兆欧表的使用注意事项?模块二低压配电设备验收(楷体GB2312、小四、段前1行、段后1行、居中)表1-1-1工器具和材料清单(黑体、小五、序号空.两格、名称居中)通过对三相动力客户低压零线带电故障和单相照明客户零线带电故障的案例分析、查找、排除故障的全过程,掌握低压零线带电故障处理。

1、当您付费下载文档后,您只拥有了使用权限,并不意味着购买了版权,文档只能用于自身使用,不得用于其他商业用途(如 [转卖]进行直接盈利或[编辑后售卖]进行间接盈利)。
2、本站所有内容均由合作方或网友上传,本站不对文档的完整性、权威性及其观点立场正确性做任何保证或承诺!文档内容仅供研究参考,付费前请自行鉴别。
3、如文档内容存在违规,或者侵犯商业秘密、侵犯著作权等,请点击“违规举报”。

碎片内容

“全能型”供电所精准培训讲义模板(两种形式)5.22

确认删除?
VIP
微信客服
  • 扫码咨询
会员Q群
  • 会员专属群点击这里加入QQ群
客服邮箱
回到顶部