电脑桌面
添加小米粒文库到电脑桌面
安装后可以在桌面快捷访问

江苏省2012高考物理3月各地模拟试题汇编-实验VIP免费

江苏省2012高考物理3月各地模拟试题汇编-实验_第1页
1/13
江苏省2012高考物理3月各地模拟试题汇编-实验_第2页
2/13
江苏省2012高考物理3月各地模拟试题汇编-实验_第3页
3/13
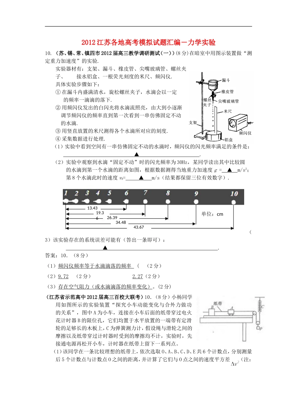
2012江苏各地高考模拟试题汇编-力学实验10.(苏、锡、常、镇四市2012届高三教学调研测试(一))(8分)在暗室中用图示装置做“测定重力加速度”的实验.实验器材有:支架、漏斗、橡皮管、尖嘴玻璃管、螺丝夹子、接水铝盒、一根荧光刻度的米尺、频闪仪.具体实验步骤如下:①在漏斗内盛满清水,旋松螺丝夹子,水滴会以一定的频率一滴滴的落下.②用频闪仪发出的白闪光将水滴流照亮,由大到小逐渐调节频闪仪的频率直到第一次看到一串仿佛固定不动的水滴.③用竖直放置的米尺测得各个水滴所对应的刻度.④采集数据进行处理.(1)实验中看到空间有一串仿佛固定不动的水滴时,频闪仪的闪光频率满足的条件是:▲.(2)实验中观察到水滴“固定不动”时的闪光频率为30Hz,某同学读出其中比较圆的水滴到第一个水滴的距离如图,根据数据测得当地重力加速度g=▲m/s2;第8个水滴此时的速度v8=▲m/s(结果都保留三位有效数字).(3)该实验存在的系统误差可能有(答出一条即可):▲.答案:10.(8分)(1)频闪仪频率等于水滴滴落的频率((2分)(2)9.72(2分)2.27(2分)(3)存在空气阻力(或水滴滴落的频率变化)。(2分)(江苏省示范高中2012届高三百校大联考)10.(8分)小杨同学用如图所示的实验装置“探究小车动能变化与合外力做功的关系”,图中A为小车,连接在小车后面的纸带穿过电火花计时器B的限位孔,它们均置于水平放置的一端带有定滑轮的足够长的木板上,C为弹簧测力计,假设绳与滑轮之间的摩擦以及纸带穿过计时器时受到的摩擦均不计,实验时,先接通电源再松开小车,计时器在纸带上留下一系列点。(1)该同学在一条比较理想的纸带上,依次选取O、A、B、C、D、E共6个计数点,分别测量后5个计数点与计数点O之间的距离,并计算了它们与O点之间的速度平方差(注:13.4319.3626.3934.4843.67单位:cm26.40单位:cm038.4021.60123456),填入下表:请以纵坐标,以s为横坐标作了图像,若测出小车质量为0.2kg,结合图像可求得小车所受合外力的大小为N。(结果保留两位有效数字(2)该同学通过计算发现小车所受合外力小于测力计读数,明显超出实验误差的正常范围,你认为主要原因是。(江苏省泰州中学2011-2012学年度第二学期高三物理学情检测试题)10、用如图实验装置验证m1、m2组成的系统机械能守恒.m2从高处由静止开始下落,m1上拖着的纸带打出一系列的点,对纸带上的点迹进行测量,即可验证机械能守恒定律.下图给出的是实验中获取的一条纸带:0是打下的第一个点,每相邻两计数点间还有4个点(图中未标出),计数点间的距离如图所示.已知m1=50g、m2=150g,则(g取9.8m/s2,所有结果均保留三位有效数字)(1)在纸带上打下记数点5时的速度v=m/s;(2)在打点0~5过程中系统动能的增量△EK=J,系统势能的减少量△EP=J;(3)若某同学作出hv221图像如图,则当地的实际重力加速度g=m/s2.v2/2(m2/s2)h(m)1.205.82OOh/m▲▲▲答案:10、(1)2.40m/s(2)0.576J,0.588J,(3)9.70m/s2(苏北四市2012届高三第三次调研测试)10.(8分)某同学为了探究杆转动时的动能表达式,设计了如图所示的实验:质量为m的均匀长直杆一端固定在光滑转轴O处,杆由水平位置静止释放,用光电门测出另一端A经过某位置时的瞬时速度vA,并记下该位置与转轴O的高度差h。⑴设杆的宽度为L(L很小),A端通过光电门的时间为t,则A端通过光电门的瞬时速度vA的表达式为▲。⑵调节h的大小并记录对应的速度vA,数据如上表。为了形象直观地反映vA和h的关系,请选择适当的纵坐标并画出图象。⑶当地重力加速度g取10m/s2,结合图象分析,杆转动时的动能Ek=▲(请用质量m、速度vA表示)。答案:10.(8分)⑴(3分)⑵如图(纵坐标1分,图象2分)⑶(2分)(南京市2012届高三年级第二次模拟考试)10.(8分)如图a为利用气垫导轨(滑块在该导轨上运动时所受阻力可忽略)“验证机械能守恒定律”的实验装置,请结合以下实验步骤完成填空。(1)将气垫导轨放在水平桌面上,并调节至水平。(2)用天平称出滑块和挡光条的总质量M,再称出托盘和砝码的总质量m。用刻度尺测出两光电门中心之间的距离s,用游标卡尺测出挡光条的宽度l...

1、当您付费下载文档后,您只拥有了使用权限,并不意味着购买了版权,文档只能用于自身使用,不得用于其他商业用途(如 [转卖]进行直接盈利或[编辑后售卖]进行间接盈利)。
2、本站所有内容均由合作方或网友上传,本站不对文档的完整性、权威性及其观点立场正确性做任何保证或承诺!文档内容仅供研究参考,付费前请自行鉴别。
3、如文档内容存在违规,或者侵犯商业秘密、侵犯著作权等,请点击“违规举报”。

碎片内容

江苏省2012高考物理3月各地模拟试题汇编-实验

您可能关注的文档

中小学教育精品资料+ 关注
实名认证
内容提供者

中小学教育资料,优质文档创作者

确认删除?
VIP
微信客服
  • 扫码咨询
会员Q群
  • 会员专属群点击这里加入QQ群
客服邮箱
回到顶部