电脑桌面
添加小米粒文库到电脑桌面
安装后可以在桌面快捷访问

高中化学 第二章 化学反应与能量 第二节 化学能与电能 第1课时 化学能转化为电能学案 新人教版必修2-新人教版高一必修2化学学案VIP免费

高中化学 第二章 化学反应与能量 第二节 化学能与电能 第1课时 化学能转化为电能学案 新人教版必修2-新人教版高一必修2化学学案_第1页
1/13
高中化学 第二章 化学反应与能量 第二节 化学能与电能 第1课时 化学能转化为电能学案 新人教版必修2-新人教版高一必修2化学学案_第2页
2/13
高中化学 第二章 化学反应与能量 第二节 化学能与电能 第1课时 化学能转化为电能学案 新人教版必修2-新人教版高一必修2化学学案_第3页
3/13
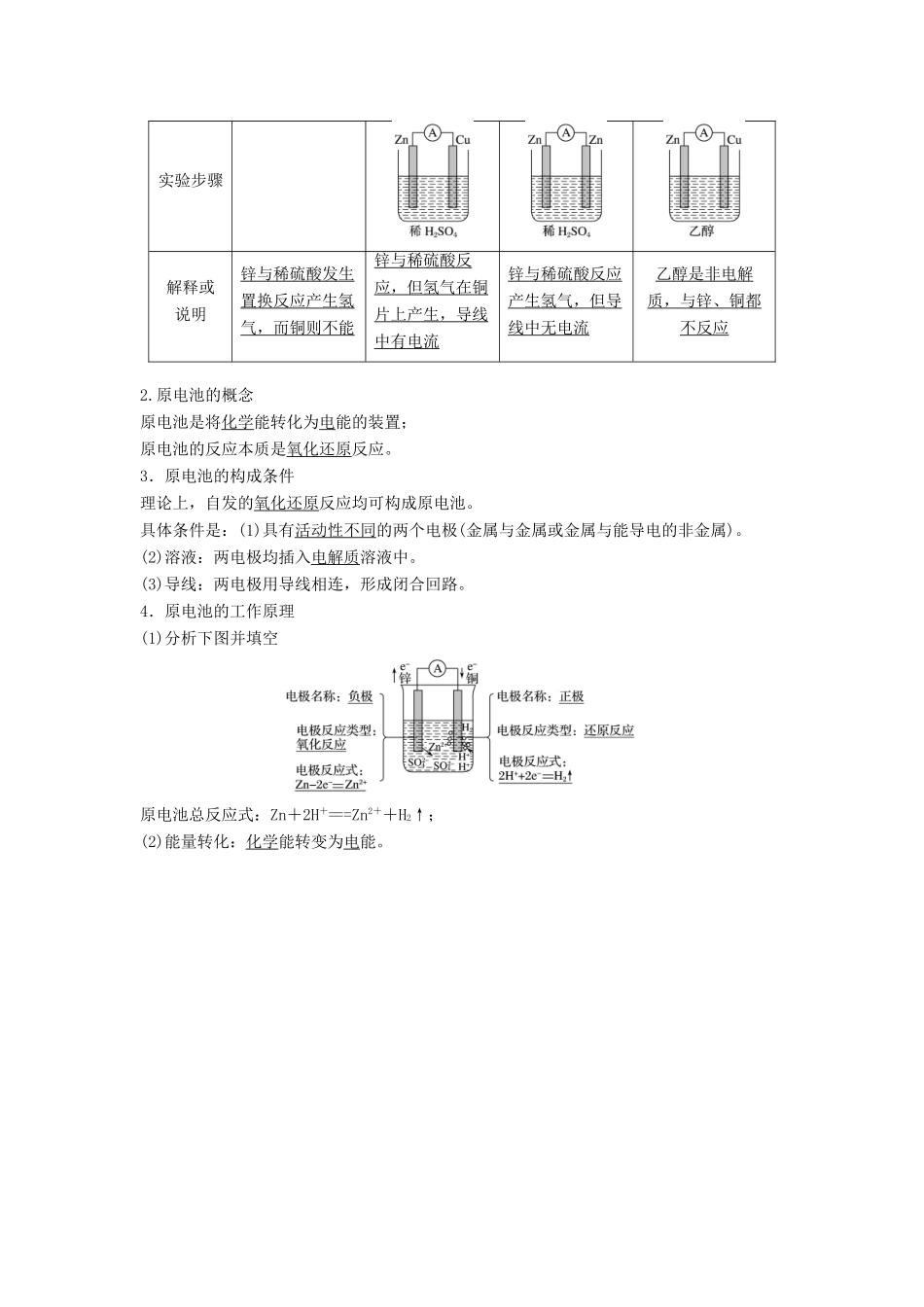
第1课时化学能转化为电能一、能源与火力发电1.一次能源和二次能源(1)一次能源:直接从自然界取得的能源。如太阳能、风能、地热能、水力、潮汐、原煤、石油、天然气、天然铀矿等。(2)二次能源:一次能源经过加工,转换得到的能源。如电能、蒸汽能、机械能等。2.火力发电——化学能间接转化为电能(1)火力发电的原理首先通过化石燃料燃烧,使化学能转变为热能,加热水使之汽化为蒸汽以推动蒸汽轮机,然后带动发电机发电。(2)能量转换过程化学能――→热能――→机械能――→电能(3)火力发电的弊端①化石燃料属于不可再生资源,用化石燃料发电会造成资源的浪费。②火力发电的过程中,能量经过多次转化,利用率低,能量损失大。③化石燃料燃烧会产生大量的有害物质(如SO2、CO、NO2、粉尘等),污染环境。火力发电是通过氧化还原反应将化学能转化为电能的一种间接方式,在其过程中,燃烧是使化学能转化为电能的关键。例1下列叙述不正确的是()A.根据一次能源和二次能源的划分,氢气为二次能源B.电能是现代社会中应用最广泛、使用最方便、污染最小的一种二次能源C.火力发电是将燃料中的化学能直接转化为电能的过程D.在火力发电过程中,化学能转化为热能实际上是氧化还原反应发生的过程,伴随着能量的变化答案C解析氢气不能从自然界中直接取得,是二次能源,A正确;电能也是二次能源,且使用方便、污染最小,B正确;以煤为燃料,火力发电的能量转化过程:(煤)化学能――→热能――→机械能――→电能,故C错误,D正确。二、原电池——化学能直接转化为电能1.实验探究实验步骤解释或说明锌与稀硫酸发生置换反应产生氢气,而铜则不能锌与稀硫酸反应,但氢气在铜片上产生,导线中有电流锌与稀硫酸反应产生氢气,但导线中无电流乙醇是非电解质,与锌、铜都不反应2.原电池的概念原电池是将化学能转化为电能的装置;原电池的反应本质是氧化还原反应。3.原电池的构成条件理论上,自发的氧化还原反应均可构成原电池。具体条件是:(1)具有活动性不同的两个电极(金属与金属或金属与能导电的非金属)。(2)溶液:两电极均插入电解质溶液中。(3)导线:两电极用导线相连,形成闭合回路。4.原电池的工作原理(1)分析下图并填空原电池总反应式:Zn+2H+===Zn2++H2↑;(2)能量转化:化学能转变为电能。5.原电池工作原理的应用(1)比较金属活动性原电池中,作负极的金属活动性一般比作正极的金属活动性强。(2)改变化学反应速率如:在Zn和稀硫酸反应时,滴加少量CuSO4溶液,则Zn置换出的铜和锌构成原电池的正负极,从而加快Zn与稀硫酸反应的速率。(3)设计原电池如:把Fe+2Fe3+===3Fe2+设计成原电池,可用Fe作负极,铜(或石墨)作正极,FeCl3溶液作电解质溶液。例2如图所示装置能够组成原电池的是________________________________。其他不能构成原电池的说明理由:___________________________________________________________________________________________________________。考点能源与构成的原电池条件题点原电池的形成条件与判断方法答案EFGA装置的两个电极的活泼性相同,电子不会流动形成电流;B装置为非电解质溶液,不能发生氧化还原反应;C装置电解质溶液在两个分开的装置中,不成形成闭合回路;D装置无导线连接电极,不能形成闭合回路。它们均不能构成原电池思维启迪原电池的判定方法:一看反应原理(能否自发地进行氧化还原反应);二看构成条件(两极一液成回路:两个活泼性不同的电极,插入电解质溶液中,装置形成闭合回路)。例3如图所示电流表的指针发生偏转,同时A极的质量减小,B极上有气泡产生,C为电解质溶液,下列说法错误的是()A.B极为原电池的正极B.A、B、C分别可以为Zn、Cu和稀盐酸C.C中阳离子向A极移动D.A极发生氧化反应考点原电池工作原理及正负极的判断题点原电池工作原理答案C解析原电池中,负极金属失去电子,发生氧化反应溶解,质量减小,故A极为负极,B极为正极,A、D项正确;A、B、C分别为Zn、Cu和稀盐酸时,可以构成原电池,且现象符合题意,B项正确;电解质溶液中阳离子移向正极,C项错误。例4某原电池的离子方程式是Zn+Cu2+===Zn2++Cu,该原电池正确的组成...

1、当您付费下载文档后,您只拥有了使用权限,并不意味着购买了版权,文档只能用于自身使用,不得用于其他商业用途(如 [转卖]进行直接盈利或[编辑后售卖]进行间接盈利)。
2、本站所有内容均由合作方或网友上传,本站不对文档的完整性、权威性及其观点立场正确性做任何保证或承诺!文档内容仅供研究参考,付费前请自行鉴别。
3、如文档内容存在违规,或者侵犯商业秘密、侵犯著作权等,请点击“违规举报”。

碎片内容

高中化学 第二章 化学反应与能量 第二节 化学能与电能 第1课时 化学能转化为电能学案 新人教版必修2-新人教版高一必修2化学学案

您可能关注的文档

星河书苑+ 关注
实名认证
内容提供者

从事历史教学,热爱教育,高度负责。

相关文档

确认删除?
VIP
微信客服
  • 扫码咨询
会员Q群
  • 会员专属群点击这里加入QQ群
客服邮箱
回到顶部