电脑桌面
添加小米粒文库到电脑桌面
安装后可以在桌面快捷访问

维修电工中级操作技能考核评分记录表001VIP免费

维修电工中级操作技能考核评分记录表001_第1页
1/4
维修电工中级操作技能考核评分记录表001_第2页
2/4
维修电工中级操作技能考核评分记录表001_第3页
3/4
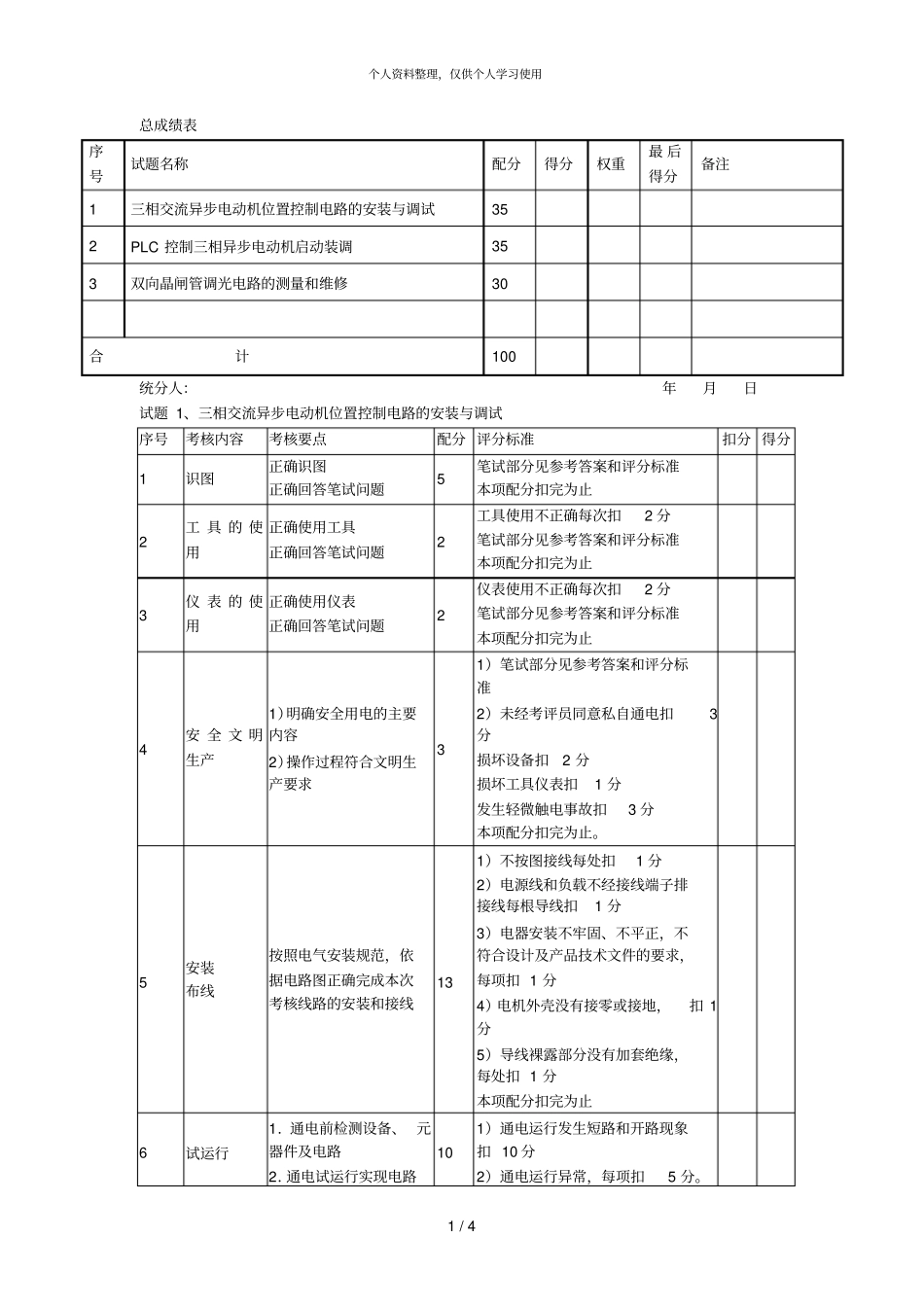
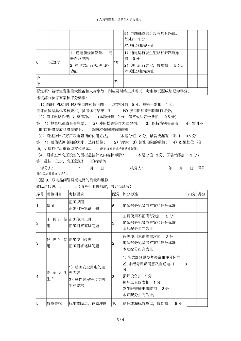
个人资料整理,仅供个人学习使用1/4总成绩表统分人:年月日试题1、三相交流异步电动机位置控制电路的安装与调试序号考核内容考核要点配分评分标准扣分得分1识图正确识图正确回答笔试问题5笔试部分见参考答案和评分标准本项配分扣完为止2工具的使用正确使用工具正确回答笔试问题2工具使用不正确每次扣2分笔试部分见参考答案和评分标准本项配分扣完为止3仪表的使用正确使用仪表正确回答笔试问题2仪表使用不正确每次扣2分笔试部分见参考答案和评分标准本项配分扣完为止4安全文明生产1)明确安全用电的主要内容2)操作过程符合文明生产要求31)笔试部分见参考答案和评分标准2)未经考评员同意私自通电扣3分损坏设备扣2分损坏工具仪表扣1分发生轻微触电事故扣3分本项配分扣完为止。5安装布线按照电气安装规范,依据电路图正确完成本次考核线路的安装和接线131)不按图接线每处扣1分2)电源线和负载不经接线端子排接线每根导线扣1分3)电器安装不牢固、不平正,不符合设计及产品技术文件的要求,每项扣1分4)电机外壳没有接零或接地,扣1分5)导线裸露部分没有加套绝缘,每处扣1分本项配分扣完为止6试运行1.通电前检测设备、元器件及电路2.通电试运行实现电路101)通电运行发生短路和开路现象扣10分2)通电运行异常,每项扣5分。序号试题名称配分得分权重最后得分备注1三相交流异步电动机位置控制电路的安装与调试352PLC控制三相异步电动机启动装调353双向晶闸管调光电路的测量和维修30合计100个人资料整理,仅供个人学习使用2/4功能本项配分扣完为止合计35否定项:若考生发生重大设备和人身事故,则应及时终止其考试,考生该试题成绩记为零分。笔试部分参考答案和评分标准:(1)写出下列图形文字符号的名称。(本题分值5分,每错一处扣1分)QS(电源开关);FU1(熔断器);KM1(交流接触器);SQ1(行程开关);SB1(按钮)。(2)简述剥线钳使用注意事项。(本题分值2分,错答或漏答一条扣0.5分)答:1)选择合适的规格;2)确定剥线长度;3)选择合适的槽口;4)用力恰当。(3)简述钳形电流表的使用方法。(本题分值2分,错答或漏答一条扣0.5分)答:1)使用前调零;2)预估被测电流的大小,选择量程;3)被测导线置于钳口内中心位置;4)被测电路电流太小时可将被测载流导线在钳口部分的铁心柱上绕几圈。矚慫润厲钐瘗睞枥庑赖賃軔。(4)可能误登的架构上应悬挂什么文字的标示牌?(本题分值3分,回答错误扣3分)答:应悬挂"禁止攀登,高压危险!"的标示牌。评分人:年月日核分人:年月日聞創沟燴鐺險爱氇谴净祸測。试题2、PLC控制三相异步电动机启动装调序号考核内容考核要点配分评分标准扣分得分1识图正确识图正确回答笔试问题5笔试部分见参考答案和评分标准本项配分扣完为止2工具的使用正确使用工具正确回答笔试问题2工具使用不正确每次扣2分笔试部分见参考答案和评分标准本项配分扣完为止3仪表的使用正确使用仪表正确回答笔试问题2仪表使用不正确每次扣2分笔试部分见参考答案和评分标准本项配分扣完为止4安全文明生产1)明确安全用电的主要内容2)操作过程符合文明生产要求31)笔试部分见参考答案和评分标准2)未经考评员同意私自通电扣3分损坏设备扣2分损坏工具仪表扣1分发生轻微触电事故扣3分本项配分扣完为止。5安装布线按照电气安装规范,依据电路图正确完成本次考核线路的安装和接线131)不按图接线每处扣1分2)电源线和负载不经接线端子排接线每根导线扣1分3)电器安装不牢固、不平正,不符合设计及产品技术文件的要求,每项扣1分4)电机外壳没有接零或接地,扣1分个人资料整理,仅供个人学习使用3/45)导线裸露部分没有加套绝缘,每处扣1分本项配分扣完为止6试运行1.通电前检测设备、元器件及电路2.通电试运行实现电路功能101)通电运行发生短路和开路现象扣10分2)通电运行异常,每项扣5分。本项配分扣完为止合计35否定项:若考生发生重大设备和人身事故,则应及时终止其考试,考生该试题成绩记为零分。笔试部分参考答案和评分标准:(1)绘制PLC的I/O接口图和梯形图。(本题分值5分,每错一处扣1分)考评员依据具体考核要求,参考运行结果,对I/O接口图和梯形图进行评...

1、当您付费下载文档后,您只拥有了使用权限,并不意味着购买了版权,文档只能用于自身使用,不得用于其他商业用途(如 [转卖]进行直接盈利或[编辑后售卖]进行间接盈利)。
2、本站所有内容均由合作方或网友上传,本站不对文档的完整性、权威性及其观点立场正确性做任何保证或承诺!文档内容仅供研究参考,付费前请自行鉴别。
3、如文档内容存在违规,或者侵犯商业秘密、侵犯著作权等,请点击“违规举报”。

碎片内容

维修电工中级操作技能考核评分记录表001

确认删除?
VIP
微信客服
  • 扫码咨询
会员Q群
  • 会员专属群点击这里加入QQ群
客服邮箱
回到顶部