电脑桌面
添加小米粒文库到电脑桌面
安装后可以在桌面快捷访问

桥梁墩台基础工程课程设计VIP免费

桥梁墩台基础工程课程设计_第1页
1/9
桥梁墩台基础工程课程设计_第2页
2/9
桥梁墩台基础工程课程设计_第3页
3/9
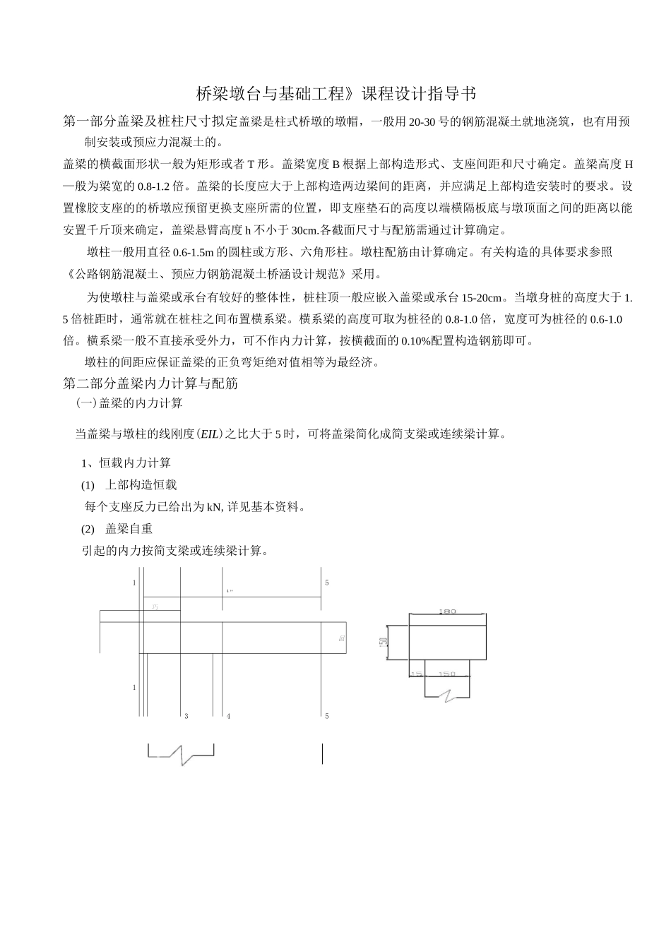
桥梁墩台与基础工程》课程设计任务书一、课程设计目的该课程设计是为了更好的掌握桥梁墩台与基础的一般设计方法,使其具备初步的独立设计能力;掌握如何综合考虑上部结构、水文、地质条件来进行一般墩台基础设计能力;提高综合运用所学的理论知识独立分析和解决问题的能力;培养学生在综合性和实践性方面能力,以期能独立地、系统地完成一个工程设计的全过程。二、课程设计题目某简支梁桩柱式墩、台设计三、课程设计内容和要求(一)课程设计内容1、设计荷载标准公路I级,人群荷载一3.5KN/m2。公路II级,人群荷载一3.0KN/m2。2、桥面净空5梁式:净7+2X1.0m。6梁式:净9+2X1.0m。3、上部构造该桥上部构造尺寸及永久荷载见下表1和2:表1编号跨径(m)主梁间距(cm)计算跨径(m)梁长(m)支座尺寸(cm)肋宽(cm)每片主梁自重(kN/m)5梁式(6梁式)1、5号(1、6号)2、4号(2、5号)3号(3、4号)11316012.612.9616*25*2.81815.65513.62513.62521616015.515.9618*25*2.81817.7718.0917.9032016019.519.9618*25*2.81819.37719.42518.45142516024.324.9620*35*4.23623.97520.122.6153016029.1629.9620*35*4.24027.02223.23927.732表2编号跨径(m)上部一孔恒载(kN)每一个支座恒载反力(kN)5梁式(6梁式)5梁式6梁式1、5号(1、6号)2、4号(2、5号)3号(3、4号)113935.521110.80101.4488.2988.292161430.341716.02141.80144.36142.843201917.262285.54193.38193.86184.144252764.573328.92299.21250.85282.175303842.494673.34404.79348.12415.43注:冲击系数为1+卩=1.34、水文地质资料(a)(1)地质资料土层天然容重(kN/m3)桩侧摩阻力(kPa)液性指数孔隙比中砂20.560粘性土19.5650.40.8中砂厚度如下:表4中砂厚度(m)(1)(2)(3)(4)(5)(6)3.04.04.55.05.56.0(2)水文资料墩帽盖梁顶标高:246m,常水位:242.5m,河床标高:240.5m,—般冲刷线:238.5m,局部冲刷线:235.2m。水文地质资料(b)(1)地质资料标高20.00以上桩侧土为软塑亚粘土,各物理性质指标为:容重丫=18.5kN/m3,土粒比重Gs=2.70,天然含水量w=21%,液限wL=22.7%,塑限w=16.3%;标高20.00以下桩侧及桩底均为硬塑性亚粘土,其物理性质指标为:容重丫=19.5kN/m3,土粒比重Gs=2.70,天然含水量w=17.8%,液限wL=22.7%,塑限WP=16.3%。(2)水文资料墩帽盖梁顶标高:127m,常水位:125m,河床标高:122.00m,—般冲刷线:120.00m,局部冲刷线:118.00m。5、主要材料(1)盖梁和墩身均采用C30混凝土;(2)承台与桩基采用C25混凝土;(3)主筋采用HRB335级钢筋;箍筋采用R235级钢筋。(二)课程设计成果要求(1)设计成果完整,计算数据准确,图表规范。(2)墩台基础结构构造图,图纸一律用铅笔绘制,幅面采用3号图纸(A3)(3)计算书一律采用A4纸用碳素笔书写。四、课程设计时间安排1、盖梁及桩柱尺寸拟定;(用时0.5天)2、盖梁内力计算;(用时1.5天)3、墩柱内力计算;(用时1天)4、桩的内力计算;(用时1天)5、绘制墩柱与桩的构造图(用A3纸画);(用时0.5天)6、答辩及资料整理。(用时0.5天)五、参考文献1、公路桥涵地基与基础设计规范;2、墩台设计手册;3、桥梁墩台与基础工程;4、桥梁工程。14”5巧邑1345桥梁墩台与基础工程》课程设计指导书第一部分盖梁及桩柱尺寸拟定盖梁是柱式桥墩的墩帽,一般用20-30号的钢筋混凝土就地浇筑,也有用预制安装或预应力混凝土的。盖梁的横截面形状一般为矩形或者T形。盖梁宽度B根据上部构造形式、支座间距和尺寸确定。盖梁高度H—般为梁宽的0.8-1.2倍。盖梁的长度应大于上部构造两边梁间的距离,并应满足上部构造安装时的要求。设置橡胶支座的的桥墩应预留更换支座所需的位置,即支座垫石的高度以端横隔板底与墩顶面之间的距离以能安置千斤顶来确定,盖梁悬臂高度h不小于30cm.各截面尺寸与配筋需通过计算确定。墩柱一般用直径0.6-1.5m的圆柱或方形、六角形柱。墩柱配筋由计算确定。有关构造的具体要求参照《公路钢筋混凝土、预应力钢筋混凝土桥涵设计规范》采用。为使墩柱与盖梁或承台有较好的整体性,桩柱顶一般应嵌入盖梁或承台15-20cm。当墩身桩的高度大于1.5倍桩距时,通常就...

1、当您付费下载文档后,您只拥有了使用权限,并不意味着购买了版权,文档只能用于自身使用,不得用于其他商业用途(如 [转卖]进行直接盈利或[编辑后售卖]进行间接盈利)。
2、本站所有内容均由合作方或网友上传,本站不对文档的完整性、权威性及其观点立场正确性做任何保证或承诺!文档内容仅供研究参考,付费前请自行鉴别。
3、如文档内容存在违规,或者侵犯商业秘密、侵犯著作权等,请点击“违规举报”。

碎片内容

桥梁墩台基础工程课程设计

wxg+ 关注
实名认证
内容提供者

该用户很懒,什么也没介绍

确认删除?
VIP
微信客服
  • 扫码咨询
会员Q群
  • 会员专属群点击这里加入QQ群
客服邮箱
回到顶部