电脑桌面
添加小米粒文库到电脑桌面
安装后可以在桌面快捷访问

设备编码管理规程VIP免费

设备编码管理规程_第1页
1/14
设备编码管理规程_第2页
2/14
设备编码管理规程_第3页
3/14
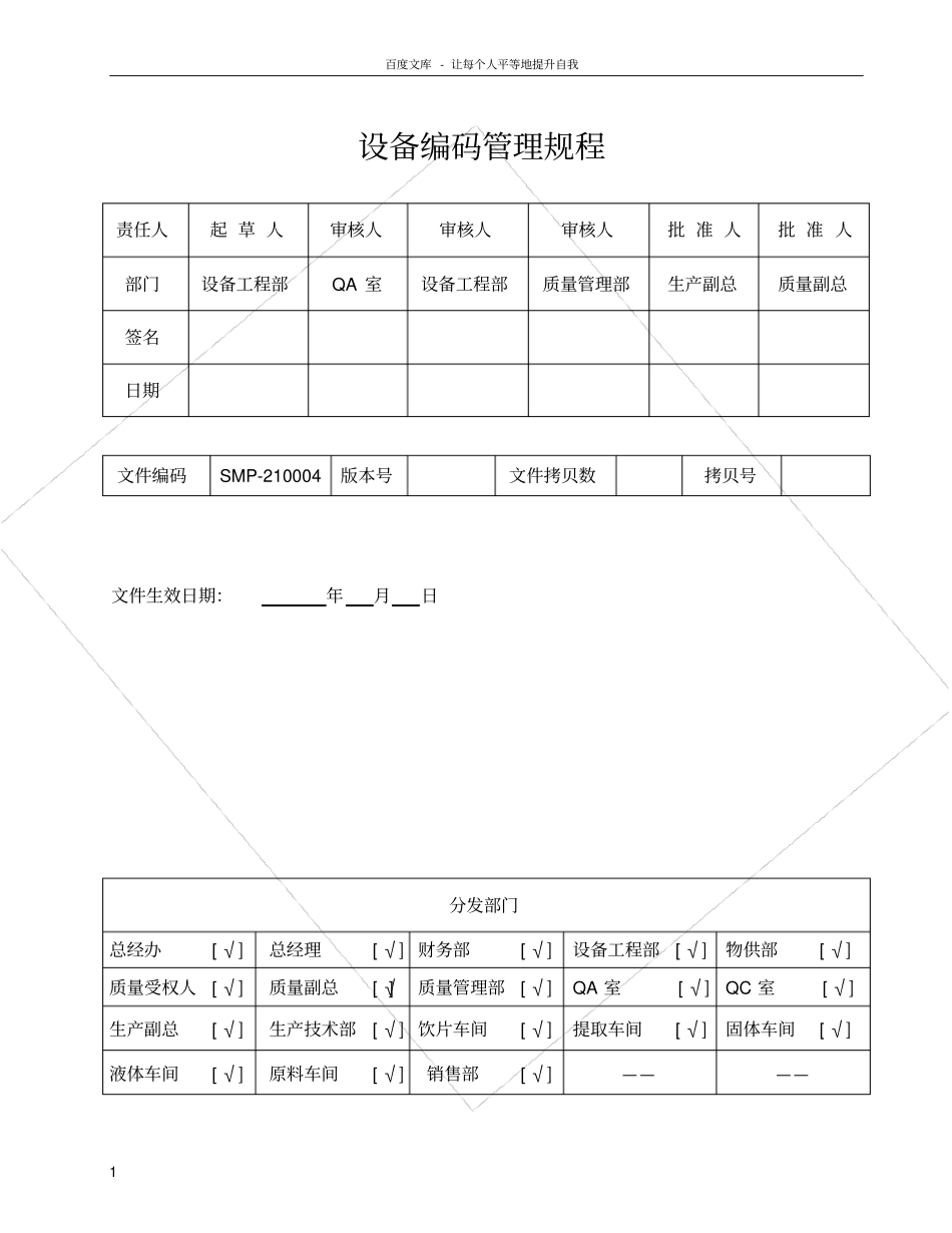
百度文库-让每个人平等地提升自我1设备编码管理规程责任人起草人审核人审核人审核人批准人批准人部门设备工程部QA室设备工程部质量管理部生产副总质量副总签名日期文件编码SMP-210004版本号文件拷贝数拷贝号文件生效日期:年月日分发部门总经办[√]总经理[√]财务部[√]设备工程部[√]物供部[√]质量受权人[√]质量副总[√]质量管理部[√]QA室[√]QC室[√]生产副总[√]生产技术部[√]饮片车间[√]提取车间[√]固体车间[√]液体车间[√]原料车间[√]销售部[√]————百度文库-让每个人平等地提升自我21.目的建立规范的设备分类编码标准,使设备分类编码有据可依,规范统一。2.适用范围本规程适用于本公司内用于办公、生产、公共系统及检验相关设备的分类和编号。3.责任设备工程部:负责组织本规程的起草、审核、修订、培训、执行及监督工作。文件管理员:负责本文件的保存、归档、复制、分发、变更、回收及销毁QA室主管:负责本文件的审核工作。生产技术部经理和质量管理部经理:负责本规程的审核工作。生产副总和质量副总:负责本规程的批准工作。设备工程部人员:负责本规程的执行。QA人员:负责监督本规程的执行。4.内容编码原则设备的分类是设备管理的基础工作。统计、分析设备的构成情况和性能,可以更好地实行分级管理和重点维修。设备编码作为设备的唯一性,一经确定,不得更改。一旦该设备报废、变卖和转出,该编号也随之作废。设备编码主要体现设备所在部门(车间)、车间的房间号、设备类型编号和同型号设备的序号。设备编码必须与设备一一对应。设备编码由设备工程部统一编定,任何人不得擅自修改。使用部门负责对本部门设备的标签进行核对、管理,发现标签脱落应及时通知设备工程部,以保证设备编号与设备的唯一对应。编号方式设备编号是由四部分共十三位数字组成,第一部为设备使用部门(车间)代码,第二部分为设备所在车间的房间编号,第三部分为设备分类代码,第四部分为同类设备的数量。其所带表的含义如下:第一部分为设备使用部门(车间)代码,以两位阿拉伯数字表示,详见附件1:设备使用部门(车间)代码一览表。第二部分为车间房间编号,以三位阿拉伯数字表示。(整个车间房间编号,不重复)详见车间百度文库-让每个人平等地提升自我3房间编号图。第三部为设备分类代码,以六位阿拉伯数字表示。详见附件2:医药工业设备分类编号表。第四部分为同类设备的数量,以两位阿拉伯数字表示,如01、02⋯⋯依此累加不重复。编号格式×××××××××××××同类型设备数量设备分类代码车间房间号设备使用部门(车间)代码编号举例固体车间的压片机间,房间编号为035,里面的压片机编号就是,04035120205XX(xx表示同类型中的第几台)质量管理部的称量室,房间编号为050,里面的天平编号就是,11050060302XX(xx表示同类型中的第几台)5.附录附录1:见附件1设备使用部门(车间)代码一览表附录2:见附件2医药工业设备分类编号表附录3:车间房间编号图6.相关文件无。7.修订历史修订记载文件版本修订类型修订内容生效日期新订——年月日附件1:设备使用部门(车间)代码一览表百度文库-让每个人平等地提升自我4类别代码类别代码原料车间01总经办08饮片车间02物供部09提取车间03质量管理部10固体车间04设备工程部11液体车间05财务部12仓库06危险品库/溶媒罐区13综合楼07门卫、消防水池、污水、药渣处理145附件2:医药工业设备分类编号表大类中类编号01020304名称锅炉冷冻机冷冻应用设备气体压缩机小类编号012901020304050629010203040506072901020304050607082904动力设备名称蒸汽水管锅炉其它锅炉活塞式制冷压缩机离心式制冷压缩机螺杆式制冷压缩机吸收式制冷压缩机回转式制冷压缩机蒸汽喷射式冷冻机其它冷冻机窗式空调机柜式空调机降温空调机空调箱冷库冰箱冷饮制作机其它冷冻应用设备活塞式空气压缩机离心式透平压缩机螺杆式回转压缩机氢气压缩机氮气压缩机煤气压缩机高压氧气压缩机低压氧气压缩机其它气体压缩机中类编号050607080910名称真空泵风机离心清水泵离心耐腐蚀泵离心杂质泵往复泵小类编号0102030405062901020304052901020304052001020304052901020329010...

1、当您付费下载文档后,您只拥有了使用权限,并不意味着购买了版权,文档只能用于自身使用,不得用于其他商业用途(如 [转卖]进行直接盈利或[编辑后售卖]进行间接盈利)。
2、本站所有内容均由合作方或网友上传,本站不对文档的完整性、权威性及其观点立场正确性做任何保证或承诺!文档内容仅供研究参考,付费前请自行鉴别。
3、如文档内容存在违规,或者侵犯商业秘密、侵犯著作权等,请点击“违规举报”。

碎片内容

设备编码管理规程

您可能关注的文档

确认删除?
VIP
微信客服
  • 扫码咨询
会员Q群
  • 会员专属群点击这里加入QQ群
客服邮箱
回到顶部