电脑桌面
添加小米粒文库到电脑桌面
安装后可以在桌面快捷访问

车工数控车工中级操作技能考核试卷修VIP免费

车工数控车工中级操作技能考核试卷修_第1页
1/3
车工数控车工中级操作技能考核试卷修_第2页
2/3
车工数控车工中级操作技能考核试卷修_第3页
3/3
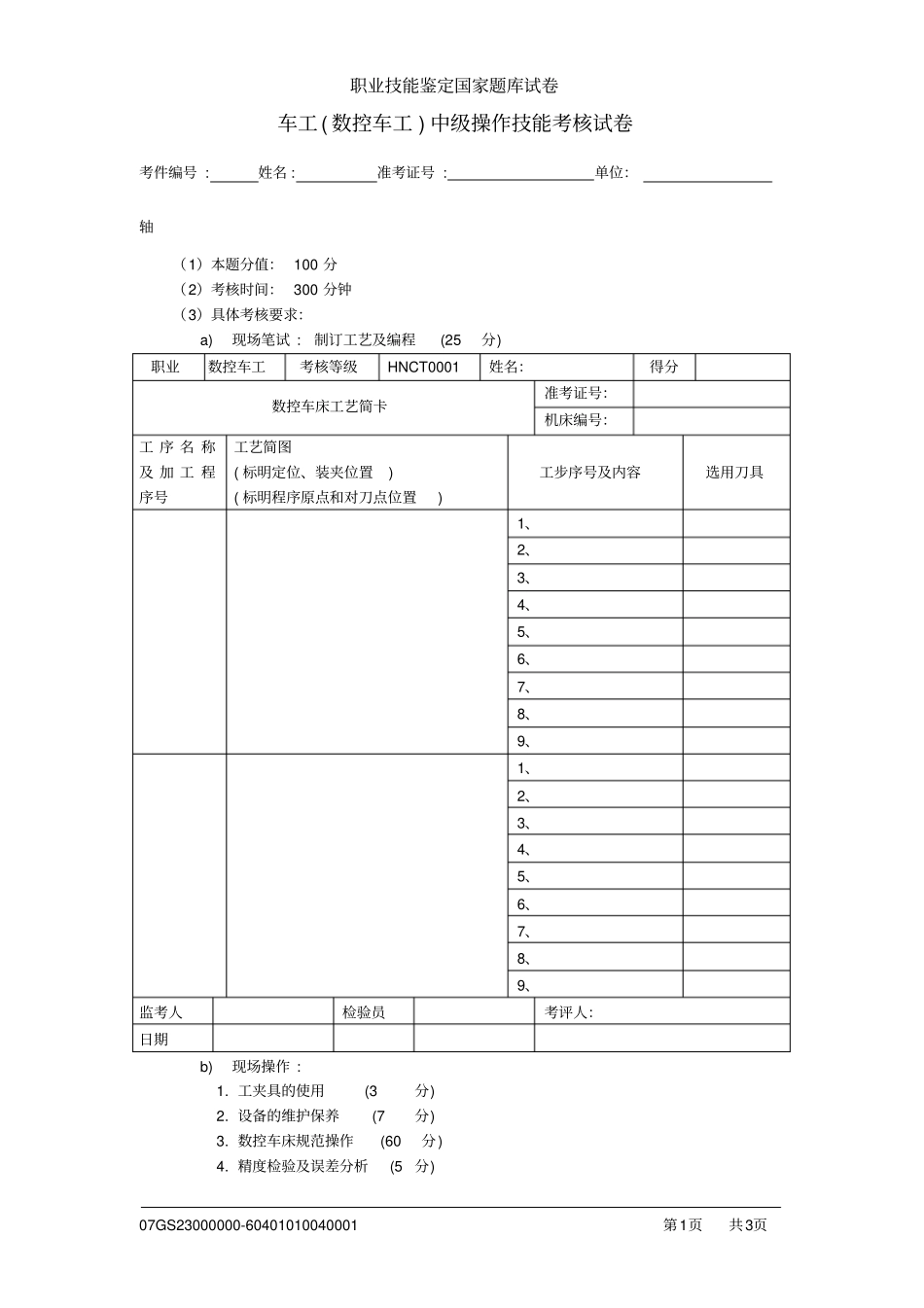
职业技能鉴定国家题库试卷车工(数控车工)中级操作技能考核试卷考件编号:姓名:准考证号:单位:07GS23000000-60401010040001第1页共3页轴(1)本题分值:100分(2)考核时间:300分钟(3)具体考核要求:a)现场笔试:制订工艺及编程(25分)职业数控车工考核等级HNCT0001姓名:得分数控车床工艺简卡准考证号:机床编号:工序名称及加工程序号工艺简图(标明定位、装夹位置)(标明程序原点和对刀点位置)工步序号及内容选用刀具1、2、3、4、5、6、7、8、9、1、2、3、4、5、6、7、8、9、监考人检验员考评人:日期b)现场操作:1.工夹具的使用(3分)2.设备的维护保养(7分)3.数控车床规范操作(60分)4.精度检验及误差分析(5分)职业技能鉴定国家题库试卷车工(数控车工)中级操作技能考核试卷考件编号:姓名:准考证号:单位:07GS23000000-60401010040001第2页共3页按零件图完成加工操作×××职业技能鉴定国家题库试卷车工(数控车工)中级操作技能考核试卷考件编号:姓名:准考证号:单位:07GS23000000-60401010040001第3页共3页

1、当您付费下载文档后,您只拥有了使用权限,并不意味着购买了版权,文档只能用于自身使用,不得用于其他商业用途(如 [转卖]进行直接盈利或[编辑后售卖]进行间接盈利)。
2、本站所有内容均由合作方或网友上传,本站不对文档的完整性、权威性及其观点立场正确性做任何保证或承诺!文档内容仅供研究参考,付费前请自行鉴别。
3、如文档内容存在违规,或者侵犯商业秘密、侵犯著作权等,请点击“违规举报”。

碎片内容

车工数控车工中级操作技能考核试卷修

您可能关注的文档

确认删除?
VIP
微信客服
  • 扫码咨询
会员Q群
  • 会员专属群点击这里加入QQ群
客服邮箱
回到顶部