电脑桌面
添加小米粒文库到电脑桌面
安装后可以在桌面快捷访问

轨道工程课程设计任务书及算例解读VIP免费

轨道工程课程设计任务书及算例解读_第1页
1/19
轨道工程课程设计任务书及算例解读_第2页
2/19
轨道工程课程设计任务书及算例解读_第3页
3/19
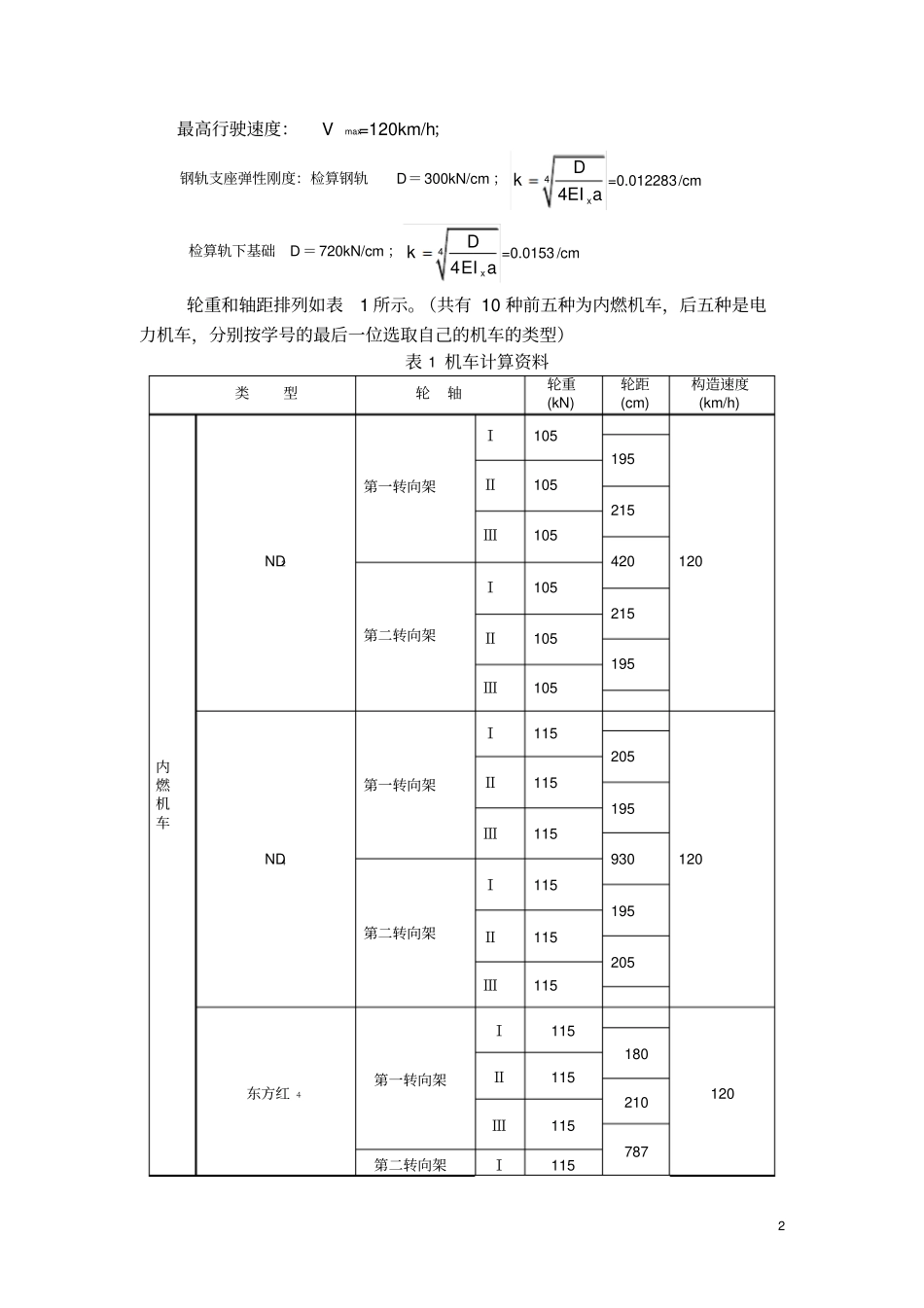
1《轨道工程》课程设计普通无缝线路结构设计任务书一、课程设计性质、任务与目的《轨道工程课程设计》是土木工程专业的一门实践性课程;本课程设计主要训练学生综合运用所学基础知识的能力,培养学生用定性分析方法对问题进行综合分析和评价。本课程设计是在学过《轨道》的基础知识后,对“轨道强度计算”、“无缝线路轨道设计”、“轨道结构组成”等知识的拓宽与综合应用。通过作业,使学生在巩固所学轨道结构组成、轨道强度计算的基本方法,熟悉并运用课堂所学内容,从而加深对所学内容的理解,提高综合分析和解决问题的能力。熟练掌握普通无缝线路设计步骤,了解无缝线路的特点及受力特征。通过对普通无缝线路的设计,达到对整个轨道体系的全面的认识。二、设计要求1.独立完成,有独特见解。2.文字清晰,条理清楚,步骤完整。3.文面、图面整洁,装订整齐。三、设计资料1.轨温:(0)兰州地区;(1)石家庄地区;(2)西宁地区;(3)西安地区(4)合肥地区;(5)郑州地区;(6)长沙地区。按自己对应的学号的倒数第二位选取相应地区的轨温。2.轨道条件(1)钢轨:为60kg/m的钢轨、按预期垂磨6mm计算;缓冲区钢轨采用每根长25m的标准轨;轨钢容许应力:[σs]=36500×104Pa;(2)轨枕:混凝土Ⅱ型轨枕,每公里铺设1840根,a=544mm;(3)扣件:接头扣件为ф24mm、10.9级螺栓,六孔夹板;中间扣件为弹条Ⅱ型扣件,橡胶垫板;(4)道床:碎石道碴,顶宽3.3m,曲线外侧加宽0.05m。道碴为一级道碴,道碴厚30cm,底碴厚20cm,道床厚度3020/240h=+=cm。3.线路等级及最小曲线半径(1)线路等级:I级线路;(2)最小曲线半径:Rmin=600m。4.行驶机车2最高行驶速度:Vmax=120km/h;钢轨支座弹性刚度:检算钢轨D=300kN/cm;44xDkEIa=0.012283/cm检算轨下基础D=720kN/cm;44xDkEIa=0.0153/cm轮重和轴距排列如表1所示。(共有10种前五种为内燃机车,后五种是电力机车,分别按学号的最后一位选取自己的机车的类型)表1机车计算资料类型轮轴轮重(kN)轮距(cm)构造速度(km/h)内燃机车ND2第一转向架Ⅰ105120195Ⅱ105215Ⅲ105420第二转向架Ⅰ105215Ⅱ105195Ⅲ105ND4第一转向架Ⅰ115120205Ⅱ115195Ⅲ115930第二转向架Ⅰ115195Ⅱ115205Ⅲ115东方红4第一转向架Ⅰ115120180Ⅱ115210Ⅲ115787第二转向架Ⅰ1153类型轮轴轮重(kN)轮距(cm)构造速度(km/h)210Ⅱ115180Ⅲ115NY5第一转向架Ⅰ108.5120255Ⅱ108.5180Ⅲ108.5820第二转向架Ⅰ108.5180Ⅱ108.5255Ⅲ108.5NY7第一转向架Ⅰ115120255Ⅱ115180Ⅲ115870第二转向架Ⅰ115180Ⅱ115255Ⅲ115类型轮轴轮重(kN)轮距(cm)构造速度(km/h)电力机车韶山3第一转向架Ⅰ115120230Ⅱ115200Ⅲ115780第二转向架Ⅰ115200Ⅱ1152304类型轮轴轮重(kN)轮距(cm)构造速度(km/h)Ⅲ1156Y2第一转向架Ⅰ115120233.5Ⅱ115233.5Ⅲ115801.6第二转向架Ⅰ115233.5Ⅱ115233.5Ⅲ115韶山2第一转向架Ⅰ115120233.5Ⅱ115233.5Ⅲ115593第二转向架Ⅰ115233.5Ⅱ115234.5Ⅲ115韶山1第一转向架Ⅰ115120230Ⅱ115230Ⅲ115580第二转向架Ⅰ115230Ⅱ115230Ⅲ115NY7第一转向架Ⅰ1151202555类型轮轴轮重(kN)轮距(cm)构造速度(km/h)Ⅱ115180Ⅲ115870第二转向架Ⅰ115180Ⅱ115255Ⅲ115表2钢轨截面特性表垂直磨耗(mm)项目钢轨类型(kg/m)7560500断面积F(cm2)95.0677.4565.8对水平轴惯性矩JX(cm2)449032172037对竖直轴惯性矩Jy(cm2)661524377轨底截面系数W1(cm3)509396287轨头截面系数W2(cm3)4323392516对水平轴惯性矩JX(cm2)28791827对竖直轴惯性矩Jy(cm2)498360轨底截面系数W1(cm3)375275轨头截面系数W2(cm3)2912309对水平轴惯性矩JX(cm2)26901702轨底截面系数W1(cm3)363264轨头截面系数W2(cm3)264216表3速度系数牵引种类速度系数计算轨底弯曲应力用计算轨道下沉及轨下基础各部件的荷载及应用内燃电力表4钢轨强度钢种屈服极限Mpa强度极限MpaU74,U74CU4107850.4100V0.6100V0.45100V0.3100V6U71Mn,U71MnSiCu456883表5道床纵向阻力轨道特征单根轨枕的道床纵向阻力R(N)一股钢轨下单位道床纵向阻力r(N/mm)1840根/km1760根/Km木枕线路70006.46.1混凝土枕线路100009.18.75.线路条件...

1、当您付费下载文档后,您只拥有了使用权限,并不意味着购买了版权,文档只能用于自身使用,不得用于其他商业用途(如 [转卖]进行直接盈利或[编辑后售卖]进行间接盈利)。
2、本站所有内容均由合作方或网友上传,本站不对文档的完整性、权威性及其观点立场正确性做任何保证或承诺!文档内容仅供研究参考,付费前请自行鉴别。
3、如文档内容存在违规,或者侵犯商业秘密、侵犯著作权等,请点击“违规举报”。

碎片内容

轨道工程课程设计任务书及算例解读

确认删除?
VIP
微信客服
  • 扫码咨询
会员Q群
  • 会员专属群点击这里加入QQ群
客服邮箱
回到顶部