电脑桌面
添加小米粒文库到电脑桌面
安装后可以在桌面快捷访问

云南省蒙自高级中学2012届高考物理冲刺试卷(3)VIP免费

云南省蒙自高级中学2012届高考物理冲刺试卷(3)_第1页
1/7
云南省蒙自高级中学2012届高考物理冲刺试卷(3)_第2页
2/7
云南省蒙自高级中学2012届高考物理冲刺试卷(3)_第3页
3/7
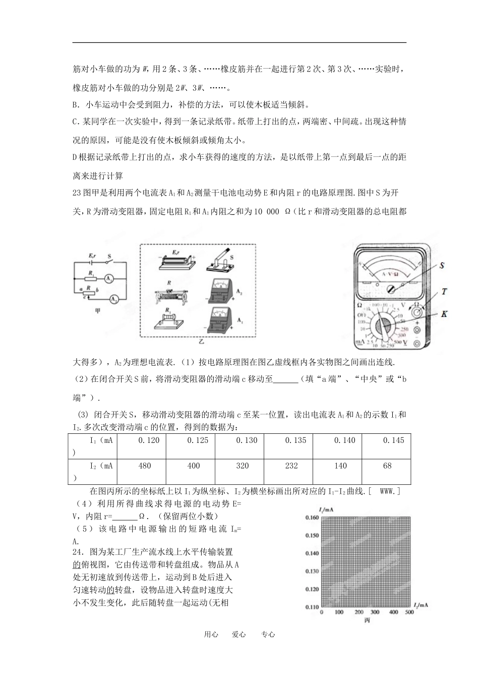
蒙自高级中学2012届高考冲刺物理试卷(三)班次姓名二、选择题:本大题共8小题,每小题6分,在每小题给出的四个选项中,有的只有一项符合要求,有的多项符合题目要求。全选对的得6分,选对但不全的得3分,有错选不选的得0分。14、下列与力学相关的说法正确的是A.牛顿发现了万有引力定律.并测定出引力常量B.笛卡儿的理想实验表明,运动不需要力来维持C.爱因斯坦相对论的创立表明经典力学已不再适用干宏观低速问题D.胡克认为只有在发生弹性形变时,弹簧的弹力才与弹簧的形变量成正比15、2008北京奥运会取得了举世瞩目的成功,某运动员(可看作质点)参加跳板跳水比赛,起跳过程中,将运动员离开跳板时做为计时起点,其v-t图象如图所示,则()A.t1时刻开始进入水面B.t2时刻开始进入水面C.t3时刻已浮出水面D.0~t2的时间内,运动员处于失重状态16、用轻弹簧竖直悬挂的质量为m物体,静止时弹簧伸长量为L0现用该弹簧沿斜面方向拉住质量为2m的物体,系统静止时弹簧伸长量也为L0斜面倾角为30,如图所示。则物体所受摩擦力()A.等于零B.大小为,方向沿斜面向下C.大于为,方向沿斜面向上D.大小为mg,方向沿斜面向上17、已知地球质量为M,半径为R,自转周期为T,地球同步卫星质量为m,引力常量为G。有关同步卫星,下列表述正确的是A.卫星距离地面的高度为B.卫星的运行速度小于第一宇宙速度C.卫星运行时受到的向心力大小为D.卫星运行的向心加速度小于地球表面的重力加速度18、电梯是人们日常经常乘坐的设备。如图所示是质量为m的某人乘坐电梯竖直上楼过程的示意图。该人乘坐电梯上楼一般经过三个过程:先由某一楼层从静止开始加速上升、达到某一速度v后再以速度v匀速上升,最后再从速度v减速上升到另一楼层静止。则关于该人上楼的过程中,下列说法正确的是A.在加速上升过程中,电梯对人做的功为mv2B.在匀速上升过程中,电梯对人做的功为0C.在加速上升过程中,合外力对人做的功为mv2D.在减速上升过程中,电梯对人做的功为mv2用心爱心专心2m30°19、如图所示为一空腔导体周围的电场线分布.电场方向如图箭头所示,M、N、P、Q是以O为圆心的一个圈周上的四点.其中M、N在一条直线电场线上,P、Q在一条曲线电场线上,下列说法正确的有A.M点的电场强度比N点的电场强度大B.P点的电势比Q点的电势高C.M、0间的电势差大于O、N间的电势差D.一负电荷在P点的电势能大于在Q点的电势能20、如图所示的电路中,R1是定值电阻,R2是光敏电阻,电源的内阻不能忽略.闭合开关S,当光敏电阻上的光照强度增大时,下列说法中正确的是A.通过R2的电流减小B.电源的路端电压减小C.电容器C所带的电荷量增加[DD.电源的效率增大21、如图所示,两个垂直纸面的匀强磁场方向相反,磁感应强度的大小均为B,磁场区域宽度均为,一正三角形(中垂线长为)导线框ABC从图示位置方向匀速穿过两磁场区域,以逆时针方向为电流的正方向,在下图中感应电流I与线框移动距离的关系图象正确的是.22、探究力对原来静止的物体做的功与物体获得的速度的关系,实验装置如图所师,实验主要过程如下:(1)设法让橡皮筋对小车做的功分别为W、2W、3W、……;(2)分析打点计时器打出的纸带,求出小车的速度1v、2v、3v、……;(3)作出Wv草图;(4)分析Wv图像。如果Wv图像是一条直线,表明∝v;如果不是直线,可考虑是否存在W∝2v、W∝3v、W∝v等关系。以下关于该试验的说法中有一项不正确,它是___________。A.本实验设法让橡皮筋对小车做的功分别为W、2W、3W、……。所采用的方法是选用同样的橡皮筋,并在每次实验中使橡皮筋拉伸的长度保持一致。当用1条橡皮筋进行是实验时,橡皮用心爱心专心R2CR1ESOxi3aa-I02aI0AOxi3aa-I02aI0BOxi3aa-2I02aI0CiOx3aa-I02a2I0DI0BCAOyBBxaa筋对小车做的功为W,用2条、3条、……橡皮筋并在一起进行第2次、第3次、……实验时,橡皮筋对小车做的功分别是2W、3W、……。B.小车运动中会受到阻力,补偿的方法,可以使木板适当倾斜。C.某同学在一次实验中,得到一条记录纸带。纸带上打出的点,两端密、中间疏。出现这种情况的原因,可能是没有使木板倾斜或倾角太小。D根据记录纸带上打出的点...

1、当您付费下载文档后,您只拥有了使用权限,并不意味着购买了版权,文档只能用于自身使用,不得用于其他商业用途(如 [转卖]进行直接盈利或[编辑后售卖]进行间接盈利)。
2、本站所有内容均由合作方或网友上传,本站不对文档的完整性、权威性及其观点立场正确性做任何保证或承诺!文档内容仅供研究参考,付费前请自行鉴别。
3、如文档内容存在违规,或者侵犯商业秘密、侵犯著作权等,请点击“违规举报”。

碎片内容

云南省蒙自高级中学2012届高考物理冲刺试卷(3)

您可能关注的文档

教育精品店+ 关注
实名认证
内容提供者

优良的服务

相关文档

确认删除?
VIP
微信客服
  • 扫码咨询
会员Q群
  • 会员专属群点击这里加入QQ群
客服邮箱
回到顶部