电脑桌面
添加小米粒文库到电脑桌面
安装后可以在桌面快捷访问

钢-混凝土组合梁结构计算VIP免费

钢-混凝土组合梁结构计算_第1页
1/21
钢-混凝土组合梁结构计算_第2页
2/21
钢-混凝土组合梁结构计算_第3页
3/21
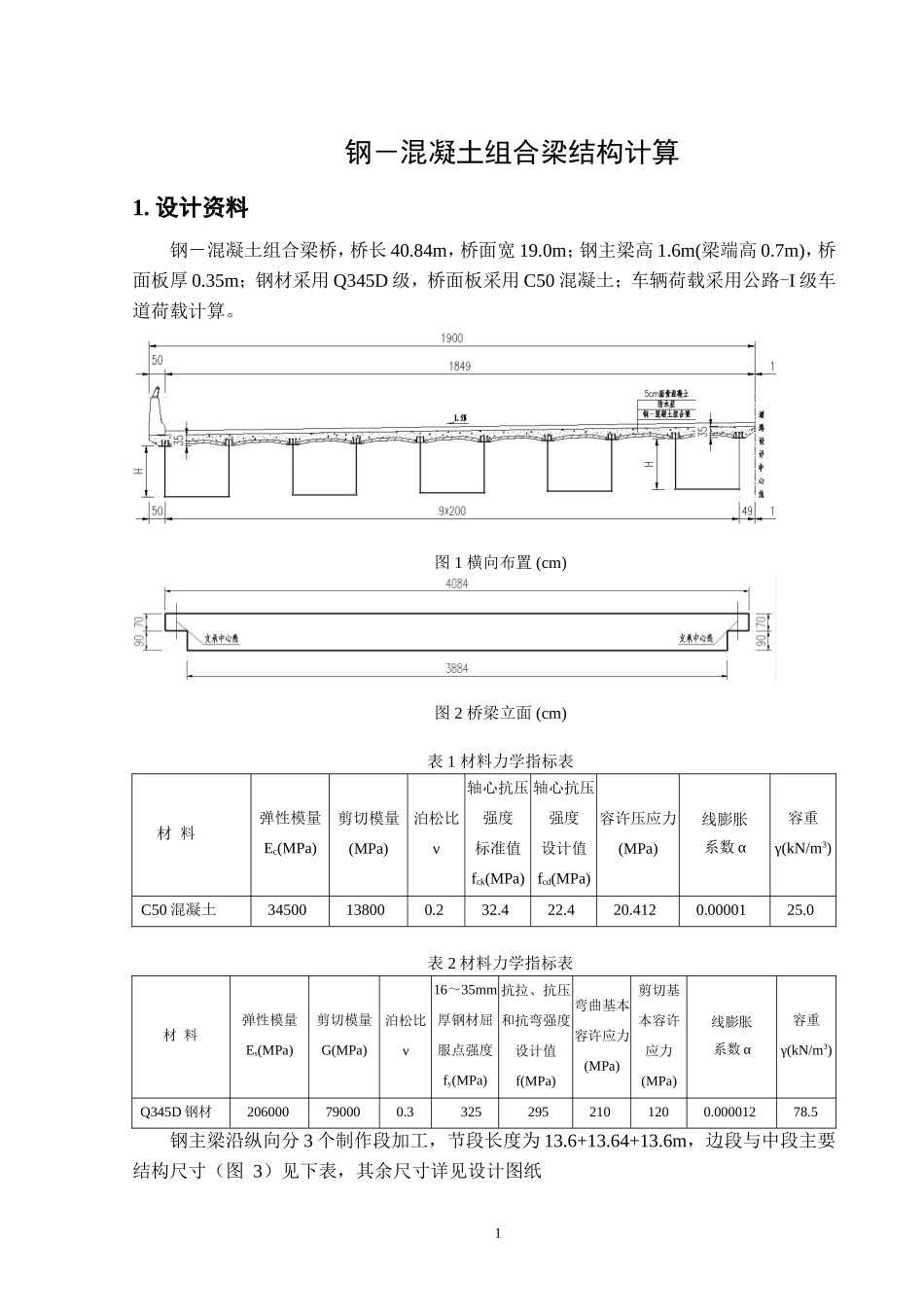
钢-混凝土组合梁结构计算书编制单位:计算:复核:审查:2009年3月目录1.设计资料.....................................................................................................................................................12.计算方法.....................................................................................................................................................22.1规范标准..........................................................................................................................................22.2换算原理..........................................................................................................................................22.3计算方法..........................................................................................................................................33.不设临时支撑_计算结果...........................................................................................................................33.1组合梁法向应力及剪应力结果......................................................................................................43.2施工阶段钢梁竖向挠度结果..........................................................................................................53.3结论..................................................................................................................................................63.4计算过程(附件)..........................................................................................................................64.设置临时支撑_有限元分析计算................................................................................................................64.1有限于建模......................................................................................................................................64.2施工及使用阶段结构内力..............................................................................................................84.2.1施工阶段结构内力..............................................................................................................94.2.2使用阶段结构内力............................................................................................................104.3组合梁截面应力............................................................................................................................124.3.1截面应力汇总....................................................................................................................124.3.2截面应力组合....................................................................................................................144.4恒载作用竖向挠度........................................................................................................................154.4.1施工阶段竖向挠度............................................................................................................154.4.2使用阶段恒载作用竖向挠度............................................................................................154.5结论................................................................................................................................................15钢-混凝土组合梁结构计算1.设计资料钢-混凝土组合梁桥,桥长40.84m,桥面宽19.0m;钢主梁高1.6m(梁端高0.7m),桥面板厚0.35m;钢材采用Q345D...

1、当您付费下载文档后,您只拥有了使用权限,并不意味着购买了版权,文档只能用于自身使用,不得用于其他商业用途(如 [转卖]进行直接盈利或[编辑后售卖]进行间接盈利)。
2、本站所有内容均由合作方或网友上传,本站不对文档的完整性、权威性及其观点立场正确性做任何保证或承诺!文档内容仅供研究参考,付费前请自行鉴别。
3、如文档内容存在违规,或者侵犯商业秘密、侵犯著作权等,请点击“违规举报”。

碎片内容

钢-混凝土组合梁结构计算

您可能关注的文档

中小学资料+ 关注
实名认证
内容提供者

精美课件,值得下载

确认删除?
VIP
微信客服
  • 扫码咨询
会员Q群
  • 会员专属群点击这里加入QQ群
客服邮箱
回到顶部