电脑桌面
添加小米粒文库到电脑桌面
安装后可以在桌面快捷访问

道依茨柴油发动机电控系统说明VIP免费

道依茨柴油发动机电控系统说明_第1页
1/11
道依茨柴油发动机电控系统说明_第2页
2/11
道依茨柴油发动机电控系统说明_第3页
3/11
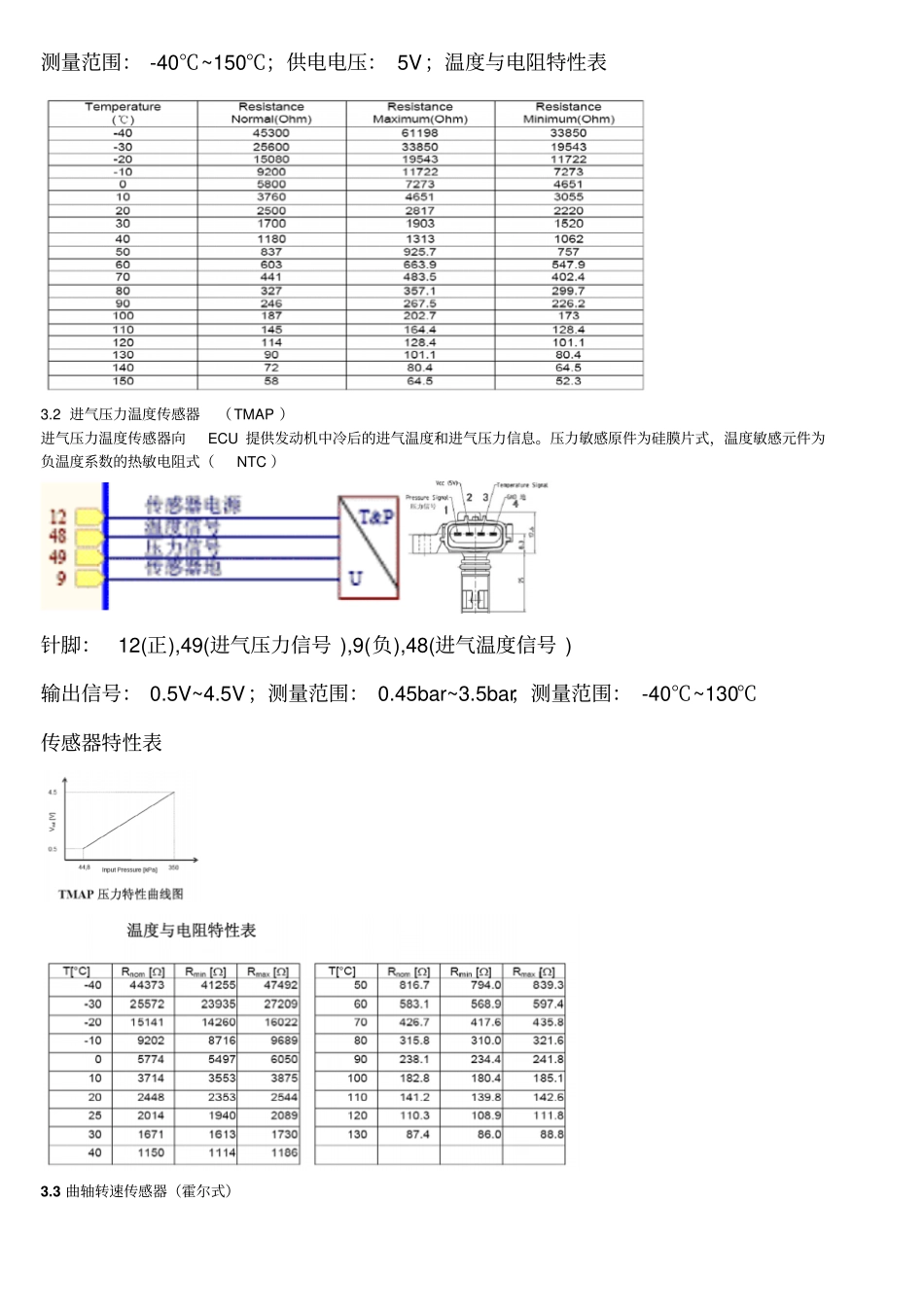
道依茨发动机电控系统说明1.系统总览CA6DE3电控发动机采用外挂式电控单体泵系统,其工作原理与DEUTZ电控单体泵系统基本相同。采用电控单体泵,机械式喷油器。外挂式电控单体泵2.电控控制单元(ECU)针脚定义接插件引脚信号名称类型1电源负极地2电源负极地3电源负极地4电源正极电瓶+24伏5电源正极电瓶+24伏7加速踏板位置传感器2地地9进气温度和压力(TMAP)传感器地地10加速踏板位置传感器2电源+5V12进气温度和压力(TMAP)传感器电源+5V13曲轴转速传感器信号输入霍尔效应式频率信号15加速踏板位置传感器1电源+5V17加速踏板位置传感器1地地18水温传感器、燃油温度传感器地地22车速信号(仪表输出)输入频率信号24点火开关输入钥匙25严重故障指示灯1A低端On/Off驱动26SAEJ1939-CAN通信27SAEJ1939+CAN通信28车速信号(仪表输出)地地29曲轴转速传感器地地31曲轴转速传感器电源+5V32凸轮位置传感器信号输入霍尔效应式频率信号33凸轮位置传感器电源+5V35凸轮位置传感器地地37CAN+CAN通信38CAN-CAN通信39CAN屏蔽线屏蔽线42排气制动阀1A低端On/Off驱动43主继电器1A低端On/Off驱动44预热指示灯1A低端On/Off驱动46水温传感器信号输入模拟量47燃油温度传感器信号输入模拟量48进气温度和压力(TMAP)传感器温度信号输入模拟量49进气温度和压力(TMAP)传感器压力信号输入模拟量51SAEJ1939屏蔽线屏蔽线52机油压力警报开关输入低电位开关57制动踏板开关(气压)低电位开关61加热继电器3.5A高端On/Off驱动63一般故障指示灯1A低端On/Off驱动64排气制动/发动机制动指示灯1A低端On/Off驱动66加速踏板位置传感器1信号输入模拟量67加速踏板位置传感器2信号输入模拟量73离合器踏板开关高电位开关74巡航设置/加速开关(选装)高电位开关75巡航恢复开关(选装)高电位开关76巡航ON/OFF开关(选装)高电位开关77巡航设置/减速开关(选装)高电位开关79排气制动开关高电位开关81小信号地地981缸单体泵低端低端PWM驱动993缸单体泵高端高端PWM驱动1001缸单体泵高端高端PWM驱动1012缸单体泵高端高端PWM驱动1024缸单体泵高端高端PWM驱动1036缸单体泵高端高端PWM驱动1056缸单体泵低端低端PWM驱动1063缸单体泵低端低端PWM驱动1082缸单体泵低端低端PWM驱动1105缸单体泵高端高端PWM驱动1114缸单体泵低端低端PWM驱动1125缸单体泵低端低端PWM驱动3.传感器及针脚定义3.1冷却液温度/燃油温度传感器(NTC)向ECU提供发动机冷却液/燃油温度信号,敏感原件为负温度系数的热敏电阻式(NTC)。温度传感器特性测量范围:-40℃~150℃;供电电压:5V;温度与电阻特性表3.2进气压力温度传感器(TMAP)进气压力温度传感器向ECU提供发动机中冷后的进气温度和进气压力信息。压力敏感原件为硅膜片式,温度敏感元件为负温度系数的热敏电阻式(NTC)针脚:12(正),49(进气压力信号),9(负),48(进气温度信号)输出信号:0.5V~4.5V;测量范围:0.45bar~3.5bar;测量范围:-40℃~130℃传感器特性表3.3曲轴转速传感器(霍尔式)测量范围:15~8000rpm;供电电压:5V;3.4凸轮轴转速传感器(霍尔式)测量范围:0~4000rpm;供电电压:5V3.5油门踏板位置传感器引脚:15(信号1),66信号1正),17(信号1地),10(信号2),67(信号2地),7(信号2正)供电电压:5±0.1V加速踏板传感器1怠速电压:0.75±0.095V加速踏板传感器2怠速电压:0.375±0.0475V传感器1满负荷电压:3.84±0.25V传感器2满负荷电压:1.92±0.3V油门踏板位置传感器的检测油门踏板传感器属于双电位器传感器,共有六个引脚,定义如下:针号说明颜色针号说明颜色A信号1“正”红D信号2“正”白B信号1输出信号绿E信号2输出信号橙C信号1“负”黑F信号2“负”灰2、点火开关打到“OFF”,拔下与油门踏板对接的线束插件,分别检查15(与A脚对应)和10(与D脚对应)与搭铁间的电压是否为4.5V左右,17(与C脚对应)和7(与F脚对应)与搭铁之间是否导通;若实测值有偏差,则应检查ECU输出电压,或线束是否正常连通。油门位置与输出电压对应关系如下图:3、当油门踏板传感器失效时,ECU会自动执行“跛行功能”,怠速会稳定在1200rpm左右,保证司机把车开到维修站。发动机线束布置:9.故障诊断代码分析(启明诊断仪)...

1、当您付费下载文档后,您只拥有了使用权限,并不意味着购买了版权,文档只能用于自身使用,不得用于其他商业用途(如 [转卖]进行直接盈利或[编辑后售卖]进行间接盈利)。
2、本站所有内容均由合作方或网友上传,本站不对文档的完整性、权威性及其观点立场正确性做任何保证或承诺!文档内容仅供研究参考,付费前请自行鉴别。
3、如文档内容存在违规,或者侵犯商业秘密、侵犯著作权等,请点击“违规举报”。

碎片内容

道依茨柴油发动机电控系统说明

文库响当当+ 关注
实名认证
内容提供者

该用户很懒,什么也没介绍

确认删除?
VIP
微信客服
  • 扫码咨询
会员Q群
  • 会员专属群点击这里加入QQ群
客服邮箱
回到顶部