电脑桌面
添加小米粒文库到电脑桌面
安装后可以在桌面快捷访问

高抗现场安装作业指导书BKD-500VIP免费

高抗现场安装作业指导书BKD-500_第1页
1/16
高抗现场安装作业指导书BKD-500_第2页
2/16
高抗现场安装作业指导书BKD-500_第3页
3/16
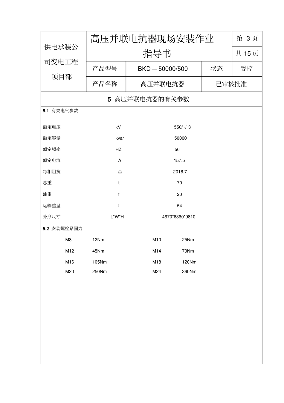
供电承装公司变电工程项目部高压并联电抗器现场安装作业指导书第1页共15页产品型号BKD—50000/500状态受控产品名称高压并联电抗器已审核批准1.范围本指导书适用于榆社开闭站BKD-50000/500高压并联电抗器的现场安装过程。2.引用文件本指导书引用了如下有效文件,当本指导书未描述或对其有疑惑时,使用本指导书的有关人员均应查阅和执行下列文件。西电变电压有限公司的安装使用说明书。14-B1001S-D0104卷册设计图纸。DT/5161.3—2002质量检验标准第三部分。GBJ148-90油浸电抗器施工验收规范。3.现场安装前注意事项3.1施工前,所有参与施工的人员均要接受本指导书的交底。3.2装配过程应随时记录有关施工记录。3.3并联电抗器运输到站后,应会同厂家、监理、甲方等有关人员一起进行交接工作并检查运输冲撞记录仪有无超差。3.4所有附件均到现场并完好无损。3.5施工所有机械、工具均齐全并处于完好状态。3.6天气预报情况良好,并已通知有关人员。3.7绝缘油检验合格。供电承装公司变电工程项目部高压并联电抗器现场安装作业指导书第2页共15页产品型号BKD—50000/500状态受控产品名称高压并联电抗器已审核批准4.高抗安装程序到货交接验收随机资料核对查收技术、安全交底机具、试验仪器准备附件摆放整理清洗器身检查、测试专人了解天气、确定日期气囊、散热器密封检查套管、散热器等附件安装抽真空、保持真空真空注油整体密封检验试验、检验验收、投运供电承装公司变电工程项目部高压并联电抗器现场安装作业指导书第3页共15页产品型号BKD—50000/500状态受控产品名称高压并联电抗器已审核批准5高压并联电抗器的有关参数5.1有关电气参数额定电压kV550/√3额定容量kvar50000额定频率HZ50额定电流A157.5每相阻抗Ω2016.7总重t70油重t20运输重量t54外形尺寸L*W*H4670*6360*98105.2安装螺栓紧固力M812NmM1025NmM1245NmM1470NmM16105NmM18120NmM20250NmM24360Nm供电承装公司变电工程项目部高压并联电抗器现场安装作业指导书第4页共15页产品型号BKD—50000/500状态受控产品名称高压并联电抗器已审核批准安装内容简图备注6安装过程6.1安装前准备认真作好技术交底工作,力求所有参与施工人员均掌握高抗安装的基本要求。施工前要询问厂家技术服务人员对安装过程中的具体要求并请厂家技术人员审阅本指导书后提出意见。合理组织、安排人员职责,专人检查准备施工用吊车、起吊用钢丝绳及各种试验仪器。施工负责人要安排好滤油机、真空泵的具体位置并检查滤油、注油管道的连接是否正确。会同厂家技术人员、监理等仔细清点所有附件,附件应齐全、完好,如有缺件、损坏件应及时通知有关人员处理。施工电源已连能,并符合安全用电管理要求。施工前应准备的记录表格:《油浸电抗器本体安装质量检验评定表》《油浸电抗器检查质量检验评定表》《油浸电抗器附件安装质量检验评定表》《油浸电抗器注油及密封试验质量检验评定表》《油浸电抗器整体检查质量检验评定表》《油浸电抗器破氮前氮气压力检查记录》《油浸电抗器绝缘油试验记录》《油浸电抗器气体继电器检验记录》《油浸电抗器检查(隐蔽)签证记录》《油浸电抗器冷却器密封试验签证记录》《油浸电抗器真空注油及密封试验签证记录》技术交底应含本指导书、施工措施、图纸及厂家说明书有关要求。起吊用钢丝绳最小截面不小于Ф16准备安装前应专人跟踪天气情况,确定日期后要通知甲方、监理、运行等有关部门人员。现场注意防火,并布置有效灭火装置。供电承装公司变电工程项目部高压并联电抗器现场安装作业指导书第5页共15页产品型号BKD—50000/500状态受控产品名称高压并联电抗器已审核批准安装内容简图备注施工现场平整,道路畅通,排水通顺。安装现场布置(见右图1)6.2芯部检查芯部检查要选择晴朗干燥的天气。芯部检查前要将器身加热,加热温度(油温)比预计检查时的大气温度高10℃地面尘土较大时,在芯部检查前一天洒水湿润,但不宜洒水过多。芯部检查不吊罩,采用人孔钻入检查。芯部检查主要项目:铁芯有无位移;支架应完整;绝缘螺栓完好;紧固良好;铁芯无变形。拆开垫脚屏蔽板垫脚接地线,用摇表检查垫脚和夹件、垫脚和铁芯间的绝缘应良好。如发现...

1、当您付费下载文档后,您只拥有了使用权限,并不意味着购买了版权,文档只能用于自身使用,不得用于其他商业用途(如 [转卖]进行直接盈利或[编辑后售卖]进行间接盈利)。
2、本站所有内容均由合作方或网友上传,本站不对文档的完整性、权威性及其观点立场正确性做任何保证或承诺!文档内容仅供研究参考,付费前请自行鉴别。
3、如文档内容存在违规,或者侵犯商业秘密、侵犯著作权等,请点击“违规举报”。

碎片内容

高抗现场安装作业指导书BKD-500

您可能关注的文档

文库当当响+ 关注
实名认证
内容提供者

该用户很懒,什么也没介绍

确认删除?
VIP
微信客服
  • 扫码咨询
会员Q群
  • 会员专属群点击这里加入QQ群
客服邮箱
回到顶部