电脑桌面
添加小米粒文库到电脑桌面
安装后可以在桌面快捷访问

一-江苏理工学院VIP免费

一-江苏理工学院_第1页
1/15
一-江苏理工学院_第2页
2/15
一-江苏理工学院_第3页
3/15
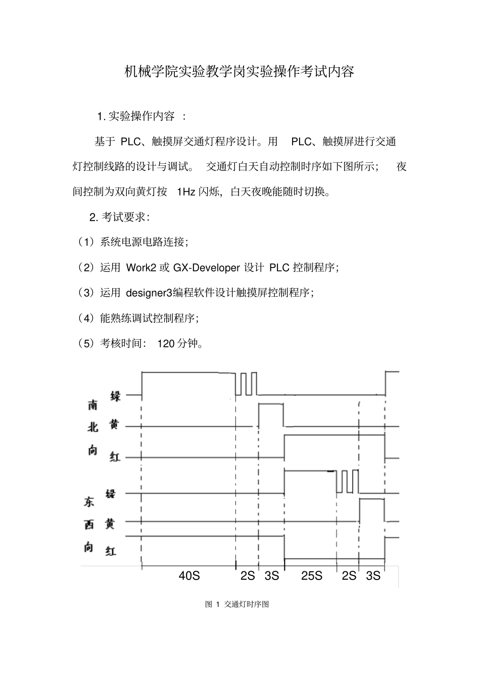
岗位2(机械学院实验教学岗)试讲考核说明一、考核内容1.讲授实验交通灯控制编程练习。2.实验操作。二、试讲要求1.参考教材:周军《电气控制与PLC》第三版北京:机械工业出版社,2018。2.认真编写讲稿(格式参考附件)。3.请应聘人员选取上述材料作为试讲内容,试讲时间为不超过20分钟,要求板书工整,表达流畅,思路清晰。4.应聘人员可以携带教材、讲义作为辅助。5.讲稿、讲义上不能出现考生个人信息,否则按违规处理,取消考试资格。机械学院实验教学岗实验操作考试内容1.实验操作内容:基于PLC、触摸屏交通灯程序设计。用PLC、触摸屏进行交通灯控制线路的设计与调试。交通灯白天自动控制时序如下图所示;夜间控制为双向黄灯按1Hz闪烁,白天夜晚能随时切换。2.考试要求:(1)系统电源电路连接;(2)运用Work2或GX-Developer设计PLC控制程序;(3)运用designer3编程软件设计触摸屏控制程序;(4)能熟练调试控制程序;(5)考核时间:120分钟。40S2S3S25S2S3S图1交通灯时序图岗位5(计算机学院实验教学岗)试讲考核说明一、考核内容1.讲授第2章电阻电路的分析方法2.3复杂电路的一般分析方法2.实验操作。二、试讲要求1.参考教材:赵桂钦等《电路与电子技术[M]》北京:清华大学出版社、北京交通大学出版社,2010,该书封面如下。2.认真编写讲稿(格式参考附件)。3.请应聘人员选取上述材料作为试讲内容,试讲时间为不超过20分钟,要求板书工整,表达流畅,思路清晰。4.应聘人员可以携带教材、讲义作为辅助。5.讲稿、讲义上不能出现考生个人信息,否则按违规处理,取消考试资格计算机学院实验教学岗实验操作考试内容1.实验操作内容(基尔霍夫定律):序号实验内容操作规范1进入实验室准备工作(1)检查实验室安全,包括电气以及防火的检查(2)检查实验设备安全2基尔霍夫电流定律(1)设计电路(2)确保电源关闭(3)电路连线(4)启动电源(5)测量电流(6)记录数据(7)验证结果3基尔霍夫电压定律(1)设计电路(2)确保电源关闭(3)电路连线(4)启动电源(5)测量电压(6)记录数据(7)验证结果4实验结束操作(1)检查实验设备,并关闭电源(2)拆除电路及连线(3)撰写实验记录,完成相应记录(4)整理实验环境。2.考试要求:(1)实验考试时间为30分钟。(2)要求应聘实验员的考生能严格地完成实验室的进入和准备工作,并按照上述操作流程和步骤,熟练地完成各部分实验操作,实验结束后,能有序地关闭实验设备和电源,并进行安全检查,实验结束后保持环境整洁。岗位6(化工学院实验教学岗)试讲考核说明一、考核内容:1.讲授《密封催化消解法测定水质化学需氧量》实验原理、主要仪器、实验方法、数据处理及实验中要注意的关键点。2.实验操作。二、试讲要求1.参考教材:《环境污染治理技术与实训》北京:化学工业出版社.程洁红主编。2.认真编写讲稿(格式参考附件)。3.请应聘人员选取上述材料作为试讲内容,试讲时间为不超过20分钟,要求板书工整,表达流畅,思路清晰。4.应聘人员可以携带教材、讲义作为辅助。5.讲稿、讲义上不能出现考生个人信息,否则按违规处理,取消考试资格。化工学院实验教学岗实验操作考试内容1.实验操作内容:2.考试要求:(1)实验考试时间为60分钟。(2)准备环节:除了重铬酸钾标准溶液与硫酸亚铁铵标准溶液现场配置,其他试剂已提前配置完成。(3)加热装置实验前提前打开。(4)消解时间10分钟。(5)现场处理数据,计算结果。(6)结束后规范整理实验台面。.实验内容操作规范熟练掌握水质化学需氧量的测定方法移液、滴定的准确规范;准确把握滴定终点变色;掌握数据处理与计算方法岗位7(汽车学院实验教学岗)试讲考核说明一、试讲内容:1.讲授第七章城轨自动售检票系统7.2节车站终端设备中的售票设备与检票设备2.实验操作。二、试讲要求:1.参考教材:上海申通地铁集团有限公司,轨道交通培训中心.《城市轨道交通概论[M]》北京:中国铁道出版社,2009.该书封面如下:2.认真编写讲稿(格式参考附件)。3.请应聘人员选取上述材料作为试讲内容,试讲时间为不超过20分钟,要求板书工整,表达流畅,思路清晰。4.应聘人员可以携带教材、讲义作为辅...

1、当您付费下载文档后,您只拥有了使用权限,并不意味着购买了版权,文档只能用于自身使用,不得用于其他商业用途(如 [转卖]进行直接盈利或[编辑后售卖]进行间接盈利)。
2、本站所有内容均由合作方或网友上传,本站不对文档的完整性、权威性及其观点立场正确性做任何保证或承诺!文档内容仅供研究参考,付费前请自行鉴别。
3、如文档内容存在违规,或者侵犯商业秘密、侵犯著作权等,请点击“违规举报”。

碎片内容

一-江苏理工学院

文库响当当+ 关注
实名认证
内容提供者

该用户很懒,什么也没介绍

确认删除?
VIP
微信客服
  • 扫码咨询
会员Q群
  • 会员专属群点击这里加入QQ群
客服邮箱
回到顶部