电脑桌面
添加小米粒文库到电脑桌面
安装后可以在桌面快捷访问

附录4:门式起重机(DOC)VIP免费

附录4:门式起重机(DOC)_第1页
1/17
附录4:门式起重机(DOC)_第2页
2/17
附录4:门式起重机(DOC)_第3页
3/17
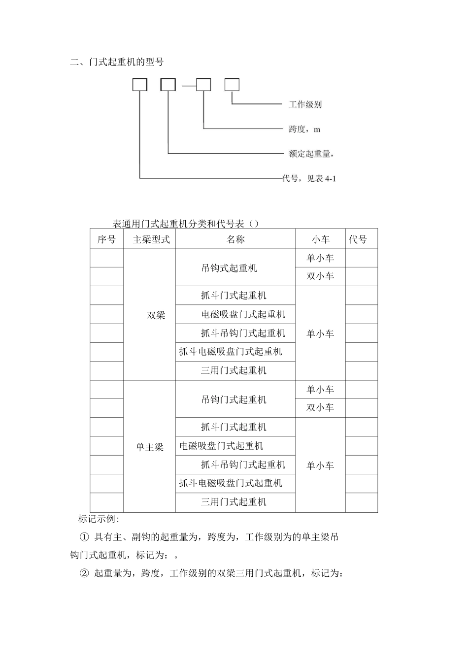
门式起重机是指桥架通过两侧支腿支承在地面轨道或地基上的桥架型起重机,俗称“龙门吊”。与桥式起重机的主要区别在于是否有支腿支撑。一、门式起重机型式分类门式起重机可按构造、悬臂、支承方式、使用场合、取物装置、起重小车等几种方式进行分类,这里着重介绍下按构造、悬臂及起重小车三种分类方式。门式起重机按主梁分为。单梁门式起重机见图;双粱门式起重机见图。图4-1D4—2DDDDDD按悬臂分为:双悬臂门式起重机单悬臂门式起重机无悬臂门式起重机、门式起重机按其取物装置分为吊钩门式起重机;抓斗门式起重机;c)电磁门式起重机;d)二用门式起重机;e)三用门式起重机。4DDDDDD按操纵方式分为司机室操纵;地面有线操纵;无线遥控操纵;多点操纵。5DDDDDD按小车数量分为单小车吊钩门式起重机;双小车吊钩门式起重机;多小车吊钩门式起重机二、门式起重机的型号表通用门式起重机分类和代号表()序号主梁型式名称小车代号双梁吊钩式起重机单小车双小车抓斗门式起重机单小车电磁吸盘门式起重机抓斗吊钩门式起重机抓斗电磁吸盘门式起重机三用门式起重机单主梁吊钩门式起重机单小车双小车抓斗门式起重机单小车电磁吸盘门式起重机抓斗吊钩门式起重机抓斗电磁吸盘门式起重机三用门式起重机标记示例:①具有主、副钩的起重量为,跨度为,工作级别为的单主梁吊钩门式起重机,标记为:。②起重量为,跨度,工作级别的双梁三用门式起重机,标记为:三、门式起重机的技术参数门式起重机的主要技术参数有:起重量、起升高度、机构工作速度、起重机高度、跨度、起重机的宽度、小车轨距、起重机基距、小车基距、悬臂长度等。表表示门式起重机主要技术参数。表门式起重机主要技术参数整机工作级别A5跨度42m(可改至32m)主钩额定起重量40t起升速度4m/min起升高度副钩额定起重量起升速度起升高度小车运行速度大车运行速度起重机总重(跨)最大轮压(跨)电源种类三相交流起重机大车轨道总装机功率工作环境温度°C°C最大工作风压m245891/1100076543四、门式起重机的构造门式起重机一般由电气设备、小车运行机构、大车运行机构、主副起升机构、门架等几大部分组成。图所示为门式起重机的基本构造图。图门式起重机基本构造图大车行走机构台车横梁刚性腿操作室起升卷扬机牵引卷扬机导向滑轮架(左)桥架牵引小车导向滑轮架(右)电动葫芦挠性腿横担吊钩门式起重机的的金属结构-门式起重机的金属结构是起重机的骨架,所有机械、电气设备均分布于其上,是起重机的承载结构并使起重机构成一个机械设备的整体。门式起重机的金属结构主要由起重机门架、支腿、牵引小车架、台车和司机室等组成。桥架门式起重机桥架主要有桁架形结构(图)、箱形结构(图)及新型的管弦结构(图)。主梁(即桥架)有双梁和单主梁(图()、图())两种。图的桁架式的门式起重机在电建施工中使用十分广泛,桥架结构上通常由若干节组成,每节使用型钢焊接而成,节与节之间通过螺栓连接成整体桥架,一般使用较多的桥架跨距为,也可拆去节变成跨距使用。一些新型的桥架采用了管弦结构形式,结构截面为三角形,节与节之间采用竖法兰绞制孔用螺栓连接,桥架悬臂与桥架主体采用法兰盘绞制孔用螺栓连接,这种结构的桥架总重量相对较小,见图。目前也有些桁架桥架节与节间通过销轴进行连接,这种结构的桥架自重相对较大。图桁架结构门式起重辻图门式起重机主梁形式()单主梁门式起重机()吊钩双主梁门式起重机门式起重机“”和“”字型门式起重机()按悬臂分为无悬臂(图)、单悬臂(图)和双悬臂(图),图的桁架型门式起重机带悬臂,此悬臂与轨道内门架采用螺栓连接,可根据支腿支腿结构上常有“”、“”(见图)和“”字形(图)和图的桁架门式起重机支腿(即图构件刚性腿和图构件挠性腿)几种结构型式。桁架门式起重机刚性腿通常由四片桁架和连接角钢用螺栓组成,与门架、台车横梁采用螺栓连接,挠性腿与桥架的羊角通常采用销轴连接,与台车横梁采用螺栓连接。前面提到的管弦结构门式起重机,其支腿结构上则采取管弦结构,其中刚性腿由左右对称两片组成,每片分上下两段,左右两片间以方法兰用绞制孔螺栓连接,上下两段间以圆法...

1、当您付费下载文档后,您只拥有了使用权限,并不意味着购买了版权,文档只能用于自身使用,不得用于其他商业用途(如 [转卖]进行直接盈利或[编辑后售卖]进行间接盈利)。
2、本站所有内容均由合作方或网友上传,本站不对文档的完整性、权威性及其观点立场正确性做任何保证或承诺!文档内容仅供研究参考,付费前请自行鉴别。
3、如文档内容存在违规,或者侵犯商业秘密、侵犯著作权等,请点击“违规举报”。

碎片内容

附录4:门式起重机(DOC)

确认删除?
VIP
微信客服
  • 扫码咨询
会员Q群
  • 会员专属群点击这里加入QQ群
客服邮箱
回到顶部