电脑桌面
添加小米粒文库到电脑桌面
安装后可以在桌面快捷访问

单县2015-2016年九年级物理期末考试题及答案VIP免费

单县2015-2016年九年级物理期末考试题及答案_第1页
1/5
单县2015-2016年九年级物理期末考试题及答案_第2页
2/5
单县2015-2016年九年级物理期末考试题及答案_第3页
3/5
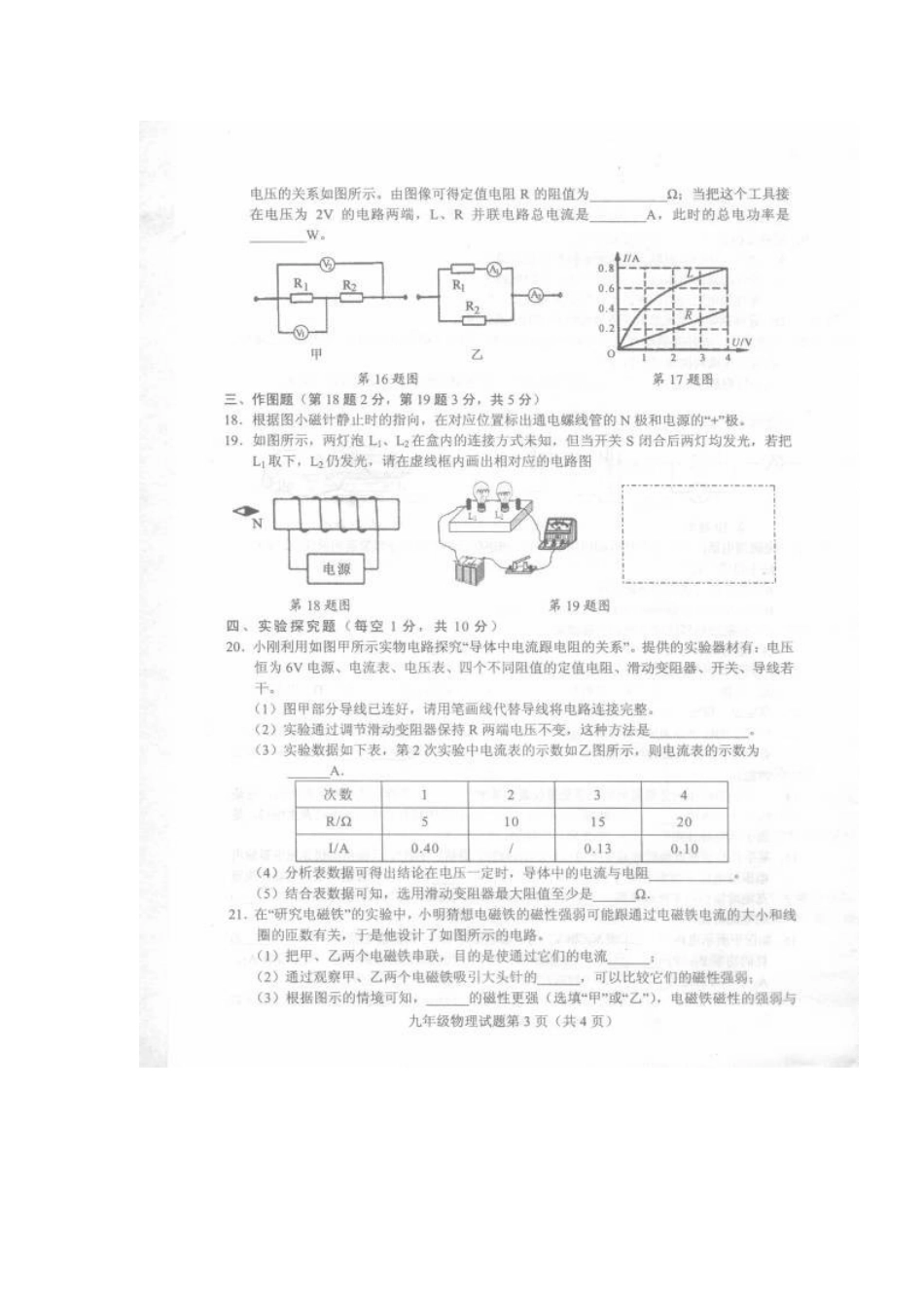
期末考试九年级物理试题参考答案一、选择题1-6、BDCABB;7-12、DBDAADxkb1.com二、填空题13、6.72×105;热传递[来源:学|科|网Z|X|X|K]14、电流表;很小;磁场xkb115、UI;20;4.8×103;化学16、1:3;1:3;3:4;3:1xkb1.com17、10;0.8;1.6W三、作图题(略)四、实验探究题20、(1)略;(2)控制变量法;(3)0.2;(4)成正比;(5)4021、(1)相等;(2)最多数目(数目、数量);(3)乙;线圈的匝数;(4)左五、计算题22、(1)4V;(2)0.2A23、(1)4A;(2)1100Ω;(3)9240J系列资料www.xkb1.com

1、当您付费下载文档后,您只拥有了使用权限,并不意味着购买了版权,文档只能用于自身使用,不得用于其他商业用途(如 [转卖]进行直接盈利或[编辑后售卖]进行间接盈利)。
2、本站所有内容均由合作方或网友上传,本站不对文档的完整性、权威性及其观点立场正确性做任何保证或承诺!文档内容仅供研究参考,付费前请自行鉴别。
3、如文档内容存在违规,或者侵犯商业秘密、侵犯著作权等,请点击“违规举报”。

碎片内容

单县2015-2016年九年级物理期末考试题及答案

您可能关注的文档

教育精品店+ 关注
实名认证
内容提供者

优良的服务

确认删除?
VIP
微信客服
  • 扫码咨询
会员Q群
  • 会员专属群点击这里加入QQ群
客服邮箱
回到顶部