电脑桌面
添加小米粒文库到电脑桌面
安装后可以在桌面快捷访问

槽钢矩形管方管规和载荷计算VIP免费

槽钢矩形管方管规和载荷计算_第1页
1/10
槽钢矩形管方管规和载荷计算_第2页
2/10
槽钢矩形管方管规和载荷计算_第3页
3/10
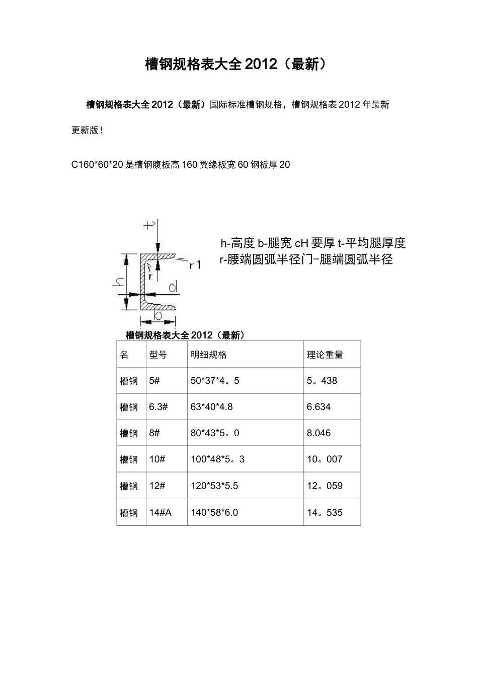
槽钢规格表大全2012(最新)槽钢规格表大全2012(最新)国际标准槽钢规格,槽钢规格表2012年最新更新版!C160*60*20是槽钢腹板高160翼缘板宽60钢板厚20h-高度b-腿宽cH要厚t-平均腿厚度r-腰端圆弧半径门-腿端圆弧半径槽钢规格表大全2012(最新)名型号明细规格理论重量槽钢5#50*37*4。55。438槽钢6.3#63*40*4.86.634槽钢8#80*43*5。08.046槽钢10#100*48*5。310。007槽钢12#120*53*5.512。059槽钢14#A140*58*6.014。535槽钢14#B140*60*8。016。733槽钢16#A160*63*6.517。24槽钢16#B160*65*8.519。752槽钢18#A180*68*7。020。174槽钢18#B180*70*9。023槽钢20#A200*73*7.022。637槽钢20#B200*75*9.025.777槽钢22#a220*77*7.024。999槽钢22#B220*79*9.028。453槽钢25#A250*78*7.027。41槽钢25#B250*80*9O031.335槽钢25#C250*82*1135.26槽钢28#A280*82*7.531.427槽钢28#B280*84*9.535.823槽钢28#C280*86*11。540。219槽钢30#A300*85*7.534。463槽钢30#B300*87*9。539。173槽钢30#C300*89*11.543。883槽钢32#A320*88*8。038.083槽钢32#B320*90*1043.107槽钢32#C320*92*1248.131槽钢36#A360*96*9。047.814槽钢36#B360*98*1153.466槽钢36#C360*100*1359.118槽钢40#A400*100*10.558.928槽钢40#B400*102*12。565.208槽钢40#C400*104*14。571.488500X300X8。0-—12。0mm450X250X6。0——12.0mm400X300X6。0——12。0mm400X200X6.0——12.0mm350X250X6。0——12.0mm350X150X6.0—-12.0mm300X200X6.0—-12.0mm300X150X6.0--12。0mm300X100X4。0--10。0mm280X180X4。0—-10。0mm250X150X4。0——10。0mm250X100X4。0--10。0mm200X150X4.0——10.0mm200X100X4。0——10.0mm200X95X4.0—-10.0mm160X80X4。0——10.0mm150X100X3.0-—10.0mm150X90X3.0-—10。0mm150X75X3.0--8.0mm140X80X3。0—-10。0mm120X100X3.0-—10.0mm120X80X2.0-—8.0mm120X60X2.0--5。0mm120X50X2。0-—5.0mm120X40X2。0—-4O0mm100X80X2.0--8.0mm100X60X2.0-—5O0mm100X50X1.0—-5.0mm100X40X2.0-—3.0mm90X60X2.0——4。0mm80X60X1。4——4.0mm80X50X1。2—-3。0mm80X40X0.9--4。0mm70X50X1.2—-4.0mm70X30X1。5—-3.0mm60X40X0.8-—4.0mm60X30X0。8--3.0mm50X40X0.8--3.0mm50X30X0。7--4。0mm50X25X0.7--3.0mm50X20X0。7--1.7mm40X30X0。7--3。0mm40X25X0。7—-2.5mm40X20X0.6—-3。0mm30X20X0.6—-2。0mm20X14X0.5-—1。2mm20X10X0。5--1。2mm方管承载力计算公式比如50*30*1。5的方管二个端点架起,中间悬空1米的跨度,在这1米的跨度上50*30*1.5的方管能放多重的物品。M二Pac/L(M:弯矩,P集中力,a集中力距支座距离,c集中力距另一支座距离,L跨度,L=a+c)W=b*h*h*h/12(仅用于矩形截面)f=M/W<材料的许用应力(弹性抗拉强度/安全系数)。强度计算二M/W(其中,弯矩M=0.125qL*2,W为截面模量)刚度计算二(5qL*4)/384EIGB/T672&-2CD2mm址许w*/mmSJ?JmmM7(kjj/m)曲面酊RJli/cm2IS性鑒/™*破性半轻fcm.曲{fl转常取Hi&L%叭Z

1、当您付费下载文档后,您只拥有了使用权限,并不意味着购买了版权,文档只能用于自身使用,不得用于其他商业用途(如 [转卖]进行直接盈利或[编辑后售卖]进行间接盈利)。
2、本站所有内容均由合作方或网友上传,本站不对文档的完整性、权威性及其观点立场正确性做任何保证或承诺!文档内容仅供研究参考,付费前请自行鉴别。
3、如文档内容存在违规,或者侵犯商业秘密、侵犯著作权等,请点击“违规举报”。

碎片内容

槽钢矩形管方管规和载荷计算

wxg+ 关注
实名认证
内容提供者

该用户很懒,什么也没介绍

相关文档

确认删除?
微信客服
  • 扫码咨询
会员Q群
  • 会员专属群点击这里加入QQ群