电脑桌面
添加小米粒文库到电脑桌面
安装后可以在桌面快捷访问

三菱PLC实训试题--NEWVIP免费

三菱PLC实训试题--NEW_第1页
1/32
三菱PLC实训试题--NEW_第2页
2/32
三菱PLC实训试题--NEW_第3页
3/32
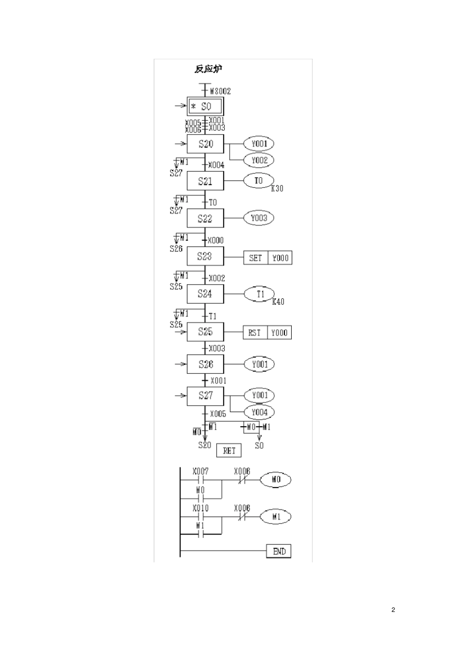
11.1.1用PLC来控制反应炉的动作反应炉工艺共分为三个过程第一个过为进料过程:当液面低于下液面传感器(SL2=1),温度低于低温传感器(ST2=1),压力低于低压传感器(SP2=1)。按启动按钮SB1后,排气阀(YV1)和进料阀(YV2)打开,液面上升至上液面传感器(SL1=1),关闭排气阀和进料阀,延时3秒打开氮气阀(YV3),反应炉内压力上升至高压传感器(SP1=1),关闭氮气阀。开始第二个过程。第二个过程为加热过程:加热接触器KM吸合,温度上升至高温传感器(ST1=1),保温4秒,然后断开加热接触器降温,待温度降至低温传感器(ST2=1)时,开始第三个过程。第三个过程为泄放过程:打开排气阀,气压下降至低压传感器(SP2=1),打开泄放阀,液位下降至下液面传感器(SL2=1)关闭排气阀和泄放阀。以上三个过程为一个循环。按下启动按钮,开始反应炉工艺,一直循环下去,直到按了SB2停止按钮,工艺完成当前一个循环后停止。在第一、第二过程中,如按下急停按钮SB3,则立即关闭进料阀、氮气阀、加热接触器,待温度降至低温传感器(ST2=1)时,打开排气阀将压力降至最低(SP2=1)再打开泄放阀将炉内液体放完后停止。输入设备输入端口编号考核箱对应端口方案1方案2高压传感器SP1X0X0电脑和PLC自动连接低压传感器SP2X1X1电脑和PLC自动连接高温传感器ST1X2X2电脑和PLC自动连接低温传感器ST2X3X3电脑和PLC自动连接上液面传感器SL1X4X4电脑和PLC自动连接下液面传感器SL2X5X5电脑和PLC自动连接启动按钮SB1X6X10SB1停止按钮SB2X7X6SB2急停按钮SB3X10X7SB3输出设备输出端口编号考核箱对应端口方案1方案2加热接触器KMY0Y4排气阀YV1Y1Y3进料阀YV2Y2Y2氮气阀YV3Y3Y1泄放阀YV4Y4Y0任意选用方案1或方案2231.1.2用PLC来控制拣球的动作吸盘原始位置在左上方,左限开关LS1,上限开LS3压合,按电脑仿真程序中“选球”按钮,选择大球或小球,按SB1按钮,下降电磁阀KM。吸合延时7秒,下降电磁阀KM。断开吸合电磁阀KM1吸合,若是小球吸盘碰到下限开关LS2压合,若是大球则碰不到下限开关LS2。上升电磁阀KM2吸合,然后吸盘碰到上限开关LS3压合,上升电磁阀KM2断开,右移电磁阀KM3吸合,若是小球吸盘碰到小球右限开关LS4压合,右移电磁阀KM3断开,下降电磁阀KM0吸合,若是大球吸盘碰到大球右限开关LS5压合,右移电磁阀KM3断开,下降电磁阀KM0吸合,然后吸盘碰到下限开关LS2压合,吸合电磁阀KM1断开,下降电磁阀KM0断开,上升电磁阀KM2吸合,吸盘碰到上限开关LS3压合,上升电磁阀KM2断开,左移电磁阀KM4吸合,吸盘碰到左限开关LS1压合,左移电磁阀KM4断开,如此完成一个循环。按了启动按钮SB1后,吸盘按上述规律连续工作,当小球箱装满6只或大球箱装满4只时均要暂停5秒将满箱搬走,放上空箱,吸盘继续工作,当按了停止按钮SB2后吸盘在完成当次循环后停止。输入设备输入端口编号考核箱对应端口方案1方案2启动按钮SB1X0X6SB1停止按钮SB2X6X7SB2左限位开关LS1X1X1电脑和PLC自动连接下限位开关LS2X2X2电脑和PLC自动连接上限位开关LS3X3X3电脑和PLC自动连接小球限位开关LS4X4X4电脑和PLC自动连接大球限位开关LS5X5X5电脑和PLC自动连接输出设备输出端口编号考核箱对应端口方案1方案2下降电磁阀KM0Y0Y1吸合电磁阀KM1Y1Y2上升电磁阀KM2Y2Y3右移电磁阀KM3Y3Y4左移电磁阀KM4Y4Y5任意选用方案1或方案2451.1.3用PLC控制汽车喷漆编程要求:按SB3(红色)、SB4(黄色)、SB5(绿色)选择按钮选择要喷漆的颜色(只有在喷漆时不可以选择),由Y01(红色)、Y02(黄色)、Y03(绿色)分别控制喷漆的颜色,按SB1启动按钮启动流水线,轿车到一号位,则PC机发出一号位到位信号,流水线停止,延时1秒,一号门开启,延时2秒,流水线重新启动,轿车到二号位,由PC机发出二号位到位信号,流水线停止,一号门关闭并延时2秒后开始喷漆,喷漆延时6秒后停止,二号门开启并延时2秒,流水线重新启动,轿车到三号位,由PC机发出三号位到位信号,二号门关闭,计数器累加1,继续开始第二辆轿车。当计数器累加到3时,延时4秒,整个工艺停止,计数器自动清零。当按下SB2停止按钮后,轿车到三号位后,延时4秒,整个工艺停止,计数器自动清零。输入设备输...

1、当您付费下载文档后,您只拥有了使用权限,并不意味着购买了版权,文档只能用于自身使用,不得用于其他商业用途(如 [转卖]进行直接盈利或[编辑后售卖]进行间接盈利)。
2、本站所有内容均由合作方或网友上传,本站不对文档的完整性、权威性及其观点立场正确性做任何保证或承诺!文档内容仅供研究参考,付费前请自行鉴别。
3、如文档内容存在违规,或者侵犯商业秘密、侵犯著作权等,请点击“违规举报”。

碎片内容

三菱PLC实训试题--NEW

您可能关注的文档

确认删除?
VIP
微信客服
  • 扫码咨询
会员Q群
  • 会员专属群点击这里加入QQ群
客服邮箱
回到顶部