电脑桌面
添加小米粒文库到电脑桌面
安装后可以在桌面快捷访问

高中化学 最拿分考点系列 考点11 碱金属及其化合物的性质实验 新人教版必修1-新人教版高一必修1化学试题VIP免费

高中化学 最拿分考点系列 考点11 碱金属及其化合物的性质实验 新人教版必修1-新人教版高一必修1化学试题_第1页
1/10
高中化学 最拿分考点系列 考点11 碱金属及其化合物的性质实验 新人教版必修1-新人教版高一必修1化学试题_第2页
2/10
高中化学 最拿分考点系列 考点11 碱金属及其化合物的性质实验 新人教版必修1-新人教版高一必修1化学试题_第3页
3/10
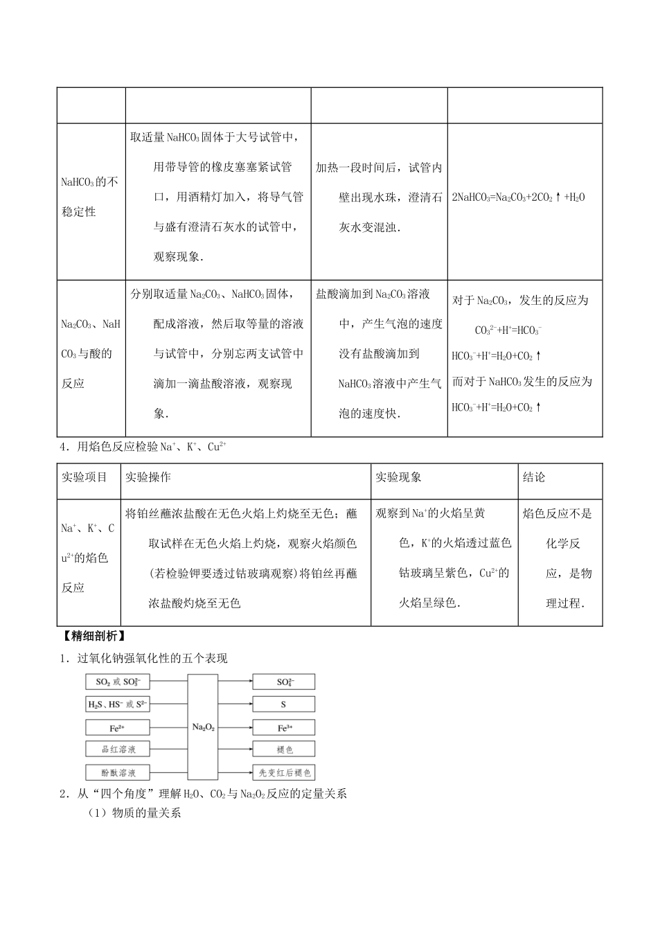
考点11碱金属及其化合物的性质实验【考点定位】本考点考查碱金属及其化合物的性质实验,涉及钠与水、盐溶液反应的性质、碳酸钠与碳酸氢钠的性质差异及转化,明确过氧化钠的性质特征及从“四个角度”理解H2O、CO2与Na2O2反应的定量关系。【精确解读】碱金属及其化合物的性质实验1.钠的性质实验项目实验操作实验现象结论钠与水反应用镊子从煤油中取出一小块金属钠,用滤纸吸干表面的煤油,用小刀切出黄豆粒般大小,然后把它放入盛有蒸馏水的烧杯中,往烧杯中滴加一滴酚酞溶液,观察现象.金属钠的切面呈银白色金属光泽,放入烧杯中,钠浮在水上面,熔成球状,发出“滋滋”响声,并在水中游动,水溶液逐渐变红.2Na+2H2O=2NaOH+H2↑钠在空气中燃烧用镊子从煤油中取出一小块金属钠,用滤纸吸干表面的煤油,用小刀切出黄豆粒般大小,然后把他放在石棉网上,用酒精灯加热,观察现象.金属钠在空气中然后剧烈,火焰呈黄色,钠在燃烧过程中熔成球状,反应后生成淡黄色物质.2Na+O2=Na2O22.过氧化钠的性质实验项目实验操作实验现象结论Na2O2与水的反应取少量Na2O2于试管中,往试管中滴加少量水,用带火星的木头放在试管口,观察现象.水滴到Na2O2中,反应激烈,产生能使带火星的木头复燃的气体.2Na2O2+2H2O=4NaOH+O2↑3.Na2CO3与NaHCO3的性质实验项目实验操作实验现象结论NaHCO3的不稳定性取适量NaHCO3固体于大号试管中,用带导管的橡皮塞塞紧试管口,用酒精灯加入,将导气管与盛有澄清石灰水的试管中,观察现象.加热一段时间后,试管内壁出现水珠,澄清石灰水变混浊.2NaHCO3=Na2CO3+2CO2↑+H2ONa2CO3、NaHCO3与酸的反应分别取适量Na2CO3、NaHCO3固体,配成溶液,然后取等量的溶液与试管中,分别忘两支试管中滴加一滴盐酸溶液,观察现象.盐酸滴加到Na2CO3溶液中,产生气泡的速度没有盐酸滴加到NaHCO3溶液中产生气泡的速度快.对于Na2CO3,发生的反应为CO32-+H+=HCO3-HCO3-+H+=H2O+CO2↑而对于NaHCO3发生的反应为HCO3-+H+=H2O+CO2↑4.用焰色反应检验Na+、K+、Cu2+实验项目实验操作实验现象结论Na+、K+、Cu2+的焰色反应将铂丝蘸浓盐酸在无色火焰上灼烧至无色;蘸取试样在无色火焰上灼烧,观察火焰颜色(若检验钾要透过钴玻璃观察)将铂丝再蘸浓盐酸灼烧至无色观察到Na+的火焰呈黄色,K+的火焰透过蓝色钴玻璃呈紫色,Cu2+的火焰呈绿色.焰色反应不是化学反应,是物理过程.【精细剖析】1.过氧化钠强氧化性的五个表现2.从“四个角度”理解H2O、CO2与Na2O2反应的定量关系(1)物质的量关系无论是CO2或H2O的单一物质还是二者的混合物,通过足量的Na2O2时,CO2或H2O与放出O2的物质的量之比均为2∶1。(2)气体体积关系若CO2和水蒸气的混合气体(或单一气体)通过足量的Na2O2,则气体体积减少的量等于原混合气体体积的,且等于生成氧气的体积。(3)转移电子关系2molNa2O2不论与H2O还是与CO2反应均生成1molO2,转移2mol电子。如:(4)固体质量关系2CO+O2=====2CO2①2Na2O2+2CO2===2Na2CO3+O2②①+②得,Na2O2+CO===Na2CO3(虚拟的反应)即CO可被Na2O2完全吸收,固体增重即为CO的质量;2H2+O2=====2H2O③2Na2O2+2H2O===4NaOH+O2↑④③+④得,Na2O2+H2===2NaOH(虚拟的反应)即H2可被Na2O2完全吸收,固体增重即为H2的质量。结论:凡分子组成符合(CO)m·(H2)n的物质,mg该物质在O2中完全燃烧,将其产物(CO2和水蒸气)全部通过足量Na2O2后,固体增重为mg。或者是由C、H、O三种元素组成的物质,只要C、O原子个数比为1∶1,即可满足上述条件。中学阶段常见的符合这一关系的物质有:①无机物:H2、CO及H2和CO的混合气体;②有机物:CH3OH(甲醇)、HCHO(甲醛)、CH3COOH(乙酸)、C6H12O6(葡萄糖)等。3.判断类别,用准性质,突破Na2CO3、NaHCO3的鉴别(1)利用热稳定性不同(2)利用和酸反应生成气体的速率不同(相同条件下)(3)利用阴离子不同(4)利用溶液的酸碱性不同【典例剖析】某研究性学习小组,为了探究过氧化钠的强氧化性,设计了如图的实验装置;实验步骤及现象如下:①检查装置气密性后,装入药品并连接仪器,②缓慢通入一定量的N2后,将装置D连接好(导管末端未伸入集气瓶中),再向圆底...

1、当您付费下载文档后,您只拥有了使用权限,并不意味着购买了版权,文档只能用于自身使用,不得用于其他商业用途(如 [转卖]进行直接盈利或[编辑后售卖]进行间接盈利)。
2、本站所有内容均由合作方或网友上传,本站不对文档的完整性、权威性及其观点立场正确性做任何保证或承诺!文档内容仅供研究参考,付费前请自行鉴别。
3、如文档内容存在违规,或者侵犯商业秘密、侵犯著作权等,请点击“违规举报”。

碎片内容

高中化学 最拿分考点系列 考点11 碱金属及其化合物的性质实验 新人教版必修1-新人教版高一必修1化学试题

您可能关注的文档

远洋启航书店+ 关注
实名认证
内容提供者

从事历史教学,热爱教育,高度负责。

相关文档

确认删除?
VIP
微信客服
  • 扫码咨询
会员Q群
  • 会员专属群点击这里加入QQ群
客服邮箱
回到顶部