电脑桌面
添加小米粒文库到电脑桌面
安装后可以在桌面快捷访问

1#引风机试车记录VIP专享VIP免费

1#引风机试车记录_第1页
1/7
1#引风机试车记录_第2页
2/7
1#引风机试车记录_第3页
3/7
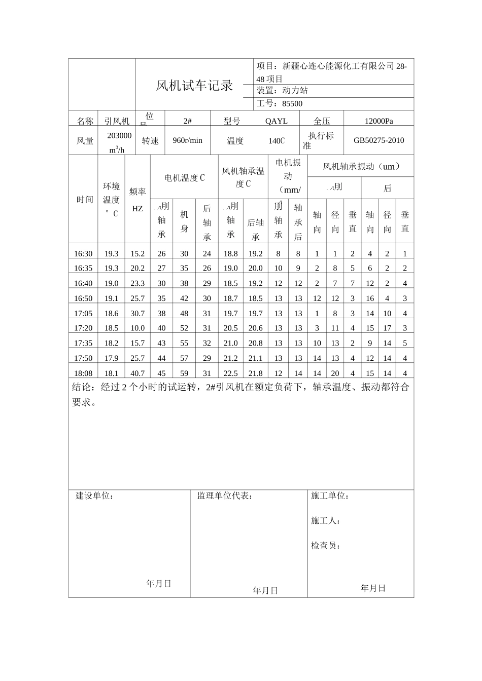
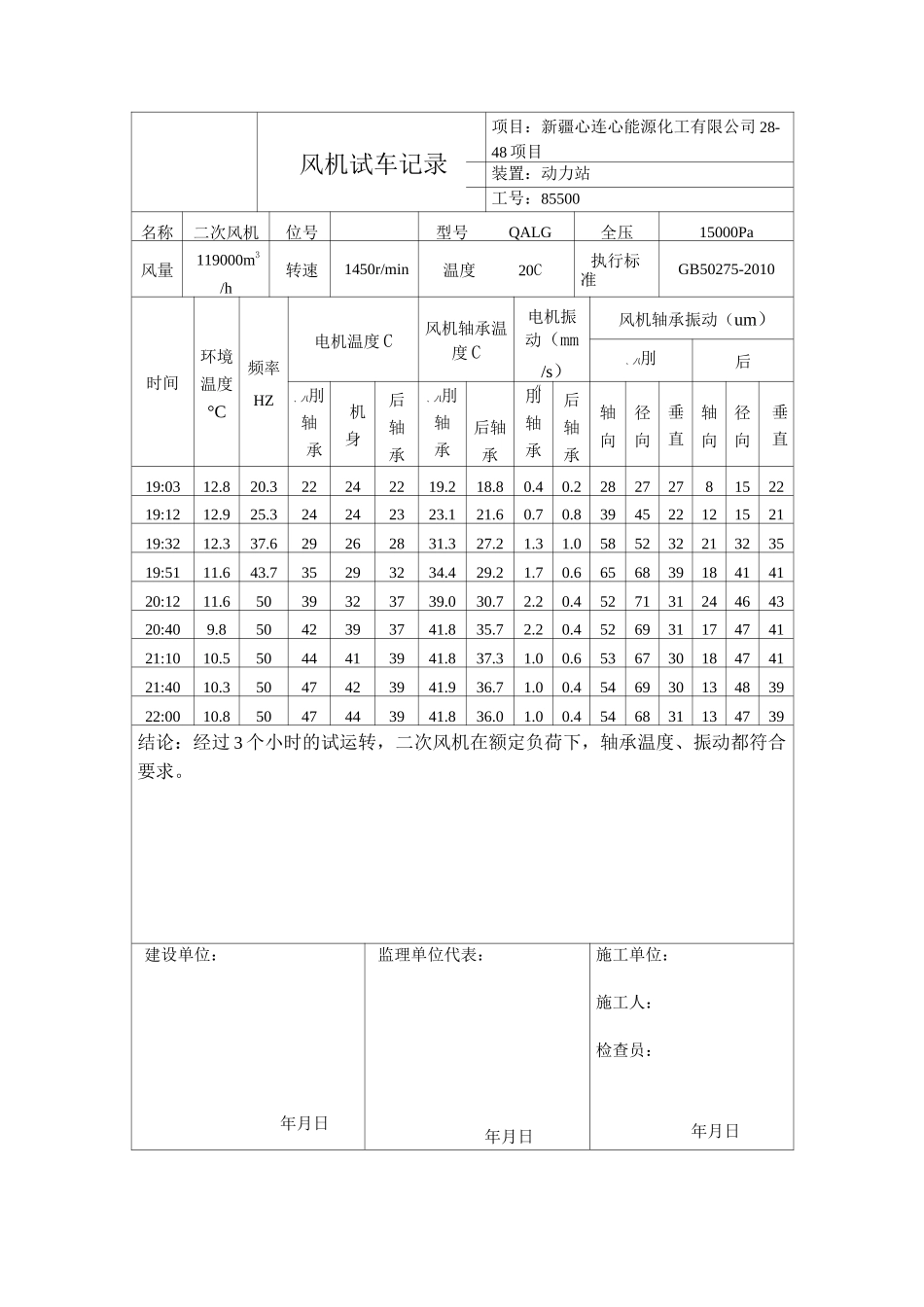
风机试车记录项目:新疆心连心能源化工有限公司28-48项目装置:动力站工号:85500名称引风机位号1#型号QAYL全压12000Pa风量203000m3/h转速960r/min温度140C执行标准GB50275-2010时间环境温度°C频率HZ电机温度C风机轴承温度C电机振动(mm/s*10)风机轴承振动(um)、八刖后、八刖轴承机身后轴承、八刖轴承后轴承、八刖轴承轴承后轴向径向垂直轴向径向垂直19:3515.540.220202016.215.711596817219:5015.840.220212019.121.3111049101323520:1515.340.220212019.221.911118091420720:3514.640.221212119.621.711950111526720:5014.540.222212125.323.11111104471425721:0514.140.223222225.923.42828104591524821:2014.540.225242325.622.211874271231821:3514.840.225252326.522.7101174261135721:5014.540.229272425.222.61010943910319结论:经过2个半小时的试运转,1#引风机在额定负荷下,轴承温度、振动都符合要求。建设单位:年月日监理单位代表:年月日施工单位:施工人:检查员:年月日风机试车记录项目:新疆心连心能源化工有限公司28-48项目装置:动力站工号:85500名称引风机位号2#型号QAYL全压12000Pa风量203000m3/h转速960r/min温度140C执行标准GB50275-2010时间环境温度°C频率HZ电机温度C风机轴承温度C电机振动(mm/s*10)风机轴承振动(um)、八刖后、八刖轴承机身后轴承、八刖轴承后轴承、八刖轴承轴承后轴向径向垂直轴向径向垂直16:3019.315.226302418.819.28811242116:3519.320.227352619.020.010928562216:4019.023.330382918.519.21212277122416:5019.125.735423018.718.5131312123164317:0518.630.738483119.719.713131831410417:2018.510.040523120.520.6131331141517317:3518.215.743553221.020.8131310132914517:5017.925.744572921.221.11313141341214418:0818.140.745593122.521.812141420415144结论:经过2个小时的试运转,2#引风机在额定负荷下,轴承温度、振动都符合要求。建设单位:年月日监理单位代表:年月日施工单位:施工人:检查员:年月日风机试车记录项目:新疆心连心能源化工有限公司28-48项目装置:动力站工号:85500名称二次风机位号型号QALG全压15000Pa风量119000m3/h转速1450r/min温度20C执行标准GB50275-2010时间环境温度°C频率HZ电机温度C风机轴承温度C电机振动(mm/s)风机轴承振动(um)、八刖后、八刖轴承机身后轴承、八刖轴承后轴承、八刖轴承后轴承轴向径向垂直轴向径向垂直19:0312.820.322242219.218.80.40.22827278152219:1212.925.324242323.121.60.70.839452212152119:3212.337.629262831.327.21.31.058523221323519:5111.643.735293234.429.21.70.665683918414120:1211.65039323739.030.72.20.452713124464320:409.85042393741.835.72.20.452693117474121:1010.55044413941.837.31.00.653673018474121:4010.35047423941.936.71.00.454693013483922:0010.85047443941.836.01.00.4546831134739结论:经过3个小时的试运转,二次风机在额定负荷下,轴承温度、振动都符合要求。建设单位:年月日监理单位代表:年月日施工单位:施工人:检查员:年月日风机试车记录项目:新疆心连心能源化工有限公司28-48项目装置:动力站工号:85500名称一次风机位号型号QALG全压23000Pa风量144000m3/h转速1450r/min温度20C执行标准GB50275-2010时间环境温度°C频率HZ电机温度C风机轴承温度C电机振动(mm/s)风机轴承振动(um)、八刖后、八刖轴承机身后轴承、八刖轴承后轴承、八刖轴承后轴承轴向径向垂直轴向径向垂直15:4312.81017171815.615.10.10.112411515:5312.92019172116.216.20.10.3241023916:2812.340.222202321.626.30.10.1266963516:5111.642.725242925.629.30.30.147103189817:1211.640.228333126.130.90.30.13771986517:309.840.234383224.729.30.10.13771985818:0010.540.236403324.629.10.10.13771895518:2410.34439413324.930.30.10.1371218108718:4210.54441453526.030.20.10.1371341080结论:经过3个小时的试运转,一次风机在额定负荷下,轴承温度、振动都符合要求。建设单位:年月日监理单位代表:年月日施工单位:施工人:检...

1、当您付费下载文档后,您只拥有了使用权限,并不意味着购买了版权,文档只能用于自身使用,不得用于其他商业用途(如 [转卖]进行直接盈利或[编辑后售卖]进行间接盈利)。
2、本站所有内容均由合作方或网友上传,本站不对文档的完整性、权威性及其观点立场正确性做任何保证或承诺!文档内容仅供研究参考,付费前请自行鉴别。
3、如文档内容存在违规,或者侵犯商业秘密、侵犯著作权等,请点击“违规举报”。

碎片内容

1#引风机试车记录

确认删除?
VIP
微信客服
  • 扫码咨询
会员Q群
  • 会员专属群点击这里加入QQ群
客服邮箱
回到顶部