电脑桌面
添加小米粒文库到电脑桌面
安装后可以在桌面快捷访问

IEEE14节点系统图与数据整理VIP免费

IEEE14节点系统图与数据整理_第1页
1/7
IEEE14节点系统图与数据整理_第2页
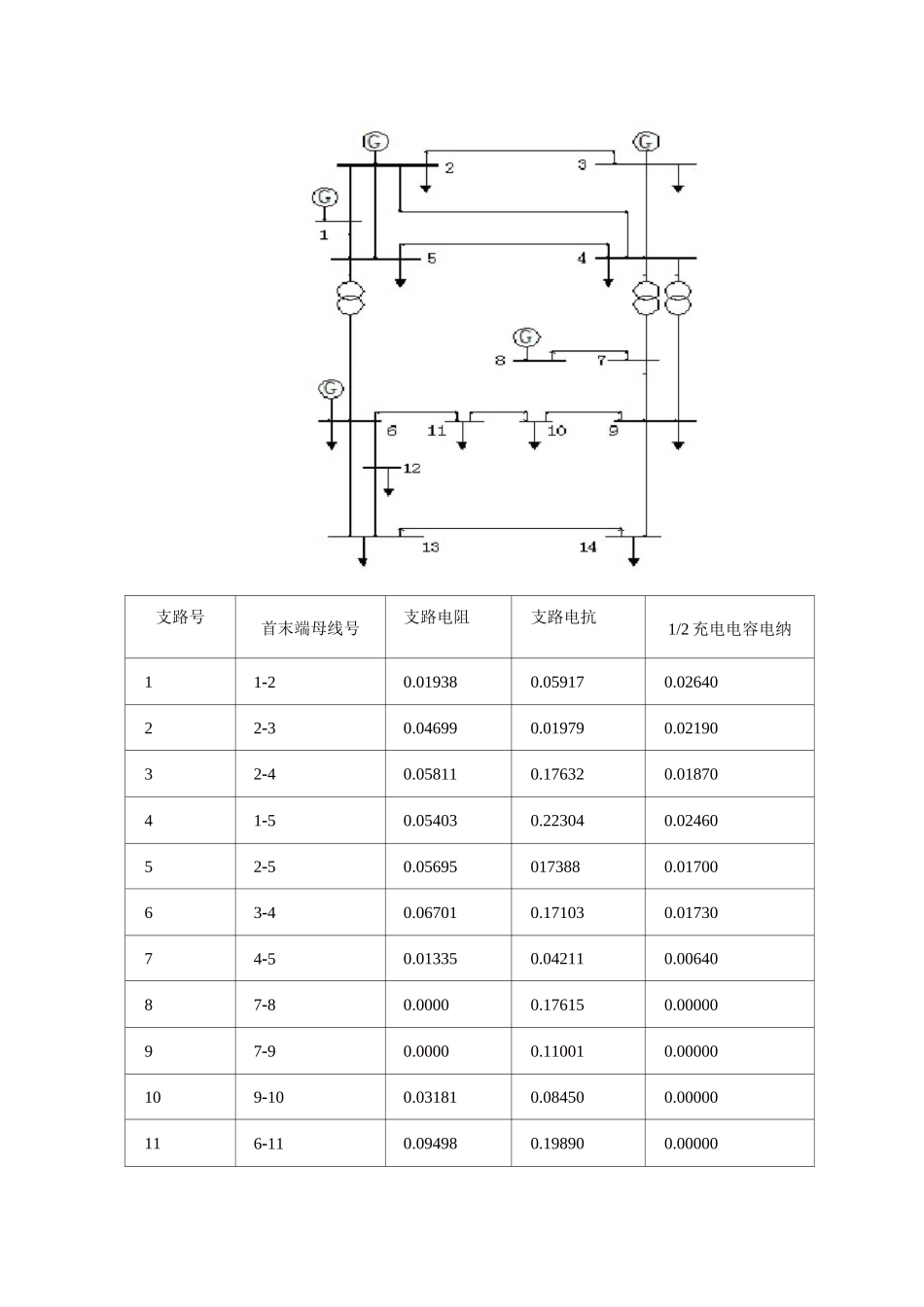
2/7
IEEE14节点系统图与数据整理_第3页
3/7
支路号首末端母线号支路电阻支路电抗1/2充电电容电纳11-20.019380.059170.0264022-30.046990.019790.0219032-40.058110.176320.0187041-50.054030.223040.0246052-50.056950173880.0170063-40.067010.171030.0173074-50.013350.042110.0064087-80.00000.176150.0000097-90.00000.110010.00000109-100.031810.084500.00000116-110.094980.198900.00000126-120.122910.155810.00000136-130.066150.130270.00000149-140.127110.270380.000001510-110.082050.192070.000001612-130.220920.199880.000001713-140.170930.348020.00000185-60.00000.252020.00000194-70.00000.209120.00000204-90.00000.556180.00000变压器序号首末端母线号非标准变比(标幺值)备注M「一185-60.932非标准变比在首端194-70.978204-90.969母线号电纳90.19母线号电压幅值(标幺值)无功极限值(Mvar)下限上限21.045-405031・0104061・07-62481・09-624母线号母线电压发电机输出功率幅值p・u・相角(。)有功(MW)无功(Mvar)11.060232.38-16.8921.045-4.98084042.431・01-12.717623.3941・0186-10.324151・0203-8.782561・07-14.222312.2471・062-13.368081.09-13.368017.3691.0563-14.9462101.0513-15.1039111.0571-14.7949121.0569-15.0771131.0504-15.1586141.0358-16.0386130.00.0232.4-16.90.01.0600.02221.712.740.00.00.01.0450.03294.219.00.00.00.01.0100.04047.8-3.90.00.00.010.0507.61.60.00.00.010.06211.27.50.00.00.01.0700.0700.00.00.00.00.010.0820.00.00.00.00.01.0900.09029.516.60.00.00.010.191009.05.80.00.00.010.01103.51.80.00.00.010.01206.11.60.00.00.010.013013.55.80.00.00.010.014014.95.00.00.00.010.0矩阵列依次为:节点序号,节点分类编号(3表示平衡节点,2表示PV节点,0表示PQ节点),节点负荷有功,节点负荷无功%发电机有功功率,发电机无功功率,节点电压初始值,节点所接并联电容器的电纳120.019380.059170.05280150.054030.223040.04920.0230.046990.197970.04380.0240.058110.176320.03740.0250.056950.173880.03400.0340.067010.171030.03460.0450.013350.042110.00470.00.209120.00.9490.00.556180.00.969560.00.252020.00.9326110.094980.198900.00.06120.122910.255810.00.06130.066150.130270.00.0780.00.176150.00.0790.00.110010.00.09100.031810.084500.00.09140.127110.270380.00.010110.082050.192070.00.012130.220920.199880.00.013140.170930.348020.00.0矩阵列依次为:支路首端节点i,节点末端j(i

1、当您付费下载文档后,您只拥有了使用权限,并不意味着购买了版权,文档只能用于自身使用,不得用于其他商业用途(如 [转卖]进行直接盈利或[编辑后售卖]进行间接盈利)。
2、本站所有内容均由合作方或网友上传,本站不对文档的完整性、权威性及其观点立场正确性做任何保证或承诺!文档内容仅供研究参考,付费前请自行鉴别。
3、如文档内容存在违规,或者侵犯商业秘密、侵犯著作权等,请点击“违规举报”。

碎片内容

IEEE14节点系统图与数据整理

确认删除?
微信客服
  • 扫码咨询
会员Q群
  • 会员专属群点击这里加入QQ群