电脑桌面
添加小米粒文库到电脑桌面
安装后可以在桌面快捷访问

渝建发〔2016〕35号重庆调整建筑业营改增后建设工程计价依据 附件2VIP免费

渝建发〔2016〕35号重庆调整建筑业营改增后建设工程计价依据 附件2_第1页
1/11
渝建发〔2016〕35号重庆调整建筑业营改增后建设工程计价依据 附件2_第2页
2/11
渝建发〔2016〕35号重庆调整建筑业营改增后建设工程计价依据 附件2_第3页
3/11
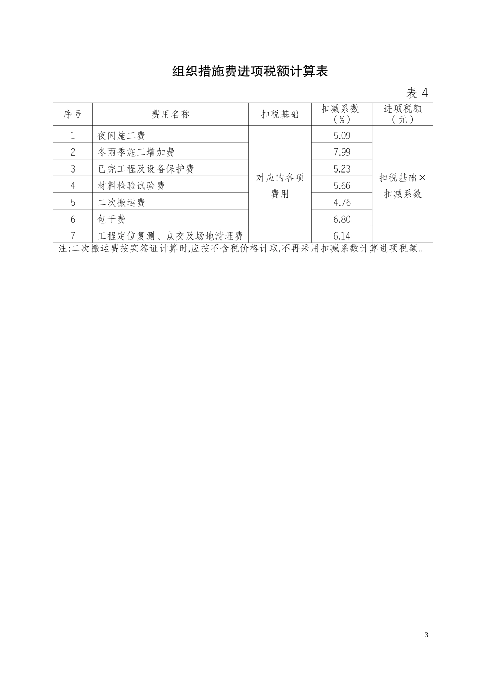
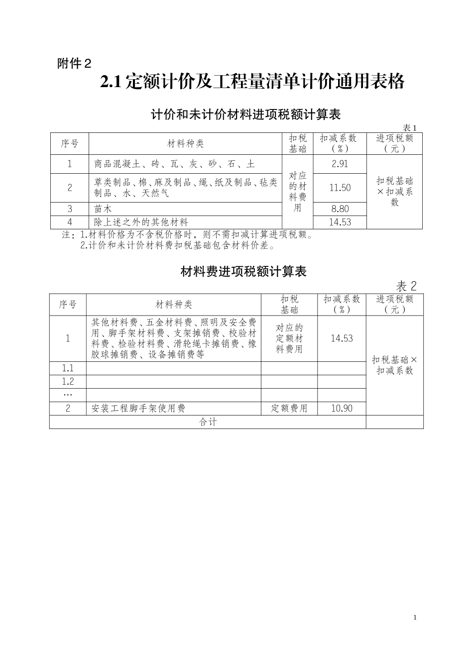
附件22.1定额计价及工程量清单计价通用表格计价和未计价材料进项税额计算表表1序号材料种类扣税基础扣减系数(%)进项税额(元)1商品混凝土、砖、瓦、灰、砂、石、土对应的材料费用2.91扣税基础×扣减系数2草类制品、棉、麻及制品、绳、纸及制品、毡类制品、水、天然气11.503苗木8.804除上述之外的其他材料14.53注:1.材料价格为不含税价格时,则不需扣减计算进项税额。2.计价和未计价材料费扣税基础包含材料价差。材料费进项税额计算表表2序号材料种类扣税基础扣减系数(%)进项税额(元)1其他材料费、五金材料费、照明及安全费用、脚手架材料费、支架摊销费、校验材料费、检验材料费、滑轮绳卡摊销费、橡胶球摊销费、设备摊销费等对应的定额材料费用14.53扣税基础×扣减系数1.11.2…2安装工程脚手架使用费定额费用10.90合计1机械费进项税额计算表表3序号费用名称扣税基础扣减系数(%)进项税额(元)1可分解费用的机械1.1折旧费及大修理费定额费用14.53扣税基础×扣减系数1.2经常修理费定额费用7.261.3安拆费及场外运费定额费用5.951.4燃料动力费2不可分解费用的机械定额机械费10.173定额中其他机械费4垂直运输通讯费、超高降效机械费、回程费、本机使用台班费、脚手架机械使用费、机具摊销费等5通风空调系统调试费定额费用10.90合计注:燃料动力费中的材料价格均按不含税价格计入。2组织措施费进项税额计算表表4注:二次搬运费按实签证计算时,应按不含税价格计取,不再采用扣减系数计算进项税额。3序号费用名称扣税基础扣减系数(%)进项税额(元)1夜间施工费对应的各项费用5.09扣税基础×扣减系数2冬雨季施工增加费7.993已完工程及设备保护费5.234材料检验试验费5.665二次搬运费4.766包干费6.807工程定位复测、点交及场地清理费6.14企业管理费、安全文明施工费、建设工程竣工档案编费住宅工程质量分户验收费进项税计算表表5进项税额汇总计算表表6序号项目名称金额(元)1材料费进项税额2机械费进项税额3施工组织措施费进项税额4企业管理费进项税额5安全文明施工费进项税额6建设工程竣工档案编制费进项税额7住宅工程质量分户验收费进项税额8总承包服务费进项税额合计4序号费用名称扣税基础扣减系数(%)进项税额(元)1企业管理费对应的各项费用1.50扣税基础×扣减系数2安全文明施工费8.853建设工程竣工档案编制费4.254住宅工程质量分户验收费1.985总承包服务费进项税额5.802.2定额计价工程费用计价程序表2008年《重庆市建设工程费用定额》工程费用计算程序表7序号费用组成计算式说明备注一直接费1+2+31直接工程费1.1+1.2+1.31.1人工费1.1.1+1.1.21.含按计价定额基价计算的实体项目和技术措施项目费。2.定额人工单价调整按渝建[2016]71号规定计算。1.1.1定额基价人工费定额基价人工费1.1.2定额人工单价调整1.1.1×[定额人工单价(基价)调整系数-1]1.2材料费定额基价材料费1.3机械费1.3.1+1.3.21.3.1定额基价机械费定额基价机械费1.3.1.1其中:定额基价机上人工费1.3.2定额机上人工单价调整1.3.1.1×[定额人工单价调整系数-1]2组织措施费2.1+……+2.7渝建发[2014]27号2.1夜间施工费(1.1.1+1.2+1.3.1)×费率2.2冬雨季施工增加费(1.1.1+1.2+1.3.1)×费率2.3已完工程及设备保护费(1.1.1+1.2+1.3.1)×费率2.4二次搬运费(1.1.1+1.2+1.3.1)×费率或按实签证不含税价格计算2.5包干费(1.1.1+1.2+1.3.1)×费率2.6工程定位复测、点交及场地清理费(1.1.1+1.2+1.3.1)×费率2.7材料检验试验费(1.1.1+1.2+1.3.1)×费率3允许按实计算费用及价差3.1+3.2+3.3+3.43.1人工费价差合同价(信息价、市场价格)-调整后的定额人工基价3.2材料费价差不含税合同价(不含税信息价、不含税市场价格)-定额材料基价3.3按实计算费用不含税价格3.4其他不含税价格二间接费4+54企业管理费(1.1.1+1.2+1.3.1)×费率本通知附件一5规费(1.1.1+1.2+1.3.1)×费率三利润(1.1.1+1.2+1.3.1)×费率四建设工程竣工档案编制费(1.1.1+1.2+1.3.1)×费率渝建发[2014]26号五住宅工程质量分户验收费按文件规定计算渝建发[2013]19号六安全文明施工费(一+二+三+四+五)×规定费率标准×(1+5.26%)...

1、当您付费下载文档后,您只拥有了使用权限,并不意味着购买了版权,文档只能用于自身使用,不得用于其他商业用途(如 [转卖]进行直接盈利或[编辑后售卖]进行间接盈利)。
2、本站所有内容均由合作方或网友上传,本站不对文档的完整性、权威性及其观点立场正确性做任何保证或承诺!文档内容仅供研究参考,付费前请自行鉴别。
3、如文档内容存在违规,或者侵犯商业秘密、侵犯著作权等,请点击“违规举报”。

碎片内容

渝建发〔2016〕35号重庆调整建筑业营改增后建设工程计价依据 附件2

黄金书屋+ 关注
实名认证
内容提供者

爱好英语教学和互联网行业,热爱教育事业,兢兢业业

确认删除?
VIP
微信客服
  • 扫码咨询
会员Q群
  • 会员专属群点击这里加入QQ群
客服邮箱
回到顶部