电脑桌面
添加小米粒文库到电脑桌面
安装后可以在桌面快捷访问

中国石油大学材料力学试题及答案VIP免费

中国石油大学材料力学试题及答案_第1页
1/8
中国石油大学材料力学试题及答案_第2页
2/8
中国石油大学材料力学试题及答案_第3页
3/8
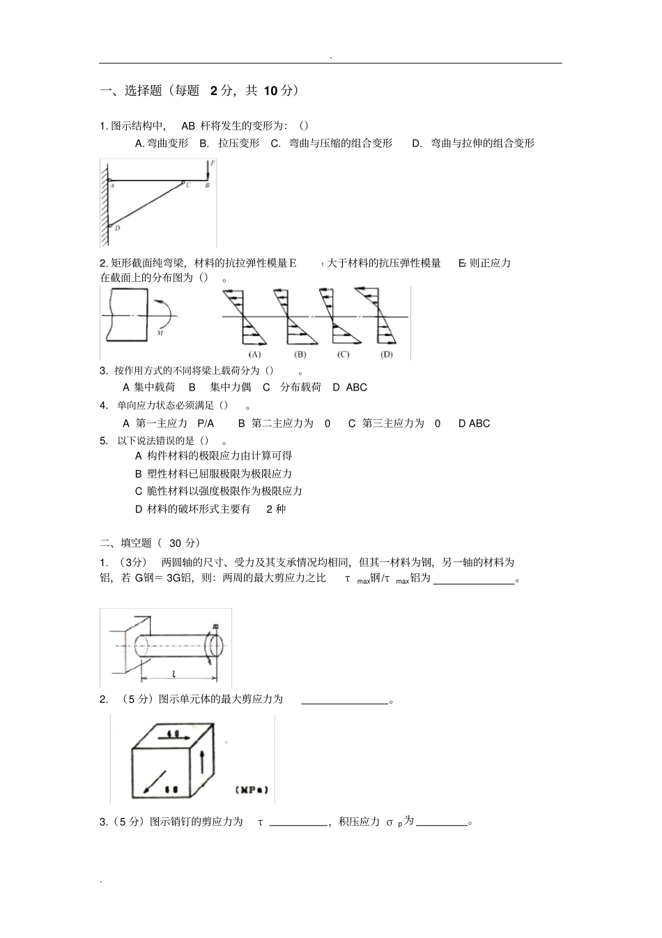
..20011—2012学年第2学期《材料力学》试卷专业班级姓名学号开课系室工程力学系考试日期2012.6.10题号一二三四总分得分阅卷人A卷..一、选择题(每题2分,共10分)1.图示结构中,AB杆将发生的变形为:()A.弯曲变形B.拉压变形C.弯曲与压缩的组合变形D.弯曲与拉伸的组合变形2.矩形截面纯弯梁,材料的抗拉弹性模量Et大于材料的抗压弹性模量Ec则正应力在截面上的分布图为()。3.按作用方式的不同将梁上载荷分为()。A集中载荷B集中力偶C分布载荷DABC4.单向应力状态必须满足()。A第一主应力P/AB第二主应力为0C第三主应力为0DABC5.以下说法错误的是()。A构件材料的极限应力由计算可得B塑性材料已屈服极限为极限应力C脆性材料以强度极限作为极限应力D材料的破坏形式主要有2种二、填空题(30分)1.(3分)两圆轴的尺寸、受力及其支承情况均相同,但其一材料为钢,另一轴的材料为铝,若G钢=3G铝,则:两周的最大剪应力之比τmax钢/τmax铝为。2.(5分)图示单元体的最大剪应力为。3.(5分)图示销钉的剪应力为τ,积压应力σp为。..4.(5分)已知AB杆直径d=30mm,a=1m,E=210GPa。若测得AB杆应变ε=7.15×10–4时,则载荷P的值为。5.(12分)悬臂梁的截面如图所示,C为形心,小圆圈为弯曲中心位置,虚线表示垂直于轴线的横向力作用线方向。试问各梁发生什么变形?将答案写在相应的横线上。abcdef三、计算题(60分)1.(15分)T字形截面铸铁梁的荷载及截面尺寸如图7-8(a)示,C为T形截面的形心,惯矩Iz=6013×104mm4,材料的许可拉应力[t]=40MPa,许可压应力[c]=160MPa,试校核梁的强度。2.(15分)平行杆系1、2、3悬吊着刚性横梁AB如图所示。在横梁上作用有荷载G。如杆1、2、3的截面积、长度、弹性模量均相同,分别为A、l、E。试求三根杆的轴力N1、N2、N3。..3.(15分)例11.2图示立柱由两根10槽钢组成,上端为球形铰支,下端为固定,长度l=6m,材料的弹性模量E=200GPa,比例极限p=200MPa,试问当a为何值时该立柱临界荷载最大,并求此临界荷载。4.试绘出图示梁的剪力图和弯矩图,并写出简要绘图步骤(15分)2009--2010学年第1学期材料力学试题标准答案及评分标准一、选择题,每题2分DDDDB二、填空题1.(3分)1:12.(5分)50MPA3.(3分)dhF(2分)4/)(22dDFp4.(5分)5.31×104N5.(12分,每空2分)..(a)、(c)平面弯曲。(b)、(d)斜弯曲变形。(e)斜弯曲与扭转组合变形。(f)平面弯曲变形。三、计算题1.解:梁弯矩图如图b所示。绝对值最大的弯矩为负弯矩,发生于B截面上,应力分布如图c所示(3分)。此截面最大拉、压应力分别发生于截面上、下边缘各点处(2分)。=36.2MPa<[t](3分)=78.6MPa<[c](3分)虽然A截面弯矩的绝对值|MA|<|MB|,但MA为正弯矩,应力分布如图d所示。最大拉应力发生于截面下边缘各点,由于y1>y2因此,全梁最大拉应力究竟发生在哪个截面上,必须经计算才能确定。A截面最大拉应力为=39.3MPa<[t](3分)最大压应力在B截面下边缘处,最大拉应力在A截面下边缘处,都满足强度条件。(1分)2.解:设在荷载G作用下,横梁移动到AB位置(图2-8b),则杆1的缩短量为l1,而杆2、3的伸长量为l2、l3。取横梁AB为分离体,如图2-8c,其上除荷载G外,还有轴力6243010(230157.5)()601310BtBzMyI6143010157.5()601310BcBzMyI61415010157.5()601310AtAzMyI..N1、N2、N3以及X。由于假设1杆缩短,2、3杆伸长,故应将N1设为压力,而N2、N3设为拉力。(1)平衡方程(a)三个平衡方程中包含四个未知力,故为一次超静定问题。(2)变形几何方程由变形关系图2-8b可看出B1B=2C1C,即,或(b)(3)物理方程(c)将(c)式代入(b)式,然后与(a)式联立求解,可得:65,3,6321GNGNGN3.解:(1)计算P(2)查表,得槽钢的截面几何性质:截面惯性矩:Iy=198.3cm4,Iz0=26cm4惯性半径:iy=3.95cm,iz0=1.41cm,面积A=12.74cm2,槽钢截面形心Z0到直边的距离y0=1.52cm。(3)计算在xz平面失稳的柔度y02,00,00,021321aNaNmGNNNYXXB)(21213llll2312lll123123,,NlNlNllllEAEAEA33.142001020099.4ppE0.76003.95106.3yli..为大柔度杆。(4)计算距离a。注意到当Iy=Iz时,Pcr有最大值Iy=2×198.3=396.6cm4Iz=2...

1、当您付费下载文档后,您只拥有了使用权限,并不意味着购买了版权,文档只能用于自身使用,不得用于其他商业用途(如 [转卖]进行直接盈利或[编辑后售卖]进行间接盈利)。
2、本站所有内容均由合作方或网友上传,本站不对文档的完整性、权威性及其观点立场正确性做任何保证或承诺!文档内容仅供研究参考,付费前请自行鉴别。
3、如文档内容存在违规,或者侵犯商业秘密、侵犯著作权等,请点击“违规举报”。

碎片内容

中国石油大学材料力学试题及答案

文库当当响+ 关注
实名认证
内容提供者

该用户很懒,什么也没介绍

相关文档

确认删除?
VIP
微信客服
  • 扫码咨询
会员Q群
  • 会员专属群点击这里加入QQ群
客服邮箱
回到顶部